buona sera,
ho letto i suggerimenti e spero che l abbia disegnato correttamente
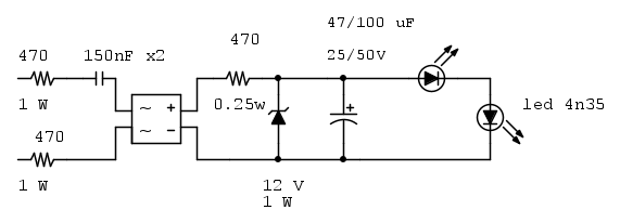
4N35 e led a 230 volt
Moderatori:
carloc,
g.schgor,
BrunoValente,
IsidoroKZ
46 messaggi
• Pagina 2 di 5 • 1, 2, 3, 4, 5
0
voti
danielealfa ha scritto:buona sera,
ho letto i suggerimenti e spero che l abbia disegnato correttamente
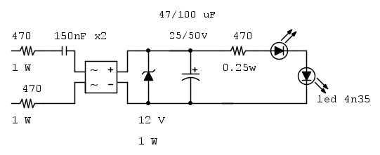
no, il resistore di caduta, va messo dopo il condensatore, in serie ad i soli diodi, in questo modo avrai sul condensatore una tensione maggiore nel picco della semionda, questa tensione manterrà l'accensione dei led quando il picco decresce, durante la scarica del condensatore.
Messo come lo hai messo tu, il condensatore, risultando in parallelo ad i led, non avrebbe se non una piccola escursione di tensione e non avrebbe effetto.
saluti.
-

lelerelele
4.899 3 7 9 - Master

- Messaggi: 5505
- Iscritto il: 8 giu 2011, 8:57
- Località: Reggio Emilia
0
voti
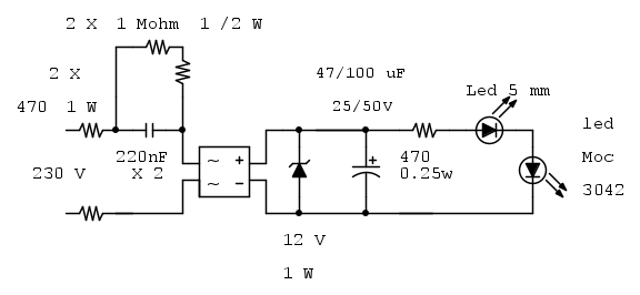
ecco fatto , ora come mi hai detto ho messo la resistenza da 470 ohm con in serie i 2 led , quello visivo , e quello contenuto nel fotoaccopiatore.
-

danielealfa
243 2 4 7 - Expert

- Messaggi: 1313
- Iscritto il: 27 mag 2009, 22:51
0
voti
scusatemi ,ma mi sono reso conto che ho scritto il fotoaccopiatore sbagliato.
quello corretto e MOC3041, ma nel caso ,
posso prendere un altro tipo che necessita di meno corrente per il led
credo che la corrente per accendere il led sia 15 mA
quello corretto e MOC3041, ma nel caso ,
posso prendere un altro tipo che necessita di meno corrente per il led
credo che la corrente per accendere il led sia 15 mA
-

danielealfa
243 2 4 7 - Expert

- Messaggi: 1313
- Iscritto il: 27 mag 2009, 22:51
0
voti
danielealfa ha scritto:quello corretto e MOC3041, ma nel caso ,
Sai che questo è un opto-triac, non serve per leggere in lineare, vero? Inoltre ha lo zero crossing, il che significa lavorare in alternata ed andare ad innescare solamente sotto i 20V di uscita.
ci colleghi un triac su quell'opto?
lo danno per 15mA in ingresso, dovresti essere un po scarso, dovrebbe servire un condensatore da 0.22uF, avrai circa 7V di caduta sul resistore, poi ne mettiamo altri 3 per i due diodi, si dovresti stare dentro i 12V, quando hai fatto, misuri la tensione sullo zener, deve essere inferirore a quello di soglia dello zener, in definitiva serve solo come sicurezza in caso di guasto lo zener, non deve lavorare, altrimenti ti porta via corrente per niente.
saluti.
-

lelerelele
4.899 3 7 9 - Master

- Messaggi: 5505
- Iscritto il: 8 giu 2011, 8:57
- Località: Reggio Emilia
0
voti
Metti anche due resistori in serie da 1Mohm in parallelo al condensatore da 150nF, altrimenti quando disalimenti il circuito questo resta carico per molto tempo ad una tensione pericolosa.
-

PietroBaima
90,7k 7 12 13 - G.Master EY

- Messaggi: 12206
- Iscritto il: 12 ago 2012, 1:20
- Località: Londra
0
voti
buona sera,
come prima cosa vi ringrazio delle vostre risposte .
si, devo comandare un triac, ho anche visto che ci sono altri moc 30xx che richiedono meno corrente per far funzionare il led del opto-triac.ma non saprei se vanno bene.
non credo neanche che mi possa servire lo zero crossing, visto che devo comandare un rele' da circuito stampato (finder )con la bobina a 230 volt che quello e' gia presente .e penso che non mi serva neanche un rc di snubbless
ho altro 2 moc con il fotodiac in parallelo , ma quello credo cambi poco sul funzionamento del circuito.
ho letto che qualcuno usa opto-triac senza triac visto i bassi consumi, ma non lo so .
ora ho modificato , con opto-triac corretto e i nuovi valori da usare .
come prima cosa vi ringrazio delle vostre risposte .
si, devo comandare un triac, ho anche visto che ci sono altri moc 30xx che richiedono meno corrente per far funzionare il led del opto-triac.ma non saprei se vanno bene.
non credo neanche che mi possa servire lo zero crossing, visto che devo comandare un rele' da circuito stampato (finder )con la bobina a 230 volt che quello e' gia presente .e penso che non mi serva neanche un rc di snubbless
ho altro 2 moc con il fotodiac in parallelo , ma quello credo cambi poco sul funzionamento del circuito.
ho letto che qualcuno usa opto-triac senza triac visto i bassi consumi, ma non lo so .
ora ho modificato , con opto-triac corretto e i nuovi valori da usare .
-

danielealfa
243 2 4 7 - Expert

- Messaggi: 1313
- Iscritto il: 27 mag 2009, 22:51
0
voti
Non è possibile alimentare direttamente la bobina a 230V ?
La rete ti consiglio di metterla, perché la bobina del relè è induttiva, lo sfasamento tra tensione e corrente potrebbe creare malfunzionamenti al circuito zero-cross
danielealfa ha scritto: penso che non mi serva neanche un rc di snubbless
La rete ti consiglio di metterla, perché la bobina del relè è induttiva, lo sfasamento tra tensione e corrente potrebbe creare malfunzionamenti al circuito zero-cross
-

SediciAmpere
4.187 5 5 8 - Master

- Messaggi: 4848
- Iscritto il: 31 ott 2013, 15:00
0
voti
mi viene piu un problema, poi cosi volevo isolare la bassa tensione con la 230 volt
-

danielealfa
243 2 4 7 - Expert

- Messaggi: 1313
- Iscritto il: 27 mag 2009, 22:51
46 messaggi
• Pagina 2 di 5 • 1, 2, 3, 4, 5
Chi c’è in linea
Visitano il forum: Nessuno e 37 ospiti

Elettrotecnica e non solo (admin)
Un gatto tra gli elettroni (IsidoroKZ)
Esperienza e simulazioni (g.schgor)
Moleskine di un idraulico (RenzoDF)
Il Blog di ElectroYou (webmaster)
Idee microcontrollate (TardoFreak)
PICcoli grandi PICMicro (Paolino)
Il blog elettrico di carloc (carloc)
DirtEYblooog (dirtydeeds)
Di tutto... un po' (jordan20)
AK47 (lillo)
Esperienze elettroniche (marco438)
Telecomunicazioni musicali (clavicordo)
Automazione ed Elettronica (gustavo)
Direttive per la sicurezza (ErnestoCappelletti)
EYnfo dall'Alaska (mir)
Apriamo il quadro! (attilio)
H7-25 (asdf)
Passione Elettrica (massimob)
Elettroni a spasso (guidob)
Bloguerra (guerra)

pigreco]=π