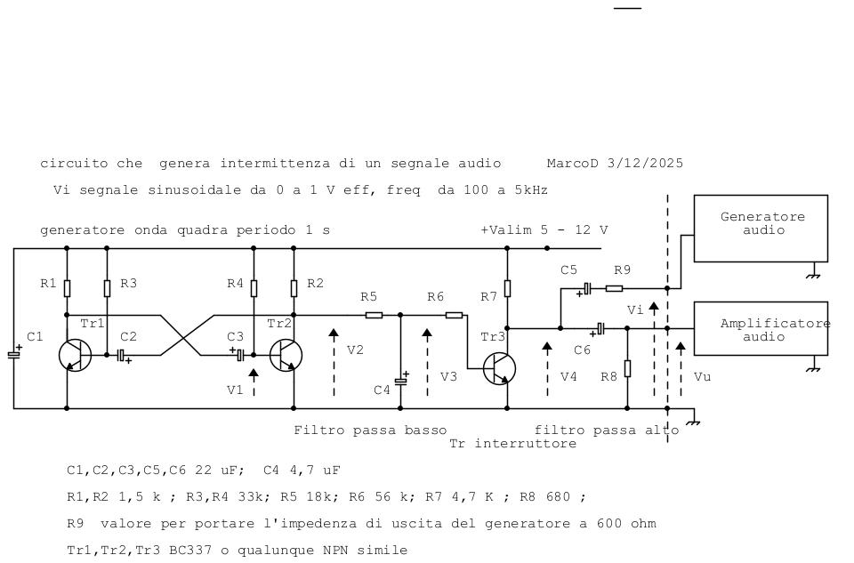
Ho realizzato il prototipo di cui allego schema.
Premetto che lo scopo era misurare artigianalmente la curva audiometrica relativa del mio udito, utilizzando un generatore di segnali audio e una cassa amplificata ex PC.
Avevo scoperto che percepisco meglio un segnale intermittente di uno continuo. Poi quello continuo è fastidioso, mentre quello pulsante a un secondo mi pare quasi rilassante.
In conclusione, ho realizzato il prototipo per divertimento.
La commutazione del transistor TR3 deve avvenire abbastanza lentamente, in modo da evitare il rumore di " bump " che si avvertirebbe in altoparlante con una commutazione brusca, anche in assenza di segnale audio.
Ma se la commutazione è troppo lenta vengono tagliate troppo le frequenze audio basse.
La realizzazione è classica, forse la avrei progettata uguale già 50 anni fa.
Chiedo suggerimenti su come il prototipo potrebbe venir realizzato in modo più economico o semplice con componenti moderni.
Allego anche una immagine dell'accrocchio.
Intermittenza per segnale audio
Moderatori:
carloc,
g.schgor,
BrunoValente,
IsidoroKZ
40 messaggi
• Pagina 1 di 4 • 1, 2, 3, 4
2
voti
Ciao Marco, il bump credo sia dovuto non tanto alla velocità di commutazione di Tr3 ma alla grossa componente continua che hai sul collettore di Tr3.
Se nei cassetti ti ritrovi ancora un JFet a canale N tipo 2N3819 o simile, che noi vecchietti conosciamo bene, potresti provare così
Se nei cassetti ti ritrovi ancora un JFet a canale N tipo 2N3819 o simile, che noi vecchietti conosciamo bene, potresti provare così
-

BrunoValente
39,6k 7 11 13 - G.Master EY

- Messaggi: 7796
- Iscritto il: 8 mag 2007, 14:48
1
voti
MarcoD ha scritto:Chiedo suggerimenti su come il prototipo potrebbe venir realizzato in modo più economico o semplice con componenti moderni.
Piú economico non saprei, usi molti componenti, ma è tutta roba che costa pochissimo.
Se invece vogliamo vedere come lo si potrebbe realizzare con meno componenti o in modo insolito e forse un po' divertente, allora forse ho un'idea (strampalata).
Si potrebbe prendere un LED di quelli che lampeggiano da soli, non gli serve nemmeno il resistore in serie:
https://www.sunledusa.com/products/spec/XBMDK53D.pdf
Lo attacchi con un po' di nastro isolante nero ad un fototransistor e il gioco è fatto. Immagino che il generatore di segnale sia in grado di imporre un offset DC. In tal caso basterebbe proprio poco:
Boiler
2
voti
Ciao
boiler, simpatico l'utilizzo del led lampeggiante, però ho un dubbio: il transistor chiuderebbe in modo bidirezionale? Se lo polarizzi con la continua eventualmente fornita dal generatore non produci comunque un bump?
Io ci metterei una fotoresistenza collegata a cavallo tra l'uscita del generatore e l'ingresso dell'amplificatore
Io ci metterei una fotoresistenza collegata a cavallo tra l'uscita del generatore e l'ingresso dell'amplificatore
-

BrunoValente
39,6k 7 11 13 - G.Master EY

- Messaggi: 7796
- Iscritto il: 8 mag 2007, 14:48
0
voti
Ringrazio tutti per i suggerimenti, che mi sono di spunto per meditazioni.
Purtroppo non dispongo dei 2N3819 o altri JFET canale N.
Ho un dubbio: Con JFET in ON senza polarizzazione, rimane in conduzione anche se La Vdrain diventa negativa rispetto la Vsource?
Potrei acquistare facilmente dei MOSFET 2N7000, ma dovrebbero avere un diodo interno di protezione fra source e drain che entra in conduzione per Vd < Vs e quindi senza polarizzazione sarebbero in sempre in conduzione per mezza semionda.
Molti anni fa avrei adoperato degli switch DG200 bidirezionali, ma richiedono una alimentazione duale, non conveniente.
Oltre al fenomeno del bump, ci sarebbe la commutazione che quando sfortunatamente la sinusoide è al massimo, si creerebbe un transitorio che può turbare la nota.
Rallentando la commutazione si risolve bump e transitorio.
Un miglioramento al mio circuito è limitare il valore della tensione di alimentazione poco oltre il massimo positivo della sinusoide da interrompere ( valim 3 V ? al posto di 6 o 9 V)
Purtroppo non dispongo dei 2N3819 o altri JFET canale N.
Ho un dubbio: Con JFET in ON senza polarizzazione, rimane in conduzione anche se La Vdrain diventa negativa rispetto la Vsource?
Potrei acquistare facilmente dei MOSFET 2N7000, ma dovrebbero avere un diodo interno di protezione fra source e drain che entra in conduzione per Vd < Vs e quindi senza polarizzazione sarebbero in sempre in conduzione per mezza semionda.
Molti anni fa avrei adoperato degli switch DG200 bidirezionali, ma richiedono una alimentazione duale, non conveniente.
Oltre al fenomeno del bump, ci sarebbe la commutazione che quando sfortunatamente la sinusoide è al massimo, si creerebbe un transitorio che può turbare la nota.
Rallentando la commutazione si risolve bump e transitorio.
Un miglioramento al mio circuito è limitare il valore della tensione di alimentazione poco oltre il massimo positivo della sinusoide da interrompere ( valim 3 V ? al posto di 6 o 9 V)
0
voti
Bella l'idea della fotoresistenza che avevo in effetti già utilizzata come optocoupler anni fa.
La fotoresistenza (Cds) con led o lampadina non necessita di alimentazione duale ed è relativamente lenta.
Si realizza in effetti un SSR fatto in casa adatto ad applicazioni particolari come questa.
La fotoresistenza (Cds) con led o lampadina non necessita di alimentazione duale ed è relativamente lenta.
Si realizza in effetti un SSR fatto in casa adatto ad applicazioni particolari come questa.
600 Elettra
1
voti
Un'altra opzione potrebbe essere il fotoaccoppiatore H11F1, con uscita a Fet, nel datasheet ci sono esempi di applicazioni audio, tra cui anche attenuatori.
saluti
saluti
0
voti
x
stefanopc Ho trovato questo:
https://en.wikipedia.org/wiki/Resistive_opto-isolator
Grazie
GiVi, vado a vedere.
https://en.wikipedia.org/wiki/Resistive_opto-isolator
Grazie
0
voti
Il fotoaccoppiatore H11F1 è sicuramente un ottimo candidato per questo genere di applicazione.
Va capito se ci si vuole arrangiare con il materiale giacente sul fondo del cassetto visto la applicazione molto poco critica da ogni punto di visita o si vuole provare un componente dedicato e specifico.
Volendo anche un relè reed potrebbe fare la sua bella figura magari con una resistenza di valore elevato in parallelo e una in serie per proteggere il contatto.
Ciao
Va capito se ci si vuole arrangiare con il materiale giacente sul fondo del cassetto visto la applicazione molto poco critica da ogni punto di visita o si vuole provare un componente dedicato e specifico.
Volendo anche un relè reed potrebbe fare la sua bella figura magari con una resistenza di valore elevato in parallelo e una in serie per proteggere il contatto.
Ciao
600 Elettra
40 messaggi
• Pagina 1 di 4 • 1, 2, 3, 4
Chi c’è in linea
Visitano il forum: Nessuno e 63 ospiti

Elettrotecnica e non solo (admin)
Un gatto tra gli elettroni (IsidoroKZ)
Esperienza e simulazioni (g.schgor)
Moleskine di un idraulico (RenzoDF)
Il Blog di ElectroYou (webmaster)
Idee microcontrollate (TardoFreak)
PICcoli grandi PICMicro (Paolino)
Il blog elettrico di carloc (carloc)
DirtEYblooog (dirtydeeds)
Di tutto... un po' (jordan20)
AK47 (lillo)
Esperienze elettroniche (marco438)
Telecomunicazioni musicali (clavicordo)
Automazione ed Elettronica (gustavo)
Direttive per la sicurezza (ErnestoCappelletti)
EYnfo dall'Alaska (mir)
Apriamo il quadro! (attilio)
H7-25 (asdf)
Passione Elettrica (massimob)
Elettroni a spasso (guidob)
Bloguerra (guerra)







