Buongiorno a Tutti,
per un progetto didattico devo sviluppare un circuito di amplificazione a MOS, dato in ingresso il segnale di un microfono e in uscita uno speaker.
Ho alcuni vincoli di progetto da rispettare:
Vin = 1 ÷ 10 mV e frequenza 1kHz ÷ 8kHz con resistenza serie di 100 ohm
Alimentazione: +/- 5V
THD massima: 0,3%
Massima potenza dissipata dal circuito: 500mW
variazione minimi di tensione in uscita: 100mW
capacità massima utilizzabile: 100nF
I MOS che devo utilizzare hanno queste caratteristiche:
µC'ox 70 µA/V² per i PMOS
µC'ox 200 µA/V² per I NMOS
Vt = 0,5V
L_min = 0.25 µm
Va = 50V
La mia idea iniziale era quella di progettare un circuito multistadio: primo stadio a NMOS con G=-10, secondo stadio a PMOS con G=-10 e infine uno stadio follower push-pull per pilotare il carico.
per quanto riguarda la progettazione dello stadio push-full sono già riuscito a simularlo correttamente con PSPICE e ottengo ottimi risultati per quanto riguarda il THD.
sto invece avendo più difficoltà nel progettare i primi due stadi, perché a 8kHz ottengo dei valori di THD superiori al 10%.
Vi chiedo quindi se secondo voi la strada che ho iniziato è corretta o se ci sono altre possibilità più semplici o più raffinate.
Lascio qui sotto il circuito che sto utilizzando per il primo stadio.
Amplificatore a MOS
Moderatori:
carloc,
g.schgor,
BrunoValente,
IsidoroKZ
12 messaggi
• Pagina 1 di 2 • 1, 2
0
voti
Benvenuto nel forum
Non sono in grado di aiutarti molto, fornisco solo "cattivi" consigli.
La tensione in ingresso è in Veff o Vpp ?
Che vuol dire?
E' l' escursione minima del segnale in uscita?
L'uscita di potenza è su un carico? Quale: 8,16,32, 600 ohm ?
Forse per ridurre la distorsione occorre introdurre una reazione negativa fra lo stadio finale e l'ingresso.
Gli stadi di ingresso amplificano un segnale piccolo, creano poca distorsione.
Anni fa sapevo che la distorsione dipende dalle non linearità e non dalla frequenza. Con quale valore di ampiezza l'hai misurata e come ?
Con un simulatore ?
La banda passante dell'amplificatore riguarda la frequenza.
Riporta lo schema di massima di tutto l'amplificatore.
Non sono in grado di aiutarti molto, fornisco solo "cattivi" consigli.
La tensione in ingresso è in Veff o Vpp ?
variazione minimi di tensione in uscita: 100mW
Che vuol dire?
E' l' escursione minima del segnale in uscita?
L'uscita di potenza è su un carico? Quale: 8,16,32, 600 ohm ?
Forse per ridurre la distorsione occorre introdurre una reazione negativa fra lo stadio finale e l'ingresso.
??perché a 8kHz ottengo dei valori di THD superiori al 10%.
Gli stadi di ingresso amplificano un segnale piccolo, creano poca distorsione.
Anni fa sapevo che la distorsione dipende dalle non linearità e non dalla frequenza. Con quale valore di ampiezza l'hai misurata e come ?
Con un simulatore ?
La banda passante dell'amplificatore riguarda la frequenza.
Riporta lo schema di massima di tutto l'amplificatore.
1
voti
Per limitare la distorsione devi polarizzare correttamente il MOS, a me sembra che tu abbia una VGS troppo piccola.
Supponiamo la distorsione solo dovuta alla 2^ armonica (HD2) e trascurando per il momento Rs hai
THD=Vgs/(4(VGS-VT)) quindi VGS-VT=50mV/(4*0,003)=4,16V quindi VGS=4,66V
La caduta sulla R2 (81K nel tuo caso) deve essere di 4,66V.
Quindi il punto centrale del partitore a -0,33V
Scegli le tue R1 ed R2 e riprova, saranno quasi uguali (es 120k e 100K).
Prova a calcolare che gm ottieni con questa polarizzazione e quindi a trovare la massima RD tale da non uscire dalla zona di saturazione in modo da avere un'idea su come sceglierla in base al guadagno che vuoi.
Considera che la degenerazione di source (Rs) ti migliora la THD di un fattore (1+gmRs), ma ti peggiora il guadagno.
Supponiamo la distorsione solo dovuta alla 2^ armonica (HD2) e trascurando per il momento Rs hai
THD=Vgs/(4(VGS-VT)) quindi VGS-VT=50mV/(4*0,003)=4,16V quindi VGS=4,66V
La caduta sulla R2 (81K nel tuo caso) deve essere di 4,66V.
Quindi il punto centrale del partitore a -0,33V
Scegli le tue R1 ed R2 e riprova, saranno quasi uguali (es 120k e 100K).
Prova a calcolare che gm ottieni con questa polarizzazione e quindi a trovare la massima RD tale da non uscire dalla zona di saturazione in modo da avere un'idea su come sceglierla in base al guadagno che vuoi.
Considera che la degenerazione di source (Rs) ti migliora la THD di un fattore (1+gmRs), ma ti peggiora il guadagno.
0
voti
sto valutando l'uscita, devi avere 100mV minimi, il che significa su uno speaker da 8 ohm 12mA, che darebbero al resistore di pullup una caduta di 90V!
Considera che lo stesso resisitore, avrà una polarizzazione DC diciamo a meta tensione di alimentazione, quindi l'escursione verso l'alto sarà la metà della tensione di alimentazione, secondo me non riuscirai mai con un carico da 8ohm, è diversa l'impedenza di uscita?
anche la polarizzazione del gate, mi sa bassa, considerando anche un mosfet con gate sensibile, un paio di volt li perdi, secondo me, quindi il gate deve essere almeno 2V piu alto del source,
mah forse con il 200 ohm verso massa potrebbe andare....
Sul Vout avrai un condensatore di disaccoppiamento?
Considera che lo stesso resisitore, avrà una polarizzazione DC diciamo a meta tensione di alimentazione, quindi l'escursione verso l'alto sarà la metà della tensione di alimentazione, secondo me non riuscirai mai con un carico da 8ohm, è diversa l'impedenza di uscita?
anche la polarizzazione del gate, mi sa bassa, considerando anche un mosfet con gate sensibile, un paio di volt li perdi, secondo me, quindi il gate deve essere almeno 2V piu alto del source,
Sul Vout avrai un condensatore di disaccoppiamento?
-

lelerelele
4.899 3 7 9 - Master

- Messaggi: 5505
- Iscritto il: 8 giu 2011, 8:57
- Località: Reggio Emilia
0
voti
"Non farei mai parte di un club che accettasse la mia iscrizione" (G. Marx)
-

claudiocedrone
21,3k 4 7 9 - Master EY

- Messaggi: 15302
- Iscritto il: 18 gen 2012, 13:36
0
voti
Esplicito solo qualche calcolo di dimensionamento di massima:
Basandomi sui dati (in verità un poco dubbi):
500 mW potenza max assorbita / +5 V alimentaz = 0,1 A corrente massima assorbita.
5 V / 0,1 = 50 ohm carico dall'amplificatore di potenza, trascurando perdite e limiti di escursione varie.
probabilmente il carico è il valore standard di 32 ohm.
5 V / 10 mV = 500 amplificazione complessiva dell'amplificatore (due stadi con guadagno x 25 ?)
Vin = 1 ÷ 10 mV e frequenza 1kHz ÷ 8kHz con resistenza serie di 100 ohm
Alimentazione: +/- 5V
THD massima: 0,3%
Massima potenza dissipata dal circuito: 500mW
Basandomi sui dati (in verità un poco dubbi):
500 mW potenza max assorbita / +5 V alimentaz = 0,1 A corrente massima assorbita.
5 V / 0,1 = 50 ohm carico dall'amplificatore di potenza, trascurando perdite e limiti di escursione varie.
probabilmente il carico è il valore standard di 32 ohm.
5 V / 10 mV = 500 amplificazione complessiva dell'amplificatore (due stadi con guadagno x 25 ?)
1
voti
Grazie a tutti per le risposte.
Provo a rimettere un po' in ordine le mie idee.
la tensione è in Vp.
vuol dire che a fronte di una sinusoide di ingresso a 1mV devo ottenere in uscita una sinusoidi con ampiezza minima di 100mV.
Il carico è di 100ohm
La questione della distorsione in frequenza la lascio un attimo da parte perché potrei avere sbagliato qualche impostazione sul simulatore (uso orCAD PSIPCE).
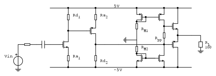
Questo è lo schema che ho pensato di utilizzare.
Ho fatto delle altre prove aumentando la tensione di overdrive a 2 volt per ogni MOS, inoltre ho provato ad utilizzare uno schema di amplificazione con generatore di corrente al drain in parallelo alla resistenza di drain.
Ho scelto una corrente di 55 uA cosi da utilizzare un generatore da 50 uA e massimizzare il valore delle resistenza così da massimizzare il guadagno. Con due stadi di questo tipo ottengo dei valori ottimi di guadagno (anche superiori a 100), ma nel momento in cui considero i MOS reali con r0 finita il guadagno crolla.
Ora stavo pensando ad uno stadio solo polarizzato in modo da avere una tensione di bias in uscita vicina a 0 così da poter inserire una resistenza di retroazione e avere una massa virtuale al gate.
Provo a rimettere un po' in ordine le mie idee.
La tensione in ingresso è in Veff o Vpp ?
la tensione è in Vp.
E' l' escursione minima del segnale in uscita?
L'uscita di potenza è su un carico? Quale: 8,16,32, 600 ohm ?
vuol dire che a fronte di una sinusoide di ingresso a 1mV devo ottenere in uscita una sinusoidi con ampiezza minima di 100mV.
Il carico è di 100ohm
La questione della distorsione in frequenza la lascio un attimo da parte perché potrei avere sbagliato qualche impostazione sul simulatore (uso orCAD PSIPCE).
Riporta lo schema di massima di tutto l'amplificatore.
Questo è lo schema che ho pensato di utilizzare.
Ho fatto delle altre prove aumentando la tensione di overdrive a 2 volt per ogni MOS, inoltre ho provato ad utilizzare uno schema di amplificazione con generatore di corrente al drain in parallelo alla resistenza di drain.
Ho scelto una corrente di 55 uA cosi da utilizzare un generatore da 50 uA e massimizzare il valore delle resistenza così da massimizzare il guadagno. Con due stadi di questo tipo ottengo dei valori ottimi di guadagno (anche superiori a 100), ma nel momento in cui considero i MOS reali con r0 finita il guadagno crolla.
Ora stavo pensando ad uno stadio solo polarizzato in modo da avere una tensione di bias in uscita vicina a 0 così da poter inserire una resistenza di retroazione e avere una massa virtuale al gate.
0
voti
come polarizzi lo stadio di ingresso? ti sei persa la retroazione?
ti chiedo come lavorano i 4 mosfet speculari? quelli collegati a RM1, RM2, Rpp, servono per la polarizzazione d'uscita? non l'ho mai vista....
ti chiedo come lavorano i 4 mosfet speculari? quelli collegati a RM1, RM2, Rpp, servono per la polarizzazione d'uscita? non l'ho mai vista....
-

lelerelele
4.899 3 7 9 - Master

- Messaggi: 5505
- Iscritto il: 8 giu 2011, 8:57
- Località: Reggio Emilia
12 messaggi
• Pagina 1 di 2 • 1, 2
Chi c’è in linea
Visitano il forum: Google [Bot] e 60 ospiti

Elettrotecnica e non solo (admin)
Un gatto tra gli elettroni (IsidoroKZ)
Esperienza e simulazioni (g.schgor)
Moleskine di un idraulico (RenzoDF)
Il Blog di ElectroYou (webmaster)
Idee microcontrollate (TardoFreak)
PICcoli grandi PICMicro (Paolino)
Il blog elettrico di carloc (carloc)
DirtEYblooog (dirtydeeds)
Di tutto... un po' (jordan20)
AK47 (lillo)
Esperienze elettroniche (marco438)
Telecomunicazioni musicali (clavicordo)
Automazione ed Elettronica (gustavo)
Direttive per la sicurezza (ErnestoCappelletti)
EYnfo dall'Alaska (mir)
Apriamo il quadro! (attilio)
H7-25 (asdf)
Passione Elettrica (massimob)
Elettroni a spasso (guidob)
Bloguerra (guerra)



