Cos'è ElectroYou | Login Iscriviti

ElectroYou - la comunità dei professionisti del mondo elettrico

Amplificatore a MOS

Elettronica lineare e digitale: didattica ed applicazioni

Moderatori: Foto Utentecarloc, Foto Utenteg.schgor, Foto UtenteBrunoValente, Foto UtenteIsidoroKZ

0
voti

[11] Re: Amplificatore a MOS

Messaggioda Foto UtenteMarcoD » 12 dic 2025, 9:06

MarcoD, riguardo i tuoi calcoli in [6] vedi che la tensione di alimentazione è di 10 V non di 5 (alimentazione duale)...

A parte possibili malintesi, non condivido.
Il carico è fra l'uscita e il riferimento comune. Il carico viene alternativamente "tirato su" a + 5V da un MOS o "tirato giù" a -5 V dall'altro MOS, si parla di potenza massima in continua assorbita, quindi la corrente massima di ogni ramo dovrebbe essere 0,5 W / 5 V = 0,1 A.
La corrente massima media di ogni ramo dovrebbe essere la metà, ma i rami sono due , ritorna 0,1 A O_/
Avatar utente
Foto UtenteMarcoD
12,2k 5 9 13
Master EY
Master EY
 
Messaggi: 6696
Iscritto il: 9 lug 2015, 16:58
Località: Torino

1
voti

[12] Re: Amplificatore a MOS

Messaggioda Foto Utentegill90 » 19 dic 2025, 12:47

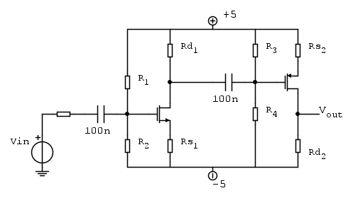
Non so se era sottinteso nel tuo schema, ma separa bene polarizzazione e segnale:


Mi pare di aver capito che le specifiche si traducano fondamentalmente in guadagno=100 e THD<0.3%.
FM4ker ha scritto:sto invece avendo più difficoltà nel progettare i primi due stadi, perché a 8kHz ottengo dei valori di THD superiori al 10%.

10% è alto, significa che l'uscita ti satura. Ho l'impressione anche io che non stai polarizzando bene gli stadi.
FM4ker ha scritto:Con due stadi di questo tipo ottengo dei valori ottimi di guadagno (anche superiori a 100), ma nel momento in cui considero i MOS reali con r0 finita il guadagno crolla.

Probabilmente utilizzi come carico un valore troppo alto, che si avvicina molto alla r_0 del transistor. Ti consiglio di riprendere il circuito con carichi resistivi e vedere cosa puoi tirare fuori da quello.

Come dice Foto UtenteGioArca67, oltre a una polarizzazione ben fatta, l'uso di una degenerazione di source ti aiuta a linearizzare l'operazione e ti riduce il THD a discapito di un guadagno più basso, però mi sembra che la riduzione di THD sia più alta, va con (1+g_mR_s)^2.

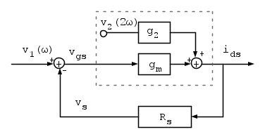
Se consideri un common source senza degenerazione (source a massa), supponendo il MOS in saturazione e usando la legge quadratica, quando gli dai in pasto un'armonica di v_{gs} con ampiezza v_{i} e pulsazione \omega_0, sulla corrente ti ritrovi la generazione di un'altra armonica a 2\omega_0, con THD=v_{i}/4V_{OV}.
Se ora aggiungi una resistenza di degenerazione, ti ritrovi un sistema di questo tipo:

Gli aggiungi cioè una retroazione che "desensibilizza" il sistema dai segnali non voluti. Il blocco ()^2 è un blocco non lineare che rappresenta la tua funzione di trasferimento del MOS. Linearizzando questo sistema ottieni qualcosa di simile:

In pratica suppongo che il mio sistema amplifichi l'armonica di base con il guadagno linearizzato (la g_m) e in più introduca nel loop un'armonica a 2\omega.
Siccome tu piloti sempre il gate (v_g), hai due vantaggi rispetto allo stadio senza R_s:
- Riduci l'ammontare di tensione che cade sulla v_{gs}, che ora diventa v_{gs}=v_{in}\frac{1}{1+g_mR_s}.
- Il guadagno d'anello che introduci va ad abbassare la seconda armonica generata al suo interno. In pratica, mentre a pulsazione \omega il sistema regola il valore che si trova come riferimento all'ingresso, a 2\omega il riferimento da regolare è nullo perché tu non hai quell'armonica in ingresso: questo segnale viene visto alla stregua di un disturbo, e in quanto tale il loop agisce con il suo guadagno d'anello riducendolo di un valore (1-G_{loo p})=(1+g_mR_s).

La combinazione di questi due elementi fa sì che il THD si riduca di un valore (1+g_mR_s)^2 rispetto a un common source senza degenerazione.

Detto ciò, sapendo che il guadagno vale \frac{g_mR_D}{1+g_mR_s} e THD=\frac{v_{in}}{4V_{OV}(1+g_mR_s)^2} puoi calcolarti analiticamente in prima approssimazione gli ingredienti che ti servono per stare dentro ai requisiti di guadagno e distorsione richiesti.
Avatar utente
Foto Utentegill90
4.146 3 7 12
G.Master EY
G.Master EY
 
Messaggi: 1134
Iscritto il: 1 set 2011, 16:18

Precedente

Torna a Elettronica generale

Chi c’è in linea

Visitano il forum: Nessuno e 225 ospiti