danielealfa ha scritto:accendere il led del opto triac per 1, 2 secondi in piu dopo che viene tolta. la 230 volt
come era la richiesta del post
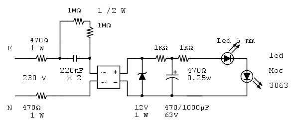
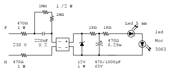
Il circuito, attraverso la capacità fa quello che chiedi, mantiene alimentato l'opto per un periodo dopo che è stata tolta la alimentazione, certo che 2 secondi sembrano pochi, ma nella raltà di questo circuito sono molti, per avere una durata maggiore, (escludendo l'uso di un convertitore), devi sdoppiare la resistenza da 470 ohm, metterne magari 2 da 1Kohm, sul punto centale andare a mettere il condensatore, piu riesci a tenere alte le resistenze e tenere alto il valore di tensione del condensatore avrai una maggiore durata del tempo, magari metterne uno a 63V, ed anche metterne piu di uno da 1000uF dovresti trovare il modo di raggiungere i 2 secondi, è necessario trovare un bilanciamento tra questi componenti.
saluti.

Elettrotecnica e non solo (admin)
Un gatto tra gli elettroni (IsidoroKZ)
Esperienza e simulazioni (g.schgor)
Moleskine di un idraulico (RenzoDF)
Il Blog di ElectroYou (webmaster)
Idee microcontrollate (TardoFreak)
PICcoli grandi PICMicro (Paolino)
Il blog elettrico di carloc (carloc)
DirtEYblooog (dirtydeeds)
Di tutto... un po' (jordan20)
AK47 (lillo)
Esperienze elettroniche (marco438)
Telecomunicazioni musicali (clavicordo)
Automazione ed Elettronica (gustavo)
Direttive per la sicurezza (ErnestoCappelletti)
EYnfo dall'Alaska (mir)
Apriamo il quadro! (attilio)
H7-25 (asdf)
Passione Elettrica (massimob)
Elettroni a spasso (guidob)
Bloguerra (guerra)





