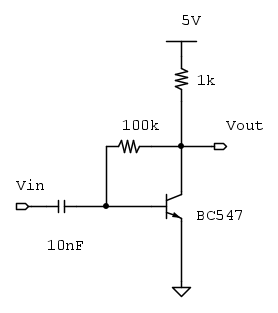
Come front end usano un semplice BJT con retroazione e polarizzazione fra collettore e base da 100k
Dimensionare componenti amplificatore passa banda
Moderatori:
carloc,
g.schgor,
BrunoValente,
IsidoroKZ
20 messaggi
• Pagina 2 di 2 • 1, 2
0
voti
Tornando allo schema originale,
mi sembra che i BJT non siano in zona attiva
Tagliando con l'accetta
Q1
polarizzazione, supponiamo Ib trascurabile
14*2200/(2200+330)=12,2V
Se Q1 ON Vbe=0,7V quindi Ve=12,2-0,7=11,5V
Ie=11,5/560=20mA
Ic=Ie=20mA
Vc=14-1k*20m=-6V -> ipotesi errate
Sul ramo di collettore possono passare massimo
14/1560=9mA
con 9mA abbiamo Vc a 14-9m*1k=5V e Ve pure
Mi chiedo...
ma non è che volessero usare dei pnp?
mi sembra che i BJT non siano in zona attiva
Tagliando con l'accetta
Q1
polarizzazione, supponiamo Ib trascurabile
14*2200/(2200+330)=12,2V
Se Q1 ON Vbe=0,7V quindi Ve=12,2-0,7=11,5V
Ie=11,5/560=20mA
Ic=Ie=20mA
Vc=14-1k*20m=-6V -> ipotesi errate
Sul ramo di collettore possono passare massimo
14/1560=9mA
con 9mA abbiamo Vc a 14-9m*1k=5V e Ve pure
Mi chiedo...
ma non è che volessero usare dei pnp?
0
voti
Allego la correzione dei valori dello schema originale, ricevuta dall'autore, l'errore era dovuto a uno scambio di file. Questo aggiornamento ha valori quasi ragionevoli.
Soltanto aumenterei R5 da 1,5 a circa 8,2kohm per avvicinare la V emettitore di Q2 a circa metà della V alimentazione.
Però ripensando lo schema, è inutile avere un collettore comune in uscita: il carico presentato dall'ingresso PIC non è così basso.
Meglio è spostare in ingresso lo stadio a collettore comune in modo da avere un'alta impedenza in ingresso per non caricare troppo i VFO, e mettere in uscita lo stadio a emettitore comune, per guadagnare almeno 10 o 20 volte in tensione.
Inoltre, alimentado a 5 V con la tessa tensione del PIC, non si corre il rischio di sovrapilotare l'ingresso PIC e si può risparmiare un condensatore di accoppiamento.
( Il fatto, è che in ogni campo della progettazione, fare le cose bene o al meglio non è facile
0
voti
MarcoD ha scritto:GioArca67, condivido il tuo post.
Allego la correzione dei valori dello schema originale, ricevuta dall'autore, l'errore era dovuto a uno scambio di file. Questo aggiornamento ha valori quasi ragionevoli.
Non mi sembrano ragionevoli: Q2 è abbondantemente saturo o sbaglio?
-

BrunoValente
39,6k 7 11 13 - G.Master EY

- Messaggi: 7796
- Iscritto il: 8 mag 2007, 14:48
0
voti
Non sbagli.Non mi sembrano ragionevoli: Q2 è abbondantemente saturo o sbaglio?
Nel messaggio, ho scritto che si dovrebbe aumentare R5 da 1,5 a 8,2 k ohm.
1
voti
Non è la prima volta che su RK pubblichino progetti improbabili, sono finiti i tempi in cui dietro una rivista di elettronica c'era anche una parvenza di laboratorio e qualche tecnico che vagliava i progetti prima di mandarli in stampa.
Già da un po' di anni si sono ridotti a pubblicare qualsiasi cosa, hanno sdoganato tutto, anche i circuiti disegnati senza alcun criterio, come quelli che disegnava uno dei miei figli all'età di 4-5 anni scopiazzando i miei... è per questo che già da tempo ho smesso di acquistare riviste di elettronica.
Già da un po' di anni si sono ridotti a pubblicare qualsiasi cosa, hanno sdoganato tutto, anche i circuiti disegnati senza alcun criterio, come quelli che disegnava uno dei miei figli all'età di 4-5 anni scopiazzando i miei... è per questo che già da tempo ho smesso di acquistare riviste di elettronica.
-

BrunoValente
39,6k 7 11 13 - G.Master EY

- Messaggi: 7796
- Iscritto il: 8 mag 2007, 14:48
0
voti
Fornisco i valori calcolati " a naso" del mio schema:
R1 10k
R2 10k
R3 1k
R4A = R4B 47 k
R5 1k
R6 33 ohm
C1 47 pF
C2 1 nF
C3 1 nF elimina la C ingresso equivalente per effetto Miller
C4 100 pF o nulla
Che valori mettereste?
Però non so stimare/calcolare la frequenza di taglio superiore.
R1 10k
R2 10k
R3 1k
R4A = R4B 47 k
R5 1k
R6 33 ohm
C1 47 pF
C2 1 nF
C3 1 nF elimina la C ingresso equivalente per effetto Miller
C4 100 pF o nulla
Che valori mettereste?
Però non so stimare/calcolare la frequenza di taglio superiore.
0
voti
I valori dei condensatori nello schema proposto continuano ad essere a casaccio....
forse non leggo bene, ma 2.2n di degenerazione di Q1 non permetterà mai di arrivare a 100kHz con un guadagno accettabile.
47m di disaccoppiamento fra gli stadi non sono enormi?
I tui forse meglio
Se metti tutti condensatori in serie al segnale da 220p e quelli verso massa da 330n per me amplifica quel che serve nella banda di interesse.
Ma c'è un errore proprio concettuale: il condensatore in uscita... quel circuito non è minimamente pensato per essere accoppiato ad un microcontrollore.
forse non leggo bene, ma 2.2n di degenerazione di Q1 non permetterà mai di arrivare a 100kHz con un guadagno accettabile.
47m di disaccoppiamento fra gli stadi non sono enormi?
I tui forse meglio
Se metti tutti condensatori in serie al segnale da 220p e quelli verso massa da 330n per me amplifica quel che serve nella banda di interesse.
Ma c'è un errore proprio concettuale: il condensatore in uscita... quel circuito non è minimamente pensato per essere accoppiato ad un microcontrollore.
0
voti
MarcoD ha scritto:Fornisco i valori calcolati " a naso" del mio schema:
C1 47 pF
C2 1 nF
C3 1 nF elimina la C ingresso equivalente per effetto Miller
C4 100 pF o nulla
Che valori mettereste?
Però non so stimare/calcolare la frequenza di taglio superiore.
C1 da 47p mi sembra che tagli troppo in alto se si vogliono almeno 100kHz, mi sembra che la frequenza di taglio del passa-alto costituito da C1 e R1//R2 è di circa 670kHz.
Io metterei almeno 330p in modo da abbassarla a non più di 140kHz.
Abbasserei C2
20 messaggi
• Pagina 2 di 2 • 1, 2
Chi c’è in linea
Visitano il forum: Nessuno e 38 ospiti

Elettrotecnica e non solo (admin)
Un gatto tra gli elettroni (IsidoroKZ)
Esperienza e simulazioni (g.schgor)
Moleskine di un idraulico (RenzoDF)
Il Blog di ElectroYou (webmaster)
Idee microcontrollate (TardoFreak)
PICcoli grandi PICMicro (Paolino)
Il blog elettrico di carloc (carloc)
DirtEYblooog (dirtydeeds)
Di tutto... un po' (jordan20)
AK47 (lillo)
Esperienze elettroniche (marco438)
Telecomunicazioni musicali (clavicordo)
Automazione ed Elettronica (gustavo)
Direttive per la sicurezza (ErnestoCappelletti)
EYnfo dall'Alaska (mir)
Apriamo il quadro! (attilio)
H7-25 (asdf)
Passione Elettrica (massimob)
Elettroni a spasso (guidob)
Bloguerra (guerra)



