buona sera a tutti,
da questo schema, posso eliminare il pulsante ed usare come impulso il momento in cui viene alimentato?
poi devo sostituire la resistenza con una resistenza fissa piu trimmer . ma quello non e un problema.
devo comandare un paio i led dopo 10 secondi , regolabili, ecco il perche' del trimmer.
l uscita deve essere alta dopo il tempo impostato .
posso anche invertire l uscita con 2 transistor, ma se posso evitare,
https://www.circuitdiagram.org/power-on-delay-using-555-timer.html?utm_source=chatgpt.com
qui un altro schema
https://electronics.stackexchange.com/questions/353112/delay-turn-on-circuit-using-555
grazie mille
Ritardo con NE555
Moderatori:
carloc,
g.schgor,
BrunoValente,
IsidoroKZ
30 messaggi
• Pagina 1 di 3 • 1, 2, 3
1
voti
No, non funziona per (almeno) due motivi:
- il trigger ha logica negativa: va "tirato giú" per avviare un ciclo
- il trigger non lavora sul fronte, ma sul livello, quindi dovresti anche assicurarti che ritorni alto (che è un problema simile a quello che stai affrontando, insomma il serpente si morde la coda)
Se spieghi meglio cosa vuoi fare, una soluzione la si trova.
Questi LED li vuoi accendere o spegnere dopo un certo intervallo che parte dall'alimentazione?
Spiega a parole, ma con precisione, cosa ti serve.
Boiler
- il trigger ha logica negativa: va "tirato giú" per avviare un ciclo
- il trigger non lavora sul fronte, ma sul livello, quindi dovresti anche assicurarti che ritorni alto (che è un problema simile a quello che stai affrontando, insomma il serpente si morde la coda)
Se spieghi meglio cosa vuoi fare, una soluzione la si trova.
Questi LED li vuoi accendere o spegnere dopo un certo intervallo che parte dall'alimentazione?
Spiega a parole, ma con precisione, cosa ti serve.
Boiler
0
voti
grazie della tua risposta,
a me serve che porti a vcc l uscita dopo il tempo impostato.
e che ci resti fino a quando non tolgo e rido la tensione.
l uscita parte low per il tempo , dopo resta a vcc- high
a me serve che porti a vcc l uscita dopo il tempo impostato.
e che ci resti fino a quando non tolgo e rido la tensione.
l uscita parte low per il tempo , dopo resta a vcc- high
-

danielealfa
243 2 4 7 - Expert

- Messaggi: 1313
- Iscritto il: 27 mag 2009, 22:51
0
voti
La soluzione probabilmente piú semplice è l'utilizzo di un comparatore che confronta la tensione di un condensatore caricato lentamente dall'alimentazione stessa e una tensione di riferimento.
Ti basta per buttar giú qualcosa o vuoi uno schema?
Se vuoi lo schema, vanno bene anche componenti SMD o serve roba THT?
Quanto preciso e quanto ripetibile deve essere questo intervallo?
Boiler
Ti basta per buttar giú qualcosa o vuoi uno schema?
Se vuoi lo schema, vanno bene anche componenti SMD o serve roba THT?
Quanto preciso e quanto ripetibile deve essere questo intervallo?
Boiler
0
voti
se non chiedo troppo lo schema mi farebbe comodo.
mi serve in tht per le basette classiche ,
e come precisione non ho troppe pretese,
piu che altro , quando viene spento e acceso sia piu o meno lo stesso tempo ,
mi serve in tht per le basette classiche ,
e come precisione non ho troppe pretese,
piu che altro , quando viene spento e acceso sia piu o meno lo stesso tempo ,
-

danielealfa
243 2 4 7 - Expert

- Messaggi: 1313
- Iscritto il: 27 mag 2009, 22:51
3
voti
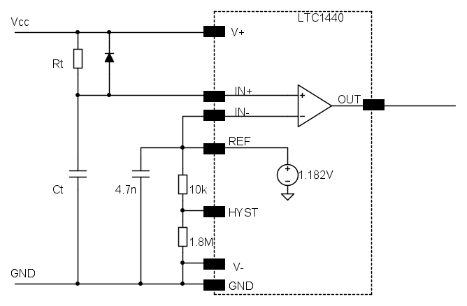
Al centro del circuito c'è un LTC1440. È disponibile in DIP-8.
L'uscita commuta quando la tensione sul condensatore di timing (Ct) raggiunge 1.182 V.
Questo tempo dipende ovviamente da Ct e Rt:

E da Vcc! Questo è il motivo per cui chiedevo quanta precisione ti serve. Se Vcc non è stabile, non sarà costante nemmeno l'intervallo. Si può risolvere elegantemente sostituendo il resistore con una REF200.
Il condensatore deve imperativamente essere di tipo C0G, NPO o di tipo plastico (PS, PP, PPS...).
Assolutamente da evitare gli elettrolitici (tantalio compreso) e i ceramici di classe 2 (X7R et similia).
Il resistore va scelto in modo che la corrente di carica del condensatore sia almeno un paio di ordini di grandezza superiore alla corrente di bias del comparatore. Quest'ultima è garantita inferiore a 1 nA, quindi non è un criterio difficile da soddisfare.
Il diodo serve a scaricare velocemente il condensatore in caso di interruzione dell'alimentazione, in modo da assicurare un reset del circuito. La sua corrente di leakage va a falsare il timing, deve quindi essere bassa (a tutte le temperature!) rispetto a quella che scorre nel resistore. Un umile 1N4148 potrebbe essere un buon candidato.
Gli altri due resistori e il condensatore servono a settare l'isteresi e stabilizzare il riferimento di tensione. Se usi componenti con altri valori (anche scostamenti di poco!) assicurati di rimanere entro le specifiche del componente, altrimenti vai incontro a malfunzionamenti e potenzialmente a danni all'IC.
Verifica che la corrente all'uscita sia entro i limite del componente.
Omesso nello schema, ma necessario, è un condensatore ceramico (qui va benissimo un X7R) da 100 nF tra Vcc e GND, montato il piú vicino possibile ai relativi piedini dell'IC.
Saluti, Boiler
0
voti
grazie, ma per l uso che devo farne io posso usare un comparatore di quelli comuni,
-

danielealfa
243 2 4 7 - Expert

- Messaggi: 1313
- Iscritto il: 27 mag 2009, 22:51
0
voti
boiler ha scritto:Assolutamente da evitare gli elettrolitici (tantalio compreso) e i ceramici di classe 2 (X7R et similia).
Pensandoci bene, qui si può usare anche un X7R o X5R. Il problema è che la loro capacità viene modulata dalla tensione ai loro capi. Però qui ci interessa che questo effetto sia trascurabile tra 0 e 1.2V. Con un qualsiasi X7R da 20V o piú di tensione nominale del DC-bias non ce ne accorgiamo neanche.
Se puoi però resta sugli altri che ti ho citato.
Boiler
30 messaggi
• Pagina 1 di 3 • 1, 2, 3
Chi c’è in linea
Visitano il forum: Nessuno e 224 ospiti

Elettrotecnica e non solo (admin)
Un gatto tra gli elettroni (IsidoroKZ)
Esperienza e simulazioni (g.schgor)
Moleskine di un idraulico (RenzoDF)
Il Blog di ElectroYou (webmaster)
Idee microcontrollate (TardoFreak)
PICcoli grandi PICMicro (Paolino)
Il blog elettrico di carloc (carloc)
DirtEYblooog (dirtydeeds)
Di tutto... un po' (jordan20)
AK47 (lillo)
Esperienze elettroniche (marco438)
Telecomunicazioni musicali (clavicordo)
Automazione ed Elettronica (gustavo)
Direttive per la sicurezza (ErnestoCappelletti)
EYnfo dall'Alaska (mir)
Apriamo il quadro! (attilio)
H7-25 (asdf)
Passione Elettrica (massimob)
Elettroni a spasso (guidob)
Bloguerra (guerra)

