Cos'è ElectroYou | Login Iscriviti

ElectroYou - la comunità dei professionisti del mondo elettrico

Ritardo con NE555

Elettronica lineare e digitale: didattica ed applicazioni

Moderatori: Foto Utentecarloc, Foto Utenteg.schgor, Foto UtenteBrunoValente, Foto UtenteIsidoroKZ

0
voti

[11] Re: Ritardo con NE555

Messaggioda Foto Utenteboiler » 10 gen 2026, 1:35

danielealfa ha scritto:grazie, ma per l uso che devo farne io posso usare un comparatore di quelli comuni,

Fai come credi.
Avatar utente
Foto Utenteboiler
26,4k 5 9 13
G.Master EY
G.Master EY
 
Messaggi: 5602
Iscritto il: 9 nov 2011, 12:27

0
voti

[12] Re: Ritardo con NE555

Messaggioda Foto Utentedanielealfa » 10 gen 2026, 1:51

ma non volevo essere scortese
Avatar utente
Foto Utentedanielealfa
243 2 4 7
Expert
Expert
 
Messaggi: 1313
Iscritto il: 27 mag 2009, 22:51

1
voti

[13] Re: Ritardo con NE555

Messaggioda Foto Utentelucaking » 10 gen 2026, 9:29

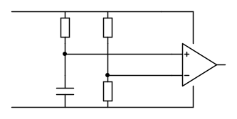
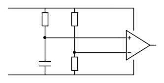
Credo che si possa fare anche con un comune comparatore, (tipo lm311) pero il circuito cambia, quantomeno con l'aggiunta di un riferimento di tensione (tipo TL431) che i normali comparatori non hanno integrato.
Il vantaggio del circuito proposto da Foto Utenteboiler è che con un circuito semplice e pochi componeti esterni, si può ottenere una discreta precisione.

Conta che solo il TL431 standard dichiara una tolleranza sulla tensione del 2%, mentre l' LTC1440 dell' 1%.
Avatar utente
Foto Utentelucaking
1.651 4 5 8
Expert
Expert
 
Messaggi: 1445
Iscritto il: 29 mag 2015, 14:28

0
voti

[14] Re: Ritardo con NE555

Messaggioda Foto Utenteboiler » 10 gen 2026, 10:29

danielealfa ha scritto:ma non volevo essere scortese

Nessun problema, non lo sei stato. Però un effetto un po' strano lo fa quando mi chiedi di fare lo schema (presumibilmente perché avresti difficoltà a farlo tu) poi però me lo "correggi" dicendo che va bene anche un altro componente.

Detto questo, come dice Foto Utentelucaking si può usare anche un altro comparatore e si può omettere anche il riferimento, addirittura ottenendo una soluzione raziometrica che diventa indipendente dalla tensione di alimentazione. Funziona però solo se l'alimentazione è ragionevolmente stabile.

Avatar utente
Foto Utenteboiler
26,4k 5 9 13
G.Master EY
G.Master EY
 
Messaggi: 5602
Iscritto il: 9 nov 2011, 12:27

0
voti

[15] Re: Ritardo con NE555

Messaggioda Foto Utentedanielealfa » 10 gen 2026, 10:49

meno male , io non pensavo che usassi componenti strani,
intendevo dire , ,che per l uso che ne devo fare non mi serve una cosa precisa
visto che in casa non ho tanta roba
ho dei lm 393 e dei 548 e dei tl081 e 82
l alimentazione e' abbastanza stabile e regolata da un lm317
Avatar utente
Foto Utentedanielealfa
243 2 4 7
Expert
Expert
 
Messaggi: 1313
Iscritto il: 27 mag 2009, 22:51

0
voti

[16] Re: Ritardo con NE555

Messaggioda Foto Utenteboiler » 10 gen 2026, 11:10

danielealfa ha scritto:io non pensavo che usassi componenti strani

Cos'è un componente strano?
Tutto quello inventato dopo il 1980 sembrerebbe strano agli occhi dell'elettro-community in internet. In quest'ottica, l'LTC1440 in effetti è giovanissimo, sul mercato da soli trent'anni!

ho dei lm 393 e dei 548 e dei tl081 e 82

L'unico comparatore è l'LM393, gli altri sono opamps.

l alimentazione e' abbastanza stabile e regolata da un lm317

Prova con l'ultimo circuito, dovrebbe bastare. Ci si può sempre mettere uno zener come update sostituendo il resistore in basso, se necessario.

Boiler
Avatar utente
Foto Utenteboiler
26,4k 5 9 13
G.Master EY
G.Master EY
 
Messaggi: 5602
Iscritto il: 9 nov 2011, 12:27


0
voti

[18] Re: Ritardo con NE555

Messaggioda Foto UtenteEtemenanki » 10 gen 2026, 13:26

Mi viene da pensare ad una cosa ... il 555, in configurazione monostabile standard, dovrebbe gia iniziare di suo un ciclo di temporizzazione all'applicazione dell'alimentazione, quindi gia fare la temporizzazione che vuoi, in quelle condizioni (ricorda che l'uscita del 555 e' un push-pull, quindi il carico lo puoi collegare sia verso massa, sia verso il positivo, secondo se lo vuoi acceso o spento durante la temporizzazione).

Ovviamente pero', il tempo nel quale togli l'alimentazione fra le due temporizzazioni, dovra' essere abbastanza lungo da permettere al condensatore di scaricarsi, se vuoi ottenere sempre la stessa temporizzazione ad ogni ciclo ... voglio dire che se vuoi una temporizzazione stabile e sempre uguale di, diciamo, 10 secondi, se poi l'alimentazione la togli solo un secondo o due per cui il condensatore principale non fa in tempo a scaricarsi, la cosa diventa impossibile senza qualcosa che scarichi velocemente il condensatore quando la tensione e' assente.

Magari si potebbe risolvere con un piccolo MOS di tipo "depletion" che scarichi il condensatore su una resistenza quando viene a mancare l'alimentazione (contrariamente ai normali mosfet "enhancement", i "depletion" sono in stato ON senza pilotaggio sul gate e si aprono quando si applica una tensione sul gate), ma sarebbero comunque altri componenti aggiunti, anche se pochi ... semmai il problema potrebbe essere la reperibilita', i mosfet "depletion" sono ormai una specie in via di estinzione, se lo spazio lo consente e non si trova un mosfet ( o jfet ? ) depletion, forse un microrele' potrebbe essere meglio (lo so, sembra di sparare alle zanzare con una doppietta a pallettoni, usare un rele, ma "rischia" di essere la soluzione piu semplice e con meno componenti aggiuntivi), microrele' DIP o G6K o qualche altro modello simile in miniatura e "ben" una resistenza, tanto per non chiudere il contatto NC del rele' brutalmente sul condensatore.
"Sopravvivere" e' attualmente l'unico lusso che la maggior parte dei Cittadini italiani,
sia pure a costo di enormi sacrifici, riesce ancora a permettersi.
Avatar utente
Foto UtenteEtemenanki
9.517 3 6 10
Master
Master
 
Messaggi: 5940
Iscritto il: 2 apr 2021, 23:42
Località: Dalle parti di un grande lago ... :)

0
voti

[19] Re: Ritardo con NE555

Messaggioda Foto Utentedanielealfa » 10 gen 2026, 13:47

con il 555 avevo visto anche questo
Immagine
https://i.sstatic.net/jT3PU.png
Avatar utente
Foto Utentedanielealfa
243 2 4 7
Expert
Expert
 
Messaggi: 1313
Iscritto il: 27 mag 2009, 22:51

0
voti

[20] Re: Ritardo con NE555

Messaggioda Foto UtenteEtemenanki » 10 gen 2026, 13:51

Pensavo ad un JFET (che sono intrinsecamente "depletion" come funzionamento) ... non e' che si trovi moltissimo, ma roba come ad esempiio SST4319 (PN4319 per i through-hole) oppure J174 o simili ancora ci sono, sui siti dei venditori.

I JFET canale P richiedono una tensione "piu positiva" (passatemi l'espressione) rispetto al source per smettere di condurre, ed in genere i JFET sono praticamente bidirezionali, come comportamento generico di drain e source, quindi, collegare il source a massa, il drain al positivo del condensatore tramite una resistenza di scarica (tipo, 100 ohm o simile), ed il gate al positivo dell'alimentazione tramite una R da 1k (ed anche una R da 47k, 68k, 100k o simile fra gate e gnd, per "scaricare" velocemente il gate quando si scollega l'alimentazione) ... in teoria, queso dovrebbe "aprire"il JFET quando viene collegata l'alimentazione, permettendo al condensatore di caricarsi normalmente, e "chiuderlo" collegando la resistenza di scarica in parallelo al condensatore quando l.alimentazione viene tolta, scaricandolo velocemente (o comunque molto piu velocemente di quanto si scaricherebbe da solo)

Sarebbero un JFET e 3 resistenze in piu, credo possa essere accettabile.

Qualcuno ci trova degli errori, in questa riflessione fatta al volo ?
"Sopravvivere" e' attualmente l'unico lusso che la maggior parte dei Cittadini italiani,
sia pure a costo di enormi sacrifici, riesce ancora a permettersi.
Avatar utente
Foto UtenteEtemenanki
9.517 3 6 10
Master
Master
 
Messaggi: 5940
Iscritto il: 2 apr 2021, 23:42
Località: Dalle parti di un grande lago ... :)

PrecedenteProssimo

Torna a Elettronica generale

Chi c’è in linea

Visitano il forum: Nessuno e 170 ospiti