danielealfa ha scritto:pero mi rimane carico il condensatore e al riavvio non ho il tempo corretto
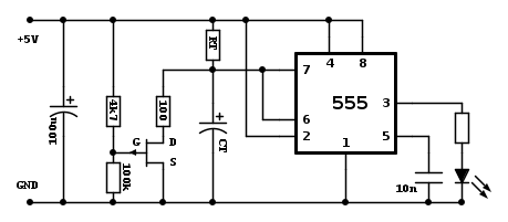
Manca il diodo tra l'ingresso non invertente e Vcc. E anche così non funzionerebbe. Perché è una simulazione con tutti i suoi limiti.
In uno scenario reale è lecito assumere che Vcc scenda a GND quando cessa l'alimentazione. Diverso è il discorso per un segnale controllato da un interruttore come l'hai disegnato tu. E questo è il motivo per cui chiedo di spiegare con precisione cosa si vuole ottenere.
In realtà probabilmente il tutto funzionerebbe anche senza diodo, passando attraverso i diodi di protezione dell'ingresso del comparatore.
Poi occhio alle botte di corrente sul diodo con un condensatore da 10 uF.
Etemenanki ha scritto:Qualcuno ci trova degli errori, in questa riflessione fatta al volo ?
Anche qui, un diodo tra il condensatore e il positivo d'alimentazione?
Boiler

Elettrotecnica e non solo (admin)
Un gatto tra gli elettroni (IsidoroKZ)
Esperienza e simulazioni (g.schgor)
Moleskine di un idraulico (RenzoDF)
Il Blog di ElectroYou (webmaster)
Idee microcontrollate (TardoFreak)
PICcoli grandi PICMicro (Paolino)
Il blog elettrico di carloc (carloc)
DirtEYblooog (dirtydeeds)
Di tutto... un po' (jordan20)
AK47 (lillo)
Esperienze elettroniche (marco438)
Telecomunicazioni musicali (clavicordo)
Automazione ed Elettronica (gustavo)
Direttive per la sicurezza (ErnestoCappelletti)
EYnfo dall'Alaska (mir)
Apriamo il quadro! (attilio)
H7-25 (asdf)
Passione Elettrica (massimob)
Elettroni a spasso (guidob)
Bloguerra (guerra)





