Subwoofer amplificato attenuato
0
voti
La sonda dell'oscilloscopio ha l'attenuazione "x10" ?
-

SediciAmpere
4.187 5 5 8 - Master

- Messaggi: 4846
- Iscritto il: 31 ott 2013, 15:00
0
voti
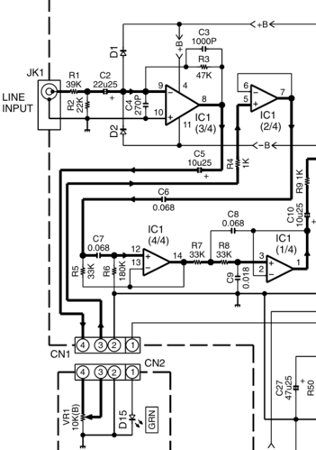
pino81 ha scritto:buongiorno, allora, il potenziometro l'ho testato e varia regolarmente da 6 ohm a 9,40k gli altri pin danno un segnale di circa 1,5 V ma solo alzando il volume a metà, solo i pin 9 e 10 non danno nulla (tranne l'8 che ha sempre funzionato)
Sui pin 9 e 10 è corretto che non vedi nulla:
il 10 è collegato a massa, quindi non puoi avere che 0V rispetto a massa;
il 9 è tenuto a massimo qualche decina di millivolt rispetto al 10 dalla stadio di ingresso dell'operazionale.
La corrente di ingresso non entra nel pin 9 (impedenza molto molto alta), ma scorre in R3 e fissa la tensione di uscita al pin 8. La corrente di uscita invece viene per lo più fornita dallo stadio di uscita dell'operazionale prelevandola dall'alimentazione, pin 4 (e 11).
Il segnale che esce dal pin 8 viene attenuato dal partitore resistivo costituito dal potenziometro di volume, e viene mandato agli altri stadi che sostanzialmente non ne modificano l'ampiezza.
Puoi rifare la prova aumentando un po' il canale verticale dell'oscilloscopio in modo che il segnale d'ingresso copra circa i 3/4 dello schermo e poi prelevando il segnale dai pin 8, 1, 14, 7?
Sul pin 8 dovrai avere un segnale circa 1,2 volte più grande dell'ingresso e sugli altri proporzionale al volume da 0V fino a circa il segnale che hai al pin 8 rispettivamente ruotando il volume fra 0 e il massimo. Non riesco a capire se il potenziometro è lineare o logaritmico (sullo schema è tipo B, ma nel mondo anglosassone e asiatico sono quelli lineari, che in applicazione volume mi sembra strano), comunque con apparecchio spento e condensatori scarichi potresti verificarlo misurando la resistenza ogni quarto di giro, se sono tutte differenze uguali è lineare, altrimenti logaritmico.
0
voti
allora ho testato il potenziometro e a ⅓ segna 3 k e qualcosa, a ⅔ 6,5 k, a fondo scala quasi 10 k ho fatto gli screen dei 4 valori e. ho scoperto l'attenuazione 10x (mai stata necessaria per me fin ora) e l'output ha dato solo circa 9V. ed una sinusoide direi deformata, il pin 1 (a campione) più alto anche dell'8 quando vol. al max
Ultima modifica di
pino81 il 23 gen 2026, 18:22, modificato 3 volte in totale.
0
voti
Se la sonda è impostata a x10 ma sull'oscilloscopio non fai le impostazioni corrispondenti trovi a schermo valori 1/10 del reale.
Il tuo segnale è di 90 V picco picco.
Quindi sembrerebbe funzionare con un carico molto più grande di quello dell'altoparlante.
Comunque si è un po' distorta.
Ma quali sono i valori picco picco del segnale di ingresso attesi dal subwoofer?
Il tuo segnale è di 90 V picco picco.
Quindi sembrerebbe funzionare con un carico molto più grande di quello dell'altoparlante.
Comunque si è un po' distorta.
Ma quali sono i valori picco picco del segnale di ingresso attesi dal subwoofer?
0
voti
non lo so, collegavo solamente un cavo RCA dal dolby al subwoofer... ma allora un paio di cose: perché in modalità normale si fermava a 39,7v non dovrebbe dare il valore corretto in volt anche se l'onda è fuori schermo? cosa dovrei regolare per visualizzare correttamente i segnali ridotti 10X?GioArca67 ha scritto:Ma quali sono i valori picco picco del segnale di ingresso attesi dal subwoofer?
un carico più grande non sarebbe uno di impedenza ancora inferiore a gli 8 ohm? da quel che so non c'é problema a collegare 2 altoparlanti in serie ad un uscita però non si può fare mettendoli in parallelo,
probabilmente con 67 ohm arriva al valore atteso ma con gli 8 ohm c'è qualcosa che non va e non ci arriva... la butto lì..
0
voti
pino81 ha scritto:solo 3 allegati per messaggio
L'oscillogramma con la sinusoide deformata è quello col volume a ⅔? Se sì per me funziona correttamente, probabilmente quella forma strana è un compressore o limiter che entra in funzione evitando di tosare il segnale.
Io direi di rimontare tutto e provarlo , magari era solo l'RCA che aveva fatto contatto male.
9,25V con la sonda impostata a 10x , corrispondono a 92,5Vp-p , che corrispondono a 32 V rms
-

SediciAmpere
4.187 5 5 8 - Master

- Messaggi: 4846
- Iscritto il: 31 ott 2013, 15:00
Torna a Costruzione, riparazione, riutilizzo
Chi c’è in linea
Visitano il forum: Nessuno e 7 ospiti

Elettrotecnica e non solo (admin)
Un gatto tra gli elettroni (IsidoroKZ)
Esperienza e simulazioni (g.schgor)
Moleskine di un idraulico (RenzoDF)
Il Blog di ElectroYou (webmaster)
Idee microcontrollate (TardoFreak)
PICcoli grandi PICMicro (Paolino)
Il blog elettrico di carloc (carloc)
DirtEYblooog (dirtydeeds)
Di tutto... un po' (jordan20)
AK47 (lillo)
Esperienze elettroniche (marco438)
Telecomunicazioni musicali (clavicordo)
Automazione ed Elettronica (gustavo)
Direttive per la sicurezza (ErnestoCappelletti)
EYnfo dall'Alaska (mir)
Apriamo il quadro! (attilio)
H7-25 (asdf)
Passione Elettrica (massimob)
Elettroni a spasso (guidob)
Bloguerra (guerra)


