Gli switch standard CMOS per segnali analogici accettano in ingresso segnali che vanno da 0V a VCC, quindi per usarli in campo audio, bisognerebbe che almeno la parte del segnale che gli si fa commutare avesse lo "zero" a meta' della VCC ... pero' nel tuo caso lo usi solo per chiudere un segnale a massa e non per commutarlo fra stadi diversi, se ho capito bene quello che vuoi fare, quindi non serve, almeno se il GND dello switch corrisponde al GND del segnale.
Ci sono anche le versioni singole, ad esempio TS5A3166 in SOT23, che hanno una resistenza interna che e' circa 1 ohm, un decimo o meno delle vecchie versioni.
Intermittenza per segnale audio
Moderatori:
carloc,
g.schgor,
BrunoValente,
IsidoroKZ
40 messaggi
• Pagina 3 di 4 • 1, 2, 3, 4
0
voti
"Sopravvivere" e' attualmente l'unico lusso che la maggior parte dei Cittadini italiani,
sia pure a costo di enormi sacrifici, riesce ancora a permettersi.
sia pure a costo di enormi sacrifici, riesce ancora a permettersi.
-

Etemenanki
9.507 3 6 10 - Master

- Messaggi: 5935
- Iscritto il: 2 apr 2021, 23:42
- Località: Dalle parti di un grande lago ... :)
0
voti
Il suggerimento di adoperare il CD4066 è buono.
Ho provato a disegnare uno schema di principio, ma ho dubbi sul suo buon funzionamento:
La tensione Vcontrollo degli interruttori dagli astabili rimane nel campo 0 - +5 V ?
Il multivibratore astabile, si mette ad oscillare all'accensione?
Vorrei che l'interruttore in serie al segnale audio si aprisse/chiudesse lentamente, è sufficiente mettere un R in serie e un C in parallelo all'ingresso o il guadagno interno dell'interruttore rende sempre la commutazione troppo ripida?
1
voti
Secondo me Rs1 e Rs2 non servono, il multivibratore dovrebbe oscillare subito all'accesione.
Ci vogliono invece due resistenze sugli ingressi dei due interruttori (da 220 kΩ per esempio), per limitare la corrente che scorre nei diodi di protezione dell'ingresso del CMOS. Infatti Vcomando può variare tra circa -0,5 e 1,5 Vcc.
I condensatori da 1 μF si trovano facilmente ceramici o poliestere. Meglio evitare gli elettrolitici se non necessario.
Ho messo un po' di valori.
Le resistenze da 680 kΩ possono variare da 10 a 820 kΩ per variare la frequenza dell'astabile.
MarcoD ha scritto:Vorrei che l'interruttore in serie al segnale audio si aprisse/chiudesse lentamente, è sufficiente mettere un R in serie e un C in parallelo all'ingresso o il guadagno interno dell'interruttore rende sempre la commutazione troppo ripida?
Non so. Prova con i valori di R e C che ho scritto sullo schema. Eventualmente aumenta C se è ancora troppo veloce.
Non dimenticare di collegare l'interruttore inutilizzato (specialmente l'ingresso di comando) a massa o Vcc. O meglio, mettilo in parallelo a quello che interrompe il segnale, così dimezzi la Ron.
Vcc può arrivare a 15 V, e all'aumentare Vcc si riduce la Ron degli interruttori. Con 5 V può essere di 1 kΩ, con 15 V di 125 Ω.
Big fan of ⋮ƎlectroYou! Ausili per disabili e anziani su ⋮ƎlectroYou
Caratteri utili: À È É Ì Ò Ó Ù α β γ δ ε η θ λ μ π ρ σ τ φ ω Ω º ª ² ³ √ ∛ ∜ ₀ ₁ ₂ ₃ ₄ ₅ ₆ ∃ ∄ ∆ ∈ ∉ ± ∓ ∾ ≃ ≈ ≠ ≤ ≥
Caratteri utili: À È É Ì Ò Ó Ù α β γ δ ε η θ λ μ π ρ σ τ φ ω Ω º ª ² ³ √ ∛ ∜ ₀ ₁ ₂ ₃ ₄ ₅ ₆ ∃ ∄ ∆ ∈ ∉ ± ∓ ∾ ≃ ≈ ≠ ≤ ≥
3
voti
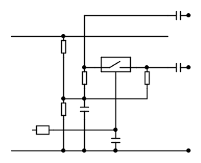
Marco, con quei 4 resistori che polarizzano l'interruttore audio a mezza tensione collegati in quel modo rischieresti di sentire ancora un lieve clic dovuto alla loro tolleranza che non assicurerebbe la stessa identica tensione su entrambi i rami, io li collegherei così
Non credo si riesca a far commutare l'interruttore lentamente, all'interno dell'integrato tra il comando e i mosfet ci sono delle porte logiche che squadrano il segnale di comando ma per i tuoi scopo credo non sia un problema
Non credo si riesca a far commutare l'interruttore lentamente, all'interno dell'integrato tra il comando e i mosfet ci sono delle porte logiche che squadrano il segnale di comando ma per i tuoi scopo credo non sia un problema
-

BrunoValente
39,6k 7 11 13 - G.Master EY

- Messaggi: 7796
- Iscritto il: 8 mag 2007, 14:48
1
voti
L'unico modo per avere una commutazione "lenta", senza usare le coppie fotoresistenza/led, e' usare gli optomos probabilmente ... esempio (ma va bene un qualsiasi optomos simile).
"Sopravvivere" e' attualmente l'unico lusso che la maggior parte dei Cittadini italiani,
sia pure a costo di enormi sacrifici, riesce ancora a permettersi.
sia pure a costo di enormi sacrifici, riesce ancora a permettersi.
-

Etemenanki
9.507 3 6 10 - Master

- Messaggi: 5935
- Iscritto il: 2 apr 2021, 23:42
- Località: Dalle parti di un grande lago ... :)
1
voti
Ho costruito e provato un prototipo del solo multivibratore.
Funziona, anche se dovrei ancora capire esattamente come funziona ( come attività didattica, servirebbe ricavare i calcoli teorici di dimensionamento e andamento e/o una simulazione del comportamento).
Ho usato i componenti che avevo disponibili.
Allego schema e immagini.
Si osserva la differenza delle tensioni in VC (a monte R 180 k) e Vc1(sul pin 13, limitata dalla R e dai diodi interni all'ingresso dell'integrato).
Ringrazio tutti per i suggerimenti ricevuti.
Funziona, anche se dovrei ancora capire esattamente come funziona ( come attività didattica, servirebbe ricavare i calcoli teorici di dimensionamento e andamento e/o una simulazione del comportamento).
Ho usato i componenti che avevo disponibili.
Allego schema e immagini.
Si osserva la differenza delle tensioni in VC (a monte R 180 k) e Vc1(sul pin 13, limitata dalla R e dai diodi interni all'ingresso dell'integrato).
Ringrazio tutti per i suggerimenti ricevuti.
3
voti
Però l'oscillatore fatto così mi pare non possa funzionare correttamente, cioè credo possa bloccarsi.
Marco, mentre sta funzionando prova a cortocircuitare per un attimo una delle due R da 680k, dovrebbe bloccarsi.
Quando si realizza quel circuito con i transistor può succedere la stessa cosa ma si può evitare che succeda polarizzando opportunamente i transistor, cioè occorre dimensionare i resistori in modo che (togliendo i condensatori) i transistor risultino polarizzati grosso modo in zona lineare, così che, con i condensatori installati, sia sufficiente il rumore termico ad innescare l'oscillazione, cosa che nel tuo circuito non si può fare.
Marco, mentre sta funzionando prova a cortocircuitare per un attimo una delle due R da 680k, dovrebbe bloccarsi.
Quando si realizza quel circuito con i transistor può succedere la stessa cosa ma si può evitare che succeda polarizzando opportunamente i transistor, cioè occorre dimensionare i resistori in modo che (togliendo i condensatori) i transistor risultino polarizzati grosso modo in zona lineare, così che, con i condensatori installati, sia sufficiente il rumore termico ad innescare l'oscillazione, cosa che nel tuo circuito non si può fare.
-

BrunoValente
39,6k 7 11 13 - G.Master EY

- Messaggi: 7796
- Iscritto il: 8 mag 2007, 14:48
0
voti
Quel multivibratore astabile rimane bloccato con ambo i rami saturati nel caso che la tensione di alimentazione venga data lentissimamente, praticamente mai. Un rimedio è introdurre una piccola asimmetria in modo che all'accensione uno dei due rami saturi un attimo dopo l'altro. Non so se funzioni in simulazione.
0
voti
Ho fatto prove forzando la tensione
Vc (connessa al pin 13 con 180K) a 0 V e a + Valim (circa 6,3 V)
e rilevando la tensione presente sulla uscita out1 pin 1:
-Vc a massa >> out 1 +Valim
-togliendo forzatura riprende generazione onda quadra.
-Vc a + Valim >> out1 = 0 V
-togliendo forzatura Vu rimane a 0 V
Per fare ripartire forzare per un istante Vc a massa, oppure togliere e ridare alimentazione.
Vc (connessa al pin 13 con 180K) a 0 V e a + Valim (circa 6,3 V)
e rilevando la tensione presente sulla uscita out1 pin 1:
-Vc a massa >> out 1 +Valim
-togliendo forzatura riprende generazione onda quadra.
-Vc a + Valim >> out1 = 0 V
-togliendo forzatura Vu rimane a 0 V
Per fare ripartire forzare per un istante Vc a massa, oppure togliere e ridare alimentazione.
0
voti
Ritengo che tutti i multivibratori astabili, sia a interruttore CMOS , a JFET, a transistor , sia a triodi, abbiano uno stato (punto di lavoro) stabile, che quando raggiunto li blocca.
Il punto corrisponde alle due uscite (collettori, drain, anodi) entrambe a livello basso, stato stabile che sarebbe raggiunto se i condensatori non ci fossero, oppure il livello fosse forzato con un pulsante per un tempo sufficiente all'esaurimento del transitorio RC. Per sbloccarlo occorre spegnere e rialimentare il circuito.
Quindi il bloccaggio , non è dovuto a un errore di progetto, ma è insito nel circuito.
Cosa ne pensate ?
40 messaggi
• Pagina 3 di 4 • 1, 2, 3, 4
Chi c’è in linea
Visitano il forum: Nessuno e 60 ospiti

Elettrotecnica e non solo (admin)
Un gatto tra gli elettroni (IsidoroKZ)
Esperienza e simulazioni (g.schgor)
Moleskine di un idraulico (RenzoDF)
Il Blog di ElectroYou (webmaster)
Idee microcontrollate (TardoFreak)
PICcoli grandi PICMicro (Paolino)
Il blog elettrico di carloc (carloc)
DirtEYblooog (dirtydeeds)
Di tutto... un po' (jordan20)
AK47 (lillo)
Esperienze elettroniche (marco438)
Telecomunicazioni musicali (clavicordo)
Automazione ed Elettronica (gustavo)
Direttive per la sicurezza (ErnestoCappelletti)
EYnfo dall'Alaska (mir)
Apriamo il quadro! (attilio)
H7-25 (asdf)
Passione Elettrica (massimob)
Elettroni a spasso (guidob)
Bloguerra (guerra)







