Intermittenza per segnale audio
Moderatori:
carloc,
g.schgor,
BrunoValente,
IsidoroKZ
40 messaggi
• Pagina 4 di 4 • 1, 2, 3, 4
0
voti
Il multivibratore astabile è un flip flop che viene fatto oscillare per mezzo dei due condensatori... Nei due stati stabili, però, un'uscita è alta e l'altra è bassa.
1
voti
Datman, se ho ben compreso quanto hai scritto, non condivido, monta il circuito e vediamo come si comporta.
1
voti
MarcoD ha scritto:Ritengo che tutti i multivibratori astabili, sia a interruttore CMOS , a JFET, a transistor , sia a triodi, abbiano uno stato (punto di lavoro) stabile, che quando raggiunto li blocca.
Il punto corrisponde alle due uscite (collettori, drain, anodi) entrambe a livello basso, stato stabile che sarebbe raggiunto se i condensatori non ci fossero, oppure il livello fosse forzato con un pulsante per un tempo sufficiente all'esaurimento del transitorio RC. Per sbloccarlo occorre spegnere e rialimentare il circuito.
Quindi il bloccaggio , non è dovuto a un errore di progetto, ma è insito nel circuito.
Sono d'accordo.
Quindi se si usa questo classicissimo circuito in un sistema di sicurezza che richiede l'onda quadra per funzionare, in qualche raro caso (per disturbi ecc.) tutto il sistema potrebbe bloccarsi, e ciò rappresenterebbe un pericolo.
Quindi questo circuito non pare abbastanza affidabile/sicuro per certi usi, nonostante appaia su tutti i testi.
Molto molto interessante. Non mi ci ero mai soffermato.
BrunoValente ha scritto:Quando si realizza quel circuito con i transistor può succedere la stessa cosa ma si può evitare che succeda polarizzando opportunamente i transistor, cioè occorre dimensionare i resistori in modo che (togliendo i condensatori) i transistor risultino polarizzati grosso modo in zona lineare, così che, con i condensatori installati, sia sufficiente il rumore termico ad innescare l'oscillazione
Giustissimo
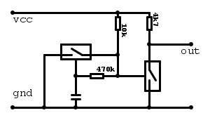
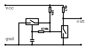
Propongo questa modifica:
Qui le resistenze da 680 k, al non essere collegate al positivo, non mantengono indefinitamente carichi i condensatori in situazione di blocco (entrambi gli switch chiusi), ma li scaricano.
Se non ci fossero i condensatori, gli switch lavorerebbero in zona lineare, e quindi come ha indicato
Big fan of ⋮ƎlectroYou! Ausili per disabili e anziani su ⋮ƎlectroYou
Caratteri utili: À È É Ì Ò Ó Ù α β γ δ ε η θ λ μ π ρ σ τ φ ω Ω º ª ² ³ √ ∛ ∜ ₀ ₁ ₂ ₃ ₄ ₅ ₆ ∃ ∄ ∆ ∈ ∉ ± ∓ ∾ ≃ ≈ ≠ ≤ ≥
Caratteri utili: À È É Ì Ò Ó Ù α β γ δ ε η θ λ μ π ρ σ τ φ ω Ω º ª ² ³ √ ∛ ∜ ₀ ₁ ₂ ₃ ₄ ₅ ₆ ∃ ∄ ∆ ∈ ∉ ± ∓ ∾ ≃ ≈ ≠ ≤ ≥
1
voti
Uhm ... sapete che il mio cervello funziona (quando funziona) in modo strano, giusto ?
Mi e' appena venuta la strana idea che si potrebbe (forse) costruire un'oscillatore come quelli che di solito si fanno con una singola porta inverter a trigger (tipo i 40106), emulando (probabilmente in modo un po barbaro) l'inverter a trigger con uno degli interruttori
Un po una cosa di questo tipo, sempre ammesso che possa funzionare:
Qui il primo switch e' collegato con un capo a GND e con l'altro a VCC attraverso una resistenza di pull-up (per cui in uscita si ha 0 quando l'ingresso di comando e' ad 1 e viceversa), l'ingresso di comando e' collegato a GND attraverso un condensatore e all'uscita attraverso un'altra resistenza ... all'accensione il condensatore e' scarico, quindi lo switch e' aperto, per cui l'uscita e' a VCC e carica il condensatore attraverso le due resistenze (pullup piu retroazione), ad un certo punto la tensione sul condensatore diventera' sufficente a farlo chiudere, l'uscita andra' a GND e scarichera' il condensatore attraverso la resistenza di retroazione, finche' la tensione sul condensatore sara' abbastanza bassa da far riaprire lo switch, e cosi via.
Il secondo switch e' usato solo per separare lo stadio "oscillatore" da quello successivo (in questa configurazione inverte, ma si puo tranquillamente collegare a VCC con una pulldown invece che a GND con una pullup in uscita, per renderlo non invertente.
Il mio unico dubbio e' se l'ingresso di comando abbia una qualche isteresi che possa garantire un'oscillazione abbastanza stabile o no ... pero', si potrebbe sempre portare l'uscita "out" del tutto, tramite un'altra resistenza abbastanza alta, qualche megaohm ad esempio, al pin di comando del primo switch per aggiungerla arbitrariamente (ad esempio, in questa configurazione quando il condensatore e' "scarico" a sufficenza, il primo switch e' aperto, la sua uscita e' alta e chiude il secondo switch ed il punto "out" verso GND, se si collegasse il pin di comando del primo switch ad "out" tramite una resistenza abbastanza alta, questo dovrebbe introdurre un'isteresi nella commutazione)
Ovviamente il componente non e' stato progettato per funzionare in questo modo, sarebbe tutto da testare (ma del resto neppure gli inverter a trigger furono progettati per essere usati come oscillatori, pero' ormai lo fanno tutti ... chissa', magari l'idea e' talmente folle che potrebbe perfino funzionare
)
Mi e' appena venuta la strana idea che si potrebbe (forse) costruire un'oscillatore come quelli che di solito si fanno con una singola porta inverter a trigger (tipo i 40106), emulando (probabilmente in modo un po barbaro) l'inverter a trigger con uno degli interruttori
Un po una cosa di questo tipo, sempre ammesso che possa funzionare:
Qui il primo switch e' collegato con un capo a GND e con l'altro a VCC attraverso una resistenza di pull-up (per cui in uscita si ha 0 quando l'ingresso di comando e' ad 1 e viceversa), l'ingresso di comando e' collegato a GND attraverso un condensatore e all'uscita attraverso un'altra resistenza ... all'accensione il condensatore e' scarico, quindi lo switch e' aperto, per cui l'uscita e' a VCC e carica il condensatore attraverso le due resistenze (pullup piu retroazione), ad un certo punto la tensione sul condensatore diventera' sufficente a farlo chiudere, l'uscita andra' a GND e scarichera' il condensatore attraverso la resistenza di retroazione, finche' la tensione sul condensatore sara' abbastanza bassa da far riaprire lo switch, e cosi via.
Il secondo switch e' usato solo per separare lo stadio "oscillatore" da quello successivo (in questa configurazione inverte, ma si puo tranquillamente collegare a VCC con una pulldown invece che a GND con una pullup in uscita, per renderlo non invertente.
Il mio unico dubbio e' se l'ingresso di comando abbia una qualche isteresi che possa garantire un'oscillazione abbastanza stabile o no ... pero', si potrebbe sempre portare l'uscita "out" del tutto, tramite un'altra resistenza abbastanza alta, qualche megaohm ad esempio, al pin di comando del primo switch per aggiungerla arbitrariamente (ad esempio, in questa configurazione quando il condensatore e' "scarico" a sufficenza, il primo switch e' aperto, la sua uscita e' alta e chiude il secondo switch ed il punto "out" verso GND, se si collegasse il pin di comando del primo switch ad "out" tramite una resistenza abbastanza alta, questo dovrebbe introdurre un'isteresi nella commutazione)
Ovviamente il componente non e' stato progettato per funzionare in questo modo, sarebbe tutto da testare (ma del resto neppure gli inverter a trigger furono progettati per essere usati come oscillatori, pero' ormai lo fanno tutti ... chissa', magari l'idea e' talmente folle che potrebbe perfino funzionare
"Sopravvivere" e' attualmente l'unico lusso che la maggior parte dei Cittadini italiani,
sia pure a costo di enormi sacrifici, riesce ancora a permettersi.
sia pure a costo di enormi sacrifici, riesce ancora a permettersi.
-

Etemenanki
9.517 3 6 10 - Master

- Messaggi: 5940
- Iscritto il: 2 apr 2021, 23:42
- Località: Dalle parti di un grande lago ... :)
1
voti
Etemenanki ha scritto:Il mio unico dubbio e' se l'ingresso di comando abbia una qualche isteresi che possa garantire un'oscillazione abbastanza stabile o no
Non sembra che abbiano voluto inserire isteresi (schema interno dal datasheet):
Invece si potrebbero usare questi interruttori elettronici per implementare delle porte NOT (vabbè, l'uscita ha impedenze diverse a seconda del livello logico, ma trascuriamo queste inezie
Quindi potremmo pensare di implementare il classico oscillatore CMOS a due NOT (senza isteresi):
utilizzando le quasi NOT fatte con gli interruttori. Ecco qui:
Evviva evviva, rispetto al multivibratore astabile di prima, abbiamo risparmiato ben due resistenze e un condensatore!
Ho voluto disegnarlo in disposizione più simile al multivibratore astabile modificato dell'intervento 33, ma secondo me è meno chiaro:
Comunque si apprezza la similitudine:
Big fan of ⋮ƎlectroYou! Ausili per disabili e anziani su ⋮ƎlectroYou
Caratteri utili: À È É Ì Ò Ó Ù α β γ δ ε η θ λ μ π ρ σ τ φ ω Ω º ª ² ³ √ ∛ ∜ ₀ ₁ ₂ ₃ ₄ ₅ ₆ ∃ ∄ ∆ ∈ ∉ ± ∓ ∾ ≃ ≈ ≠ ≤ ≥
Caratteri utili: À È É Ì Ò Ó Ù α β γ δ ε η θ λ μ π ρ σ τ φ ω Ω º ª ² ³ √ ∛ ∜ ₀ ₁ ₂ ₃ ₄ ₅ ₆ ∃ ∄ ∆ ∈ ∉ ± ∓ ∾ ≃ ≈ ≠ ≤ ≥
0
voti
Be', che vengano usati uno o due NOT "emulati", almeno non dovrebbe potersi bloccare come per l'astabile "emulato" con gli switch 
"Sopravvivere" e' attualmente l'unico lusso che la maggior parte dei Cittadini italiani,
sia pure a costo di enormi sacrifici, riesce ancora a permettersi.
sia pure a costo di enormi sacrifici, riesce ancora a permettersi.
-

Etemenanki
9.517 3 6 10 - Master

- Messaggi: 5940
- Iscritto il: 2 apr 2021, 23:42
- Località: Dalle parti di un grande lago ... :)
1
voti
Vedo che ogni tanto si torna a fare un po' di elettronica anche se non va più di moda 

-

BrunoValente
39,6k 7 11 13 - G.Master EY

- Messaggi: 7796
- Iscritto il: 8 mag 2007, 14:48
1
voti
Montato e provato il circuito: funziona.
Ho messo i resistori che avevo facilmente a disposizione.
allego immagine con forma d'onda e lo schizzo manoscritto con schema elettrico e piano di montaggio. Mi rimane da capire come esattamente funziona e ricavare le equazioni degli esponenziali che definiscono la parte dinamica.
La traccia gialla è a 200 mV/div, ma è preceduta da sonda attenuata 10 volte con resistenza ingresso penso 10Mohm, quindi complessivamente sono 2 V/div.
Ho messo i resistori che avevo facilmente a disposizione.
allego immagine con forma d'onda e lo schizzo manoscritto con schema elettrico e piano di montaggio. Mi rimane da capire come esattamente funziona e ricavare le equazioni degli esponenziali che definiscono la parte dinamica.
La traccia gialla è a 200 mV/div, ma è preceduta da sonda attenuata 10 volte con resistenza ingresso penso 10Mohm, quindi complessivamente sono 2 V/div.
2
voti
Possiamo osservare che:MarcoD ha scritto:Mi rimane da capire come esattamente funziona
1) la resistenza da 560 kΩ serve a limitare la corrente sui diodi di protezione dell'ingresso del primo NOT (quello a sinistra). Deve essere di valore elevato (centinaia di kΩ, fino a 1 MΩ) per interferire il meno possibile con la carica/scarica del condensatore, quando i diodi intervengono perché la tensione è negativa rispetto a massa o superiore alla tensione di alimentazione. Il suo ruolo è quindi necessario, ma marginale nel comprendere il ciclo di funzionamento.
2) la tensione sull'uscita del secondo NOT più la tensione sul condensatore è quella che viene applicata sull'ingresso del primo NOT.
3) la resistenza da 470 kΩ, collegata all'uscita del primo NOT, carica lentamente il condensatore. Quando lo carica abbastanza da avvicinarsi alla soglia di commutazione (circa metà della tensione di alimentazione) all'ingresso del primo NOT, il primo NOT comincia a commutare la sua uscita. Quando questa uscita si è avvicinata abbastanza alla soglia di commutazione del secondo NOT, questo a sua volta comincia a commutare, variando il livello di tensione a un morsetto del condensatore. Questo fornisce una retroazione positiva, cioè se per esempio la tensione all'ingresso del primo NOT stava aumentando, la retroazione la fa aumentare ancor più. Questo accelera e rende decisa la transizione di stato all'uscita.
Si vede perfettamente nella traccia gialla del tuo oscilloscopio, presa dal punto in comune tra il condensatore e le resistenze. La tensione che sta aumentando sempre più lentamente, quando arriva a metà di Vcc aumenta di colpo con un gradino che la porta a 1,5 Vcc.
Poi il ciclo ricomincia nel verso opposto, e così via.
Big fan of ⋮ƎlectroYou! Ausili per disabili e anziani su ⋮ƎlectroYou
Caratteri utili: À È É Ì Ò Ó Ù α β γ δ ε η θ λ μ π ρ σ τ φ ω Ω º ª ² ³ √ ∛ ∜ ₀ ₁ ₂ ₃ ₄ ₅ ₆ ∃ ∄ ∆ ∈ ∉ ± ∓ ∾ ≃ ≈ ≠ ≤ ≥
Caratteri utili: À È É Ì Ò Ó Ù α β γ δ ε η θ λ μ π ρ σ τ φ ω Ω º ª ² ³ √ ∛ ∜ ₀ ₁ ₂ ₃ ₄ ₅ ₆ ∃ ∄ ∆ ∈ ∉ ± ∓ ∾ ≃ ≈ ≠ ≤ ≥
40 messaggi
• Pagina 4 di 4 • 1, 2, 3, 4
Chi c’è in linea
Visitano il forum: Google [Bot] e 183 ospiti

Elettrotecnica e non solo (admin)
Un gatto tra gli elettroni (IsidoroKZ)
Esperienza e simulazioni (g.schgor)
Moleskine di un idraulico (RenzoDF)
Il Blog di ElectroYou (webmaster)
Idee microcontrollate (TardoFreak)
PICcoli grandi PICMicro (Paolino)
Il blog elettrico di carloc (carloc)
DirtEYblooog (dirtydeeds)
Di tutto... un po' (jordan20)
AK47 (lillo)
Esperienze elettroniche (marco438)
Telecomunicazioni musicali (clavicordo)
Automazione ed Elettronica (gustavo)
Direttive per la sicurezza (ErnestoCappelletti)
EYnfo dall'Alaska (mir)
Apriamo il quadro! (attilio)
H7-25 (asdf)
Passione Elettrica (massimob)
Elettroni a spasso (guidob)
Bloguerra (guerra)










