Buongiorno a tutti
Tra di voi c'è nessuno appassionato di vecchie radio militari? se si potreste allora aiutarmi con questo vecchio modello di radio di produzione russa utilizzati dall'esercito cinese almeno sapere le tensioni ai capi del connettore della batteria o avere degli schemi più leggibili
Grazie
Radio militare modello R-116
4 messaggi
• Pagina 1 di 1
0
voti
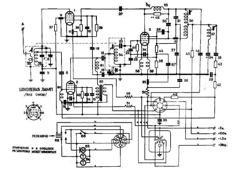
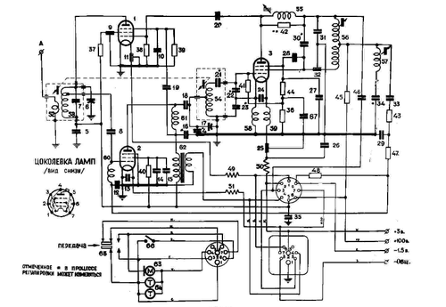
Le tensioni di batteria sono scritte nel secondo schema postato, 3 V, 100 V, -1,5 V
la batteria è una BANSS 18M, un po' di dati si trovano qui: https://www.greenradio.de/htm2/e_r116.htm e https://www.radiomuseum.org/r/military_funkstation_r_116_p_116.html;
non sono un appassionato ma ho semplicemente googlato radiostanuii R116....
la batteria è una BANSS 18M, un po' di dati si trovano qui: https://www.greenradio.de/htm2/e_r116.htm e https://www.radiomuseum.org/r/military_funkstation_r_116_p_116.html;
non sono un appassionato ma ho semplicemente googlato radiostanuii R116....
"Non farei mai parte di un club che accettasse la mia iscrizione" (G. Marx)
-

claudiocedrone
21,3k 4 7 9 - Master EY

- Messaggi: 15300
- Iscritto il: 18 gen 2012, 13:36
0
voti
claudiocedrone ha scritto:Le tensioni di batteria sono scritte nel secondo schema postato, 3 V, 100 V, -1,5 V
la batteria è una BANSS 18M, un po' di dati si trovano qui: https://www.greenradio.de/htm2/e_r116.htm e https://www.radiomuseum.org/r/military_funkstation_r_116_p_116.html;
non sono un appassionato ma ho semplicemente googlato radiostanuii R116....
I due siti che mi hai consigliato li avevo già guardati prima, e non è che ci sia molto di più, gli schemi li ho trovati facendo passare in internet se son esatti, sembra che le cuffie siano buone ma uno dei due cavi è rovinato idem per quello della batteria, grazie allo stesso per il tuo interessamento
4 messaggi
• Pagina 1 di 1
Torna a Costruzione, riparazione, riutilizzo
Chi c’è in linea
Visitano il forum: Nessuno e 5 ospiti

Elettrotecnica e non solo (admin)
Un gatto tra gli elettroni (IsidoroKZ)
Esperienza e simulazioni (g.schgor)
Moleskine di un idraulico (RenzoDF)
Il Blog di ElectroYou (webmaster)
Idee microcontrollate (TardoFreak)
PICcoli grandi PICMicro (Paolino)
Il blog elettrico di carloc (carloc)
DirtEYblooog (dirtydeeds)
Di tutto... un po' (jordan20)
AK47 (lillo)
Esperienze elettroniche (marco438)
Telecomunicazioni musicali (clavicordo)
Automazione ed Elettronica (gustavo)
Direttive per la sicurezza (ErnestoCappelletti)
EYnfo dall'Alaska (mir)
Apriamo il quadro! (attilio)
H7-25 (asdf)
Passione Elettrica (massimob)
Elettroni a spasso (guidob)
Bloguerra (guerra)
