Costruire una pulsantiera per uso quiz
Moderatore:
IsidoroKZ
33 messaggi
• Pagina 3 di 4 • 1, 2, 3, 4
0
voti
Esitono però dei PIC molto semplici da usare, li produce la revolution educational e sono una spece di copia dei PIC basic , e si si programma in basic, con un solo PIC, tu potresi fare tutto ,questi tipo di PIC sono semplci, si programmano in basic e non necessitano di un programmatore ma solo uno speciale collegamento porta com ----> PIC
-

Elecpassion
0 2 - Messaggi: 8
- Iscritto il: 5 gen 2010, 12:42
1
voti
Cosa ne dite, così funzionerebbe ?
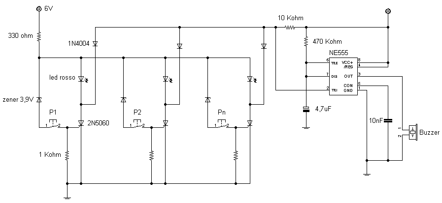
finché tutti gli SCR sono interdetti la tensione a valle della resistenza da 330 ohm rimane a 6V. Non appena l' SCR del concorrente più veloce s' innesca la tensione scende da 6V a 2,5V circa (valore dato dalla somma delle cdt di led e SCR). A questo punto agli altri concorrenti dovrebbe essere impossibile prenotarsi poiché gli zener in serie al gate hanno una cdt superiore ai 2,5V. Il reset avverrebbe sempre spegnendo il circuito.
finché tutti gli SCR sono interdetti la tensione a valle della resistenza da 330 ohm rimane a 6V. Non appena l' SCR del concorrente più veloce s' innesca la tensione scende da 6V a 2,5V circa (valore dato dalla somma delle cdt di led e SCR). A questo punto agli altri concorrenti dovrebbe essere impossibile prenotarsi poiché gli zener in serie al gate hanno una cdt superiore ai 2,5V. Il reset avverrebbe sempre spegnendo il circuito.
0
voti
Si` funziona. Aggiungerei un monostabile per il cicalino.
Per usare proficuamente un simulatore, bisogna sapere molta più elettronica di lui
Plug it in - it works better!
Il 555 sta all'elettronica come Arduino all'informatica! (entrambi loro malgrado)
Se volete risposte rispondete a tutte le mie domande
Plug it in - it works better!
Il 555 sta all'elettronica come Arduino all'informatica! (entrambi loro malgrado)
Se volete risposte rispondete a tutte le mie domande
0
voti
Grandissimo davidde! ringrazio tantissimo te e tutti quelli che anno contribuito a questo progetto anche solo per aver dato un consiglio,gentilmente potresti spiegarmi il funzionamento di questo circuito a livello pratico, cioè corrisponde alla traccia che avevo postato e se c'è qualche diversità in cosa consiste.
Grazie
Ciao Davide
Grazie
Ciao Davide
1
voti
Prego !
Il circuito funziona come avevi chiesto.
Non appena il giocatore più veloce preme il pulsante il suo led si accende mentre gli altri vengono inibiti. Il buzzer inizia a suonare per un paio di secondi (se segui l' ultimo schema) poi smette. Il led invece rimane acceso fino a quando non viene premuto il pulsante di reset (che nello schema non è rappresentato). Il reset non sarà altro che un pulsante normalmente chiuso collegato tra il positivo della batteria e i due punti dello schema indicati con il simbolo "+ cerchiato".
Il buzzer deve avere una tensione di alimentazione di 6V.
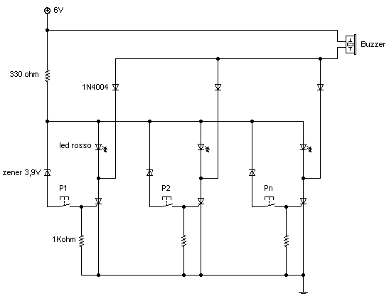
Io non ho gli SCR quindi non sono riuscito a provarlo ... prima di costruire tutto il circuito in veste definitiva ti converrebbe montarlo velocemente soltanto per due giocatori così da vedere se non ci sia qualcosa da aggiustare. In questa fase potresti omettere il monostabile (cioè la parte di circuito comprendente l' NE555) che serve "soltanto" per temporizzare la durata del suono. Potresti quindi seguire il penultimo schema.
Facci sapere se è tutto chiaro...
Il circuito funziona come avevi chiesto.
Non appena il giocatore più veloce preme il pulsante il suo led si accende mentre gli altri vengono inibiti. Il buzzer inizia a suonare per un paio di secondi (se segui l' ultimo schema) poi smette. Il led invece rimane acceso fino a quando non viene premuto il pulsante di reset (che nello schema non è rappresentato). Il reset non sarà altro che un pulsante normalmente chiuso collegato tra il positivo della batteria e i due punti dello schema indicati con il simbolo "+ cerchiato".
Il buzzer deve avere una tensione di alimentazione di 6V.
Io non ho gli SCR quindi non sono riuscito a provarlo ... prima di costruire tutto il circuito in veste definitiva ti converrebbe montarlo velocemente soltanto per due giocatori così da vedere se non ci sia qualcosa da aggiustare. In questa fase potresti omettere il monostabile (cioè la parte di circuito comprendente l' NE555) che serve "soltanto" per temporizzare la durata del suono. Potresti quindi seguire il penultimo schema.
Facci sapere se è tutto chiaro...
0
voti
Si tutto perfettamente chiaro (almeno credo),comunque appena possibile lo provo e vi faccio sapere.
approfitto per ringraziare di nuovo tutti.
Ciao Davide
approfitto per ringraziare di nuovo tutti.
Ciao Davide
0
voti
alla fine si è giunti alla conclusione di uno schema definitivo???
qualcuno ha le immagini del circuito'??
possibilmente rispondete alla mia domanda qui viewtopic.php?f=3&t=16714
qualcuno ha le immagini del circuito'??
possibilmente rispondete alla mia domanda qui viewtopic.php?f=3&t=16714
-

TheDarkMan
0 3 - New entry

- Messaggi: 64
- Iscritto il: 23 dic 2009, 13:59
1
voti
TheDarkMan ha scritto:ma nel penultimo schema che scr si usano?
Gli SCR usati sono gli stessi dell' ultimo schema cioè 2N5060.
Visto il tempo che hai già impiegato per la costruzione del circuito proposto da Giorgio e l' aiuto che ti stanno dando due grandi esperti io mi concentrerei di gran lunga sullo schema che hai già sviluppato
33 messaggi
• Pagina 3 di 4 • 1, 2, 3, 4
Torna a Elettronica e spettacolo
Chi c’è in linea
Visitano il forum: Nessuno e 26 ospiti

Elettrotecnica e non solo (admin)
Un gatto tra gli elettroni (IsidoroKZ)
Esperienza e simulazioni (g.schgor)
Moleskine di un idraulico (RenzoDF)
Il Blog di ElectroYou (webmaster)
Idee microcontrollate (TardoFreak)
PICcoli grandi PICMicro (Paolino)
Il blog elettrico di carloc (carloc)
DirtEYblooog (dirtydeeds)
Di tutto... un po' (jordan20)
AK47 (lillo)
Esperienze elettroniche (marco438)
Telecomunicazioni musicali (clavicordo)
Automazione ed Elettronica (gustavo)
Direttive per la sicurezza (ErnestoCappelletti)
EYnfo dall'Alaska (mir)
Apriamo il quadro! (attilio)
H7-25 (asdf)
Passione Elettrica (massimob)
Elettroni a spasso (guidob)
Bloguerra (guerra)


