Ciao a tutti!!
chiedo il vostro aiuto per analizzare ed eventualmente risolvere questo esercizio:
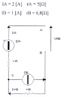
Rb=6,8 Ohm
dal momento che è un circuito aperto non dovrebbe uscire una corrente Ia di 2ampere
non conoscendo Ea presumo che nella resistenza Ra circoli la stessa Ia?
inoltre nella resistenza Rb circola Ib.
per calcolare Vab ho bisogno necessariamente di Ea altrimenti come ci arrivo?
devo trattare i punti A e B come un corto circuito?
grazie di tutto
Non Capisco questo esercizio
Moderatori:
g.schgor,
IsidoroKZ
6 messaggi
• Pagina 1 di 1
0
voti
0
voti
Oltre il disegno puoi mica riportare anche il testo completo dell'esercizio ? L'unica corrente che può circolare è quella fornita dal generatore Ib, non vedo come possa essere indicata la Ia. Come dice utente-cancellato, c'è qualcosa che non quadra.
0
voti
Il problema potrebbe chiedere il circuito equivalente thevenin/Norton ai morsetti AB. Avere il testo e` quasi indispensabile 
Per usare proficuamente un simulatore, bisogna sapere molta più elettronica di lui
Plug it in - it works better!
Il 555 sta all'elettronica come Arduino all'informatica! (entrambi loro malgrado)
Se volete risposte rispondete a tutte le mie domande
Plug it in - it works better!
Il 555 sta all'elettronica come Arduino all'informatica! (entrambi loro malgrado)
Se volete risposte rispondete a tutte le mie domande
0
voti
luckygala ha scritto:Ciao a tutti!!
chiedo il vostro aiuto per analizzare ed eventualmente risolvere questo esercizio:
Un'analisi si può fare.
Innanzitutto il disegno andava rimpicciolito e ritagliato, prima di postarlo, dopo aver spostato in posizione più seria i dati di
e di
. Poi se ne poteva aumentare il contrasto e la luminosità, creando un fondo più chiaro con il disegno e le scritte più scure.
Più o meno avrebbe dovuto essere così
Passando all'analisi elettrica, dopo quella estetica, si nota innanzitutto l'assenza di una domanda e, ipotizzando una domanda, tipo: "Quanto vale
" si deve constatare l'assenza di un dato (
). Stesso discorso nel caso la domanda fosse:"Quanto vale
?"; nel qual caso occorrerebbe conoscere
.Se si pensa che tra A e B non ci sia collegato nulla, non si capisce perché sia fornito per
un valore diverso da zero.L'eventuale soluzione richiede una domanda, che non c'è, e che, se ci fosse, evidenzierebbe la mancanza di un dato, se si desidera una soluzione numerica. Se invece basta il procedimento letterale sono superflui anche gli altri dati, qualunque sia la domanda.
0
voti
chiedo scusa per l'immagine e l'approssimazione del messaggio...cercherò di fare meglio....
l'esercizio prevedeva queste richieste:
""Calcolare la resistenza equivalente Rab Rbc Rac""
""Calcolare Ira , Irb e Vab""
l'esercizio prevedeva queste richieste:
""Calcolare la resistenza equivalente Rab Rbc Rac""
""Calcolare Ira , Irb e Vab""
0
voti
luckygala ha scritto: ""Calcolare Ira , Irb e Vab""
Le correnti le puoi calcolare: una è un dato, l'altra una differenza; la tensione non si può calcolare, come già scritto (ma come forse non letto).
Per le resistenze la domanda è incompleta. Se è con Ae B aperti, due resistenze sono due dati, la terza una somma.
Se invece occorre tener conto della resistenza equivalente di chiusura, il calcolo non è possibile perché manca il solito dato
6 messaggi
• Pagina 1 di 1
Torna a Elettrotecnica generale
Chi c’è in linea
Visitano il forum: Nessuno e 37 ospiti

Elettrotecnica e non solo (admin)
Un gatto tra gli elettroni (IsidoroKZ)
Esperienza e simulazioni (g.schgor)
Moleskine di un idraulico (RenzoDF)
Il Blog di ElectroYou (webmaster)
Idee microcontrollate (TardoFreak)
PICcoli grandi PICMicro (Paolino)
Il blog elettrico di carloc (carloc)
DirtEYblooog (dirtydeeds)
Di tutto... un po' (jordan20)
AK47 (lillo)
Esperienze elettroniche (marco438)
Telecomunicazioni musicali (clavicordo)
Automazione ed Elettronica (gustavo)
Direttive per la sicurezza (ErnestoCappelletti)
EYnfo dall'Alaska (mir)
Apriamo il quadro! (attilio)
H7-25 (asdf)
Passione Elettrica (massimob)
Elettroni a spasso (guidob)
Bloguerra (guerra)





