da
BrunoValente » 31 gen 2010, 16:56
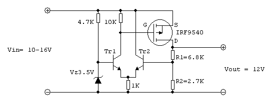
Propongo questo circuito a Videomaker, se è ancora interessato.
E' uno stabilizzatore che fa uso di un mosfet P e per questo ha un dropout basso: il mosfet scelto in saturazione ha una resistenza di 0.2 ohm tra drain e source e quindi se la tensione in ingresso è inferiore a circa 12.5V con 1.5A cadono solo 0.3V tra ingresso ed uscita, se la tensione in ingresso è superiore a 12.5V l'uscita è fissa a circa 12.2V.
Il circuito trova il suo equilibrio quando le due tensioni sulle basi di Tr1 e Tr2 sono uguali, cioè quando
![\[Vout\frac{R2}{R1+R2}=Vz\] \[Vout\frac{R2}{R1+R2}=Vz\]](/forum/latexrender/pictures/39cdf843bd8ee27f812310300691eb4e.png)
Da cui
![\[\frac{R1}{R2}=\frac{Vout}{Vz}-1\] \[\frac{R1}{R2}=\frac{Vout}{Vz}-1\]](/forum/latexrender/pictures/20d7b2ee1eb7250af1a6d85fdf5755d1.png)
e quindi con i valori scelti per R1 e R2 l'uscita dovrebbe stabilizzarsi intorno a 12.2V
Non ho provato il circuito ma non dovrebbe fare sorprese. Probabilmente per evitare auto-oscillazioni andrà frenato un po’ alle alte frequenze aggiungendo un condensatore al posto giusto e per renderlo stabile con carichi capacitivi si potrebbe pensare ad un gruppetto L//R in serie all'uscita come si fa con gli amplificatori di potenza BF.
Ovviamente il mosfet scalderà e andrà previsto un'adeguato smaltimento del calore generato.

- Alim basso dropout.JPG (28.72 KiB) Osservato 9225 volte
Il circuito può essere migliorato scegliendo un mosfet con una Ron più bassa riducendo così ulteriormente il valore di dropout, Ho scelto un IRF9540 perché è stato il primo che mi è venuto in mente mentre disegnavo lo schema.