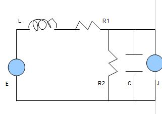
Salve qualcuno può mostrarmi il procedimento di questo esercizio?
calcolare la tensione vc(t) del condensatore per -inf<t<inf
i dati sono:
e(t)=10u(-t)
j(t)=30cos(220t)
r1=1
r2=2
C=2*10^-6 F
L=2,5*10^-3 H
è possibile risolvere tale problema senza dover utilizzare la sovrapposizione degli effetti per t<0?
circ del 2ordine con due generatori:costante e sinusoidale
Moderatori:
g.schgor,
IsidoroKZ
10 messaggi
• Pagina 1 di 1
0
voti
e(-t) è il generatore di tensione costante
j(t) è il generatore sinusoidale di corrente
j(t) è il generatore sinusoidale di corrente
0
voti
Perche' non vuoi usare la sovrapposizione degli effetti quando hai i due generatori attivi?
Visto che il generatore di tensione e` una continua, il condensatore per qualunque t<0 ha una tensione costante ai suoi capi data da E, il cui valore e` 2/3 di E, a cui e` sovrapposto il contributo di J.
Per ulteriori dettagli sulla soluzione serve sapere dov'e` la tua difficolta`, cioe` dove ti sei piantato, e quali strumenti matematici hai a disposizione per risolverlo (Laplace, equazioni differenziali, fasori...)
Visto che il generatore di tensione e` una continua, il condensatore per qualunque t<0 ha una tensione costante ai suoi capi data da E, il cui valore e` 2/3 di E, a cui e` sovrapposto il contributo di J.
Per ulteriori dettagli sulla soluzione serve sapere dov'e` la tua difficolta`, cioe` dove ti sei piantato, e quali strumenti matematici hai a disposizione per risolverlo (Laplace, equazioni differenziali, fasori...)
Per usare proficuamente un simulatore, bisogna sapere molta più elettronica di lui
Plug it in - it works better!
Il 555 sta all'elettronica come Arduino all'informatica! (entrambi loro malgrado)
Se volete risposte rispondete a tutte le mie domande
Plug it in - it works better!
Il 555 sta all'elettronica come Arduino all'informatica! (entrambi loro malgrado)
Se volete risposte rispondete a tutte le mie domande
0
voti
Un induttore cosi' NON lo avevo mai visto in vita mia ... manco quelli del politecnico di Milano ci son mai riusciti 
... io una mezza idea sul software usato ce l'ho !
BTW consiglierei il nostro nuovo amico subsa a fare una visitina su
a) http://www.electroportal.net/renzodf/wiki/articolo15 per scegliere un software FREE per lo schema e su
b) http://www.codecogs.com/components/equa ... editor.php
dove, impostando LaTeX dal menu a tendina della scelta formato ... potrebbe copiare e incollare il risultato fra
[ tex] ... [/tex ]
ottenendo formule favolose
... io una mezza idea sul software usato ce l'ho !
BTW consiglierei il nostro nuovo amico subsa a fare una visitina su
a) http://www.electroportal.net/renzodf/wiki/articolo15 per scegliere un software FREE per lo schema e su
b) http://www.codecogs.com/components/equa ... editor.php
dove, impostando LaTeX dal menu a tendina della scelta formato ... potrebbe copiare e incollare il risultato fra
[ tex] ... [/tex ]
ottenendo formule favolose
"Il circuito ha sempre ragione" (Luigi Malesani)
0
voti
IsidoroKZ ha scritto:Perche' non vuoi usare la sovrapposizione degli effetti quando hai i due generatori attivi?
Visto che il generatore di tensione e` una continua, il condensatore per qualunque t<0 ha una tensione costante ai suoi capi data da E, il cui valore e` 2/3 di E, a cui e` sovrapposto il contributo di J.
Per ulteriori dettagli sulla soluzione serve sapere dov'e` la tua difficolta`, cioe` dove ti sei piantato, e quali strumenti matematici hai a disposizione per risolverlo (Laplace, equazioni differenziali, fasori...)
in realtà volevo capire se è giusto risolvere il circuito senza dover usare la sovrapposizione perché all'esame l'ho svolto senza e la prof si è congratulata con me perché in questo modo ho reso più immediata la soluzione dell'esercizio.
Io ero convinta di averlo sbagliato perché in genere ho sempre applicato la sovrapposizione.
l'esercizio era da svolgere con equazioni differenziali e metodo dei fasori dato che uno dei due generatori è sinusoidale
0
voti
RenzoDF ha scritto:Un induttore cosi' NON lo avevo mai visto in vita mia ...
ehm....
0
voti
mi spiego meglio:
in genere un esercizio di questo tipo lo risolvo calcolandomi in t<0 le condizioni inziali che mi serviranno a risolvere il problema di cauchy.in t<0 ho due generatori accesi:uno di tensione ed uno sinusoidale.
la cosa più logica da fare sembrerebbe calcolare le condizioni iniziali sulle due variabili di stato(tensione sul condensatore e corrente nell'induttore) come la sovrapposizione di due effetti.
il contributo dovuto al generatore di tensione lo si calcola valutando il circuito in regime stazionario ....quello dovuto al generatore sinusoidale di corrente lo si calcola passando al dominio dei fasori e antitrasformando.alla fine si sommano i contributi e si ottengono così la corrente nell'induttore e la tensione sul cond per t<0.
per t>0 il circuito è dinamico...e l'unico generatore acceso è quello sinusoidale...imposto il sistema globale con le leggi di k. e le relazioni caratteristiche dei bipoli e trovo l'equazione differenziale del 2°ordine nella variabile Vc(tensione sul cond) la cui soluzione sarà la somma dell'integrale generale dell'omogenea associata + integrale particolare.
l'integrale particolare si ottiene studiando il circuito per t->inf dove il circuito è dinuovo a regime e quindi va dinuovo calcolato nel dominio dei fasori.
la domanda dunque è la seguente:
visto che il termine di regime calcolaro per t->inf è lo stesso valore del contributo del generatore sinusoidale calcolato in t<0
ha senso non considerarlo proprio nella sovrapposizione degli effetti???
non so se sono stata più chiara...il problema è che per la porf io ho risolto benissimo l'esercizio valutando in t<0 acceso solo il generatore di tensione costante....io ovviamente ...trattandosi dello scritto di un esame non ho assolutamente obiettato
ma ancora non ho capito in base a quale teoria per lei è giusto farlo così...e non sia mai me lo chiede all'orale!!!!
in genere un esercizio di questo tipo lo risolvo calcolandomi in t<0 le condizioni inziali che mi serviranno a risolvere il problema di cauchy.in t<0 ho due generatori accesi:uno di tensione ed uno sinusoidale.
la cosa più logica da fare sembrerebbe calcolare le condizioni iniziali sulle due variabili di stato(tensione sul condensatore e corrente nell'induttore) come la sovrapposizione di due effetti.
il contributo dovuto al generatore di tensione lo si calcola valutando il circuito in regime stazionario ....quello dovuto al generatore sinusoidale di corrente lo si calcola passando al dominio dei fasori e antitrasformando.alla fine si sommano i contributi e si ottengono così la corrente nell'induttore e la tensione sul cond per t<0.
per t>0 il circuito è dinamico...e l'unico generatore acceso è quello sinusoidale...imposto il sistema globale con le leggi di k. e le relazioni caratteristiche dei bipoli e trovo l'equazione differenziale del 2°ordine nella variabile Vc(tensione sul cond) la cui soluzione sarà la somma dell'integrale generale dell'omogenea associata + integrale particolare.
l'integrale particolare si ottiene studiando il circuito per t->inf dove il circuito è dinuovo a regime e quindi va dinuovo calcolato nel dominio dei fasori.
la domanda dunque è la seguente:
visto che il termine di regime calcolaro per t->inf è lo stesso valore del contributo del generatore sinusoidale calcolato in t<0
ha senso non considerarlo proprio nella sovrapposizione degli effetti???
non so se sono stata più chiara...il problema è che per la porf io ho risolto benissimo l'esercizio valutando in t<0 acceso solo il generatore di tensione costante....io ovviamente ...trattandosi dello scritto di un esame non ho assolutamente obiettato
0
voti
subsa ha scritto:RenzoDF ha scritto:Un induttore cosi' NON lo avevo mai visto in vita mia ...
ehm....chiedo venia per il circuito un po' naif che ho disegnato...ho usato semplicemente openoffice...
Perdonata ! .... ma, ora, ti sei procurata gli strumenti che ti ho consigliato ?
"Il circuito ha sempre ragione" (Luigi Malesani)
0
voti
subsa ha scritto:la domanda dunque è la seguente:
visto che il termine di regime calcolaro per t->inf è lo stesso valore del contributo del generatore sinusoidale calcolato in t<0
Adesso la domanda si capisce meglio. Quello che hai fatto e` giusto e hai usato la sovrapposizione degli effetti.
Il circuito e` lineare, quindi vale la sovrapposizione. La cosa importante e` come la usi, se in modo bovino o in modo volpino, come diceva un prof di geometria
Circuito lineare con due generatori vuol dire che puoi calcolare separatamente l'effetto di ciascun generatore e poi sommare i contributi. La differenza e` quando sommare i contributi. Puoi sommarli a t=0 per avere le condizioni iniziali complessive e poi risolvere l'eq diff che ha anche il coseno come termine forzante, oppure puoi dire: faccio finta che il generatore di corrente non sia mai esistito e calcolo solo l'effetto del gradino, con t da meno infinito a piu` infinito. Lo strumento per fare questo e` presumibilmente una equazione differenziale, oppure Laplace.
Poi sopprimi il gradino e metti solo il generatore cosinusoidale. Questo non ha transitori, e` sempre a regime e calcoli solo l'effetto di questo gen come se l'altro generatore non fosse mai esistito. Strumento per fare questo calcolo sono i fasori (ma anche eq. diff o Laplace), e trovi un risultato che devi riportare nel tempo.
Ora hai i due risultati nel tempo, li sommi (sovrapposizione degli effetti usata sui risultati finali, non sulle condizioni iniziali) e hai la tensione complessiva su C trovata in modo volpino!
Se non ti piace u(-t), puoi anche scrivere il generatore a gradino come una continua di 10V che quindi e` sempre a regime, come la sinusoide di prima, e poi risolvi il problema con un ulteriore generatore e'(t)=-10 u(t) V. Ma direi che non ne valga la pena.
In ogni caso hai usato la sovrapposizione degli effetti anche per t<0, quando hai sommato le due soluzioni.
Per usare proficuamente un simulatore, bisogna sapere molta più elettronica di lui
Plug it in - it works better!
Il 555 sta all'elettronica come Arduino all'informatica! (entrambi loro malgrado)
Se volete risposte rispondete a tutte le mie domande
Plug it in - it works better!
Il 555 sta all'elettronica come Arduino all'informatica! (entrambi loro malgrado)
Se volete risposte rispondete a tutte le mie domande
0
voti
grazie sei stato gentilissimo!dei ragazzi del corso mi avevano fatto venire dei dubbi su tale procedimento.
grazie ancora!ciaoo
grazie ancora!ciaoo
10 messaggi
• Pagina 1 di 1
Torna a Elettrotecnica generale
Chi c’è in linea
Visitano il forum: Google [Bot] e 113 ospiti

Elettrotecnica e non solo (admin)
Un gatto tra gli elettroni (IsidoroKZ)
Esperienza e simulazioni (g.schgor)
Moleskine di un idraulico (RenzoDF)
Il Blog di ElectroYou (webmaster)
Idee microcontrollate (TardoFreak)
PICcoli grandi PICMicro (Paolino)
Il blog elettrico di carloc (carloc)
DirtEYblooog (dirtydeeds)
Di tutto... un po' (jordan20)
AK47 (lillo)
Esperienze elettroniche (marco438)
Telecomunicazioni musicali (clavicordo)
Automazione ed Elettronica (gustavo)
Direttive per la sicurezza (ErnestoCappelletti)
EYnfo dall'Alaska (mir)
Apriamo il quadro! (attilio)
H7-25 (asdf)
Passione Elettrica (massimob)
Elettroni a spasso (guidob)
Bloguerra (guerra)


