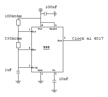
Alfa03 ha scritto:Allora, ovviamente nello schema i PIN del 4017 sono in senso antiorario partendo dall'1 vero? e l'1 è dalla parte del semicerchio, ok, mi son scaricato il pinout!
Cosa migliore scaricarsi il data sheet. Visto da sopra e` in senso antiorario
Alfa03 ha scritto:I MOS che comandano le stringhe di led sono ovviamente i 2N7000 giusto? In pratica, comandano la massa dei led?
Si`, un transistore per ogni lettera. Ogni transistore puo` pilotare 5 o anche 6 stringhe di led. Quanti led hai per lettera
Alfa03 ha scritto:La prima lettera la metto a massa diretta per farla stare sempre accesa?
Si`, tutti i componenti dentro al rettangolo possono essere omessi e collegare direttamente i led al negativo del circuito (quello che esce dal filtro). Avevo messo il comando sul primo per poter fare una protezione, poi ho visto che non serve.
Alfa03 ha scritto:Precisazione, nello schema hai inserito due file di led in parallelo per comodità, o per un motivo preciso? metto tranquillamente 5 LED in serie con resistenza da 560 ohm 1/4 di watt?
Ho disegnato due led e due file solo per motivi di spazio. 5 file di 5 led ciascunea dovrebbero essere OK. Fino a 5 file di led basta un 2N7000.
Alfa03 ha scritto:Poi, se ad esempio devo fare una lettera da 20 LED, farò 4 circuiti composti con i 2N7000, e li metterò tutti ad esempio sul PIN 3 che comanda la seconda lettera, o sul PIN 2 che comanda la terza lettera, e così via? O al 2N7000 della seconda lettera ci collego 4 stringhe di LED in parallelo ognuno con la sua resistenza?
20 led li metti in serie 5 per volta, rispettando le polarita`, e ogni serie ha la sua resistenza. Le quattro file vanno tutte su un unico 2N7000
Alfa03 ha scritto:Ultima cavolata... i 2N7000, diciamo vedendo i PIN così --- con la mezzaluna verso l'alto della pagina e la parte piatta sotto, si ha da sx a dx S G D giusto?
Guarda il data sheet
Per quanto riguarda l'elenco componenti, controllalo tu

. Devi fare il circuito oscillatore, il circuito con il 4017 e tutti i led. Ho messo due circuiti di alimentazione. Devi costruire ALIMENTAZIONE 1
OPPURE ALIMENTAZIONE2. Sono in alternativa. Quello senza 317 e` piu` semplice ma la luce varia con camion acceso/spento. Il secondo e` un po' piu` protetto e luce piu` stabile, ma e` piu` complicato.
Nell'elenco componenti dell'oscllatore mi sempra ci sia troppa roba: 2 R e 2 C oltre l'integrato.
Nel comando led perche' 60 R da 560 ohm? Se hai in tutto 120 led (ad esempio) fanno circa 24 file e quindi 24 resistenze. Di resistenze da 68kohm ce ne vuole una per MOS, se hai 5 lettere comandate (la prima sempre accesa) servono 5 MOS e 5 resistenze da 68kohm. Un MOS puo` accendere fino a 5 file di 5 led l'una.
L'elenco componenti dell'alimentazione mi sembra sbagliato: hai scritto ALIMENTAZIONE 2 e poi messo dei componenti della 1.