Cos'è ElectroYou | Login Iscriviti

ElectroYou - la comunità dei professionisti del mondo elettrico

Sostituire Valvola

hi-fi, luci, suoni, effetti speciali, palcoscenici...

Moderatore: Foto UtenteIsidoroKZ

0
voti

[331] Re: Sostituire Valvola

Messaggioda Foto Utenteadmin » 2 apr 2010, 20:03

GizMo ti avevo proposto di chiudere questa telenovela al messaggio n. [308].
Lo potrei fare senza il tuo consenso, ma la proposta era per venirti incontro.
Mi hai ignorato e continui.

Sei piuttosto solo e non puoi combattere su più fronti: sono troppi, dammi retta.
Non riconosci chi sta facendo sul serio e chi sta scherzando e questo non è un bel segno.

Ora devi replicare con precisione a quanto ti ha detto IsidoroKZ:

IsidoroKZ ha scritto:Non e` una teoria, e` la definizione di hifi. Ovviamente ognuno puo` preferire un po' di distorsione se gli piace di piu`, si entra nel campo del my-fi. Ma allora perche' dicevi come cosa buona il fatto che il tuo ampli distorcesse solo dello 0.08%?


Vedi che stai perfino confondendo definizione e teoria?
Chi vede in te tale confusione finisce per attribuirla anche alle tue sensazioni uditive.

Quindi perché non mettere un punto?

Le tue idee le hai esposte.
Gli altri hanno esposto le loro.
Chi legge ha tutti gli elementi per valutare.

E' inutile andare avanti: ora occorre lasciare che il tempo faccia il suo lavoro.
Avatar utente
Foto Utenteadmin
196,7k 9 12 17
Manager
Manager
 
Messaggi: 11953
Iscritto il: 6 ago 2004, 13:14

0
voti

[332] Re: Sostituire Valvola

Messaggioda Foto UtenteGizMo » 2 apr 2010, 22:10

brabus ha scritto:
GizMo ha scritto:se sei un moderatore e' strano che non te ne sei gia' andato da un forum dove nessuno crede che questi componenti servano a qualcosa.


Si spieghi meglio.


Che visto che ho affermato che usando resistenze ad impasto sul filtro ricostruttore di un DAC ho notato un miglioramento del suono questi qua manno dato del pazzo allucinato e via discorrendo... quindi non so quale sia la tua idea in merito ma o per loro sei pazzo anche te oppure sei d'accordo con loro per continuare a prendere in giro.
Avatar utente
Foto UtenteGizMo
0 1
New entry
New entry
 
Messaggi: 94
Iscritto il: 27 mar 2010, 12:27

0
voti

[333] Re: Sostituire Valvola

Messaggioda Foto UtenteGizMo » 2 apr 2010, 22:16

admin ha scritto:GizMo ti avevo proposto di chiudere questa telenovela al messaggio n. [308].
[..]
E' inutile andare avanti: ora occorre lasciare che il tempo faccia il suo lavoro.


Si vabbhe, cancella anche la mia utenza e spazza via tutto, bye
Avatar utente
Foto UtenteGizMo
0 1
New entry
New entry
 
Messaggi: 94
Iscritto il: 27 mar 2010, 12:27

3
voti

[334] Re: Sostituire Valvola

Messaggioda Foto UtenteBrunoValente » 16 mag 2010, 21:27

Ciao AleArdu, come si dice...meglio tardi che mai.
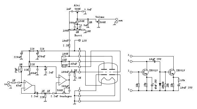
Questo è lo schema del tuo distorsore, a destra c'è riportato un circuitino con due fet che dovrebbe simulare la valvola.
Se riesci a procurarti un connettore maschio identico allo zoccolo della valvola puoi provare a costruire proprio un simulatore di valvola da innestare nello stesso connettore.
Non serve dire che questo circuito simula in qualche modo la valvola solo in questa applicazione e che non va assolutamente utilizzato in altri circuiti.
Il suono non sarà proprio identico all'originale ma gli somiglierà molto.
controlla che i valori delle tensioni sui due drain siano grosso modo la metà di quello della tensione di alimentazione.
Fammi sapere.
Avatar utente
Foto UtenteBrunoValente
39,6k 7 11 13
G.Master EY
G.Master EY
 
Messaggi: 7796
Iscritto il: 8 mag 2007, 14:48

0
voti

[335] Re: Sostituire Valvola

Messaggioda Foto UtenteAleArdu » 19 mag 2010, 0:05

WOW! grazie mille Bruno! :D
leggo solo ora questa risposta e son veramente curioso di provare questa soluzione alternativa alla valvola!
magari come hai detto te proverò a fare una "finta valvola" con questo circuito... proverò in qualche modo prima a vedere come funziona, e se i risultati son molto buoni allora mi faccio una "valvola" con quello schema.

non so come ringraziarti!
Avatar utente
Foto UtenteAleArdu
5 2 5
Frequentatore
Frequentatore
 
Messaggi: 247
Iscritto il: 3 set 2009, 18:55

1
voti

[336] Re: Sostituire Valvola

Messaggioda Foto UtenteTardoFreak » 19 mag 2010, 0:50

AleArdu ha scritto:...non so come ringraziarti!

Ti fai dare le sue coordinate bancarie e gli fai un bel bonifico. :mrgreen: :mrgreen: :mrgreen:
"La follia sta nel fare sempre la stessa cosa aspettandosi risultati diversi".
"Parla soltanto quando sei sicuro che quello che dirai è più bello del silenzio".
Rispondere è cortesia, ma lasciare l'ultima parola ai cretini è arte.
Avatar utente
Foto UtenteTardoFreak
73,9k 8 12 13
-EY Legend-
-EY Legend-
 
Messaggi: 15754
Iscritto il: 16 dic 2009, 11:10
Località: Torino - 3° pianeta del Sistema Solare

0
voti

[337] Re: Sostituire Valvola

Messaggioda Foto UtenteAleArdu » 27 mag 2010, 0:48

eccomi qui!
ho acquistato finalmente tutti i componenti, ed ora ho assemblato il circuito su breadboard. :D
il problema è che non so di preciso come sono orientati Drain, Gate e Source dei mosfet... è D, G, S partendo dal basso o D, G, S partendo dall'alto? non si capisce molto bene dai datasheet.
io comunque ho collegato i 2 lasciando Drain verso l'alto e Gate al centro e souce verso il basso. ho fatto giusto?
grazie ancora! :D
Avatar utente
Foto UtenteAleArdu
5 2 5
Frequentatore
Frequentatore
 
Messaggi: 247
Iscritto il: 3 set 2009, 18:55

1
voti

[338] Re: Sostituire Valvola

Messaggioda Foto UtenteBrunoValente » 27 mag 2010, 10:52

Hai ragione: a volte nei datasheet la disposizione dei terminali è ambigua ma qui sembra chiara.
http://www.datasheetcatalog.org/datashe ... /70238.pdf
Se hai ancora dubbi:

Avatar utente
Foto UtenteBrunoValente
39,6k 7 11 13
G.Master EY
G.Master EY
 
Messaggi: 7796
Iscritto il: 8 mag 2007, 14:48

1
voti

[339] Re: Sostituire Valvola

Messaggioda Foto UtenteBrunoValente » 27 mag 2010, 11:11

in effetti forse ho contribuito anch'io all'ambiguità perche il simbolo corretto per il fet N è questo

Non mi piace perché è simmetrico rispetto al gate e non si individuano gli altri due terminali e spesso uso l'altro che non è corretto.
Avatar utente
Foto UtenteBrunoValente
39,6k 7 11 13
G.Master EY
G.Master EY
 
Messaggi: 7796
Iscritto il: 8 mag 2007, 14:48

0
voti

[340] Re: Sostituire Valvola

Messaggioda Foto UtenteAleArdu » 27 mag 2010, 11:12

perfetto! appena posso lo provo e ti faccio sapere... grazie mille :D
Avatar utente
Foto UtenteAleArdu
5 2 5
Frequentatore
Frequentatore
 
Messaggi: 247
Iscritto il: 3 set 2009, 18:55

PrecedenteProssimo

Torna a Elettronica e spettacolo

Chi c’è in linea

Visitano il forum: Nessuno e 14 ospiti