Grazie mille signori...
cercherò di fare tesoro dei consigli che mi avete dato...
Saluti
Assorbimento carico resistivo trifase + monofase
Moderatori:
g.schgor,
IsidoroKZ
15 messaggi
• Pagina 2 di 2 • 1, 2
0
voti
RenzoDF ha scritto:a) si, si perde ... in tutti i casi di squilibrio anche se solo relativo a carichi puramente resistivi ... ti basti pensare a cosa succede nel caso di un unico carico monofase inserito: una corrente nulla e le altre due sfasate di 180°.
Ma scusate l'ignoranza... quindi idelamente anche se ho apparecchiature con tutti carichi resistivi ci si potrebe trovare nella condizione di rifasare l'impianto??... non ho mai sentito dire di gente che rifasa impianti per dei carichi resistivi...
Saluti
0
voti
mardock ha scritto:... non ho mai sentito dire di gente che rifasa impianti per dei carichi resistivi...![]()
Perché, secondo te, nel caso finora esaminato, c'è forse la necessità di rifasare?
0
voti
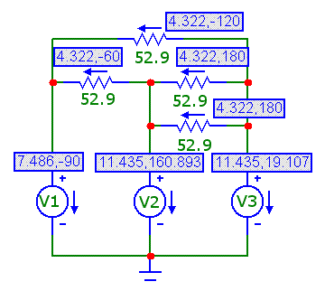
E, per non farci mancar nulla anche con LTspice ...
a) costruiamo la rete
b) simuliamo con una ac list 50 ottenendo i valori in modulo e fase
c) attraverso qualche riga aggiuntiva di .measure, che permettono il calcolo delle indicazioni di tre wattmetri virtuali P12, P23 e P12,3 (A,B e C rispettivamente, otteniamo anche una misura in Righi
(visualizzabile attraverso View > SPICE Error Log)
NB per simulare gli amperometri sono stati usati tre generatori di tensione con f.e.m. nulla .
a) costruiamo la rete
b) simuliamo con una ac list 50 ottenendo i valori in modulo e fase
c) attraverso qualche riga aggiuntiva di .measure, che permettono il calcolo delle indicazioni di tre wattmetri virtuali P12, P23 e P12,3 (A,B e C rispettivamente, otteniamo anche una misura in Righi
(visualizzabile attraverso View > SPICE Error Log)
NB per simulare gli amperometri sono stati usati tre generatori di tensione con f.e.m. nulla .
"Il circuito ha sempre ragione" (Luigi Malesani)
15 messaggi
• Pagina 2 di 2 • 1, 2
Torna a Elettrotecnica generale
Chi c’è in linea
Visitano il forum: Nessuno e 23 ospiti

Elettrotecnica e non solo (admin)
Un gatto tra gli elettroni (IsidoroKZ)
Esperienza e simulazioni (g.schgor)
Moleskine di un idraulico (RenzoDF)
Il Blog di ElectroYou (webmaster)
Idee microcontrollate (TardoFreak)
PICcoli grandi PICMicro (Paolino)
Il blog elettrico di carloc (carloc)
DirtEYblooog (dirtydeeds)
Di tutto... un po' (jordan20)
AK47 (lillo)
Esperienze elettroniche (marco438)
Telecomunicazioni musicali (clavicordo)
Automazione ed Elettronica (gustavo)
Direttive per la sicurezza (ErnestoCappelletti)
EYnfo dall'Alaska (mir)
Apriamo il quadro! (attilio)
H7-25 (asdf)
Passione Elettrica (massimob)
Elettroni a spasso (guidob)
Bloguerra (guerra)




