riscrivo ciò che ho scritto su matematicamente:
salve a tutti avrei bisogno di aiuto con un esercizio.
Di regola in questo forum si posta prima un' idea di soluzione, ma purtroppo questa volta ho ben poco da dire perché avrei bisogno che qualcuno mi spiegasse in dettaglio tutti i passaggi per risolvere l'esercizio, ovviamente se nessuno mi risponde non importa, ma visto che mi trovo in difficoltà provo a postare l'esercizio, mal che vada non ricevo nessuna risposta
L'esercizio è il seguente:
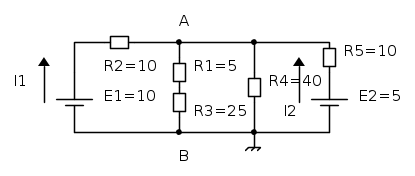
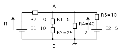
Nel circuito mostrato in figura (
http://www.swoopshare.com/file/c3b5cf9c ... 1.bmp.html)

,

,

,

,

,

,

,
Determinare la potenza erogata dai generatori e l'espressione del campo elettrico presente nelle resistenze

ed

.
Le uniche cose che so dell'esercizio è che le resistenze

ed

sono in serie ed

è in parallelo con la serie di

ed

.
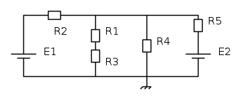
Dunque chiamo

; e

; (se non ho fatto errori di calcoli).
Allora il circuito si trasforma nel seguente (
http://www.swoopshare.com/file/bb300a5e ... e.bmp.html).
Da qui in poi non so andare avanti, ovvero so che si utilizzano le leggi di Kirchhoff dei nodi e delle maglie per risolvere l'esercizio, ma il problema è che non so bene come utilizzarle. La legge dei nodi dice che la somma delle correnti entranti in un nodo è uguale alla somma delle correnti uscenti in un nodo; la legge delle maglie dice che in una maglia la somma delle forze elettromotrici è uguale alla somma delle cadute di potenziale.
Ringrazio chi mi vorrà aiutare a capire questo esercizio, a presto

per quanto riguarda il disegno del circuito preferisco lasciare il link della foto del disegno, non so perché ma non riesco a mettere i disegni in allegato al messaggio