Cos'è ElectroYou | Login Iscriviti

ElectroYou - la comunità dei professionisti del mondo elettrico

esercizio sui circuiti elettrici

Leggi e teorie della fisica

Moderatori: Foto UtenteIsidoroKZ, Foto UtentePietroBaima, Foto UtenteIanero

0
voti

[1] esercizio sui circuiti elettrici

Messaggioda Foto Utentefisica » 21 giu 2010, 14:00

posto il link di un esercizio che ho già postato su matematicamente, (spero che non sia un problema per voi se faccio riferimento al link di un altro forum, se è un problema non esitate a dirmelo)
http://www.matematicamente.it/forum/spi ... 58342.html

su questo topic che ho aperto su matematicamente ho scritto tutte le osservazioni che mi sono venute in mente, però forse sarebbe stato più opportuno se avessi postato qui l'esercizio invece che su matematicamente, visto che questo forum si occupa più dettagliatamente della fisica che su matematicamente, purtroppo mi è venuto in mente tardi :mrgreen:
Avatar utente
Foto Utentefisica
0 2
 
Messaggi: 24
Iscritto il: 20 mar 2010, 14:07

0
voti

[2] Re: esercizio sui circuiti elettrici

Messaggioda Foto UtenteRenzoDF » 21 giu 2010, 14:09

sarebbe preferibile ripostarlo qui usando immagini allegate al post, magari usando FidoCad (o FidocadJ) :wink:

http://www.electroportal.net/darwinne/wiki/fidocadj
devi solo scaricare 300k e non necessita di installazione
http://davbucci.chez-alice.fr/index.php ... e=Italiano

per esempio un paio di minuti ed ecco il risultato



Possiamo sapere cosa studi e dove ? (2 domande ! :) ) Grazie
"Il circuito ha sempre ragione" (Luigi Malesani)
Avatar utente
Foto UtenteRenzoDF
55,9k 8 12 13
G.Master EY
G.Master EY
 
Messaggi: 13189
Iscritto il: 4 ott 2008, 9:55

0
voti

[3] Re: esercizio sui circuiti elettrici

Messaggioda Foto Utentefisica » 21 giu 2010, 15:16

riscrivo ciò che ho scritto su matematicamente:
salve a tutti avrei bisogno di aiuto con un esercizio.
Di regola in questo forum si posta prima un' idea di soluzione, ma purtroppo questa volta ho ben poco da dire perché avrei bisogno che qualcuno mi spiegasse in dettaglio tutti i passaggi per risolvere l'esercizio, ovviamente se nessuno mi risponde non importa, ma visto che mi trovo in difficoltà provo a postare l'esercizio, mal che vada non ricevo nessuna risposta :-D
L'esercizio è il seguente:
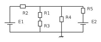
Nel circuito mostrato in figura (http://www.swoopshare.com/file/c3b5cf9c ... 1.bmp.html)
\varepsilon_1 =10 V, \varepsilon_2 =5 V, R_1=5\Omega, R_2=10 \Omega, R_3=25 \Omega, R_4=40 \Omega, R_5=10 \Omega,
Determinare la potenza erogata dai generatori e l'espressione del campo elettrico presente nelle resistenze R_2 ed R_3.

Le uniche cose che so dell'esercizio è che le resistenze R_1 ed R_3 sono in serie ed R_4 è in parallelo con la serie di R_1 ed R_3.
Dunque chiamo R_s=R_1+R_3=30 \Omega; e R_p=(R_4 R_s)/(R_4 + R_s)=17.14 \Omega; (se non ho fatto errori di calcoli).
Allora il circuito si trasforma nel seguente (http://www.swoopshare.com/file/bb300a5e ... e.bmp.html).
Da qui in poi non so andare avanti, ovvero so che si utilizzano le leggi di Kirchhoff dei nodi e delle maglie per risolvere l'esercizio, ma il problema è che non so bene come utilizzarle. La legge dei nodi dice che la somma delle correnti entranti in un nodo è uguale alla somma delle correnti uscenti in un nodo; la legge delle maglie dice che in una maglia la somma delle forze elettromotrici è uguale alla somma delle cadute di potenziale.
Ringrazio chi mi vorrà aiutare a capire questo esercizio, a presto :D

per quanto riguarda il disegno del circuito preferisco lasciare il link della foto del disegno, non so perché ma non riesco a mettere i disegni in allegato al messaggio
Avatar utente
Foto Utentefisica
0 2
 
Messaggi: 24
Iscritto il: 20 mar 2010, 14:07

0
voti

[4] Re: esercizio sui circuiti elettrici

Messaggioda Foto UtenteRenzoDF » 21 giu 2010, 15:27

fisica ha scritto:per quanto riguarda il disegno del circuito preferisco lasciare il link della foto del disegno
insieme agli allegati (praticamente sono la stessa cosa)


ci avrei quasi scommesso, ma, con questa premessa, io lascio la discussione :mrgreen:
"Il circuito ha sempre ragione" (Luigi Malesani)
Avatar utente
Foto UtenteRenzoDF
55,9k 8 12 13
G.Master EY
G.Master EY
 
Messaggi: 13189
Iscritto il: 4 ott 2008, 9:55

0
voti

[5] Re: esercizio sui circuiti elettrici

Messaggioda Foto Utentefisica » 21 giu 2010, 15:29

vabene facciamo finta che non ho scritto niente grazie lo stesso
Avatar utente
Foto Utentefisica
0 2
 
Messaggi: 24
Iscritto il: 20 mar 2010, 14:07

0
voti

[6] Re: esercizio sui circuiti elettrici

Messaggioda Foto UtenteIsidoroKZ » 21 giu 2010, 15:30

Oltre alle leggi di Kirchhoff conosci anche la sovrapposizione degli effetti (o il principio di sovrapposizione degli effetti)? E questa e` la terza domanda, dopo le due di RenzoDF :)
Per usare proficuamente un simulatore, bisogna sapere molta più elettronica di lui
Plug it in - it works better!
Il 555 sta all'elettronica come Arduino all'informatica! (entrambi loro malgrado)
Se volete risposte rispondete a tutte le mie domande
Avatar utente
Foto UtenteIsidoroKZ
121,2k 1 3 8
G.Master EY
G.Master EY
 
Messaggi: 21059
Iscritto il: 17 ott 2009, 0:00

0
voti

[7] Re: esercizio sui circuiti elettrici

Messaggioda Foto Utenteangus » 21 giu 2010, 15:31

Tra i vari modi per risolverlo, mi salta subito agli occhi il teorema di Millman
Magari non è il più semplice, ma mi è sempre stato simpatico
in /dev/null no one can hear you scream
Avatar utente
Foto Utenteangus
8.475 4 6 9
G.Master EY
G.Master EY
 
Messaggi: 4168
Iscritto il: 20 giu 2008, 17:25

0
voti

[8] Re: esercizio sui circuiti elettrici

Messaggioda Foto UtenteIsidoroKZ » 21 giu 2010, 15:33

Ah, e` vero c'e` anche quello :), non me ricordo mai che c'e` anche lui. Ma adesso preferisco il teorema di RenzoDF :)
Per usare proficuamente un simulatore, bisogna sapere molta più elettronica di lui
Plug it in - it works better!
Il 555 sta all'elettronica come Arduino all'informatica! (entrambi loro malgrado)
Se volete risposte rispondete a tutte le mie domande
Avatar utente
Foto UtenteIsidoroKZ
121,2k 1 3 8
G.Master EY
G.Master EY
 
Messaggi: 21059
Iscritto il: 17 ott 2009, 0:00

0
voti

[9] Re: esercizio sui circuiti elettrici

Messaggioda Foto Utenteangus » 21 giu 2010, 15:34

IsidoroKZ ha scritto:... RenzoDF :)

ha fatto FOLD :mrgreen:
in /dev/null no one can hear you scream
Avatar utente
Foto Utenteangus
8.475 4 6 9
G.Master EY
G.Master EY
 
Messaggi: 4168
Iscritto il: 20 giu 2008, 17:25

0
voti

[10] Re: esercizio sui circuiti elettrici

Messaggioda Foto Utenteadmin » 21 giu 2010, 16:46

Renzo ha ragione.
Possibile che non vogliate aiutare chi vi può aiutare?
Vi si chiede un piccolo sforzo perché il nostro forum sia efficace, utile ed anche bello da vedere, senza quegli orrende immagini dei link....Niente....mah.. :roll:
E' stato inserito FidocadJ per gli schemi, facilissimo da usare, con schemi immediatamente riutilizzabili.
Guarda, ad esempio: io ho preso il disegno di Renzo corrispondente al tuo circuito ed ho aggiunto alcune indicazioni che utilizzo nei calcoli che, nonostante tutto, ti mando.


Non per farti un piacere, ma per far vedere come utilizzare, rispettandolo, il nostro forum.
E' risolto usando Millman cui si è accennato.

\begin{array}{l}
 R_{134}  = \frac{{R_4  \cdot \left( {R_1  + R_3 } \right)}}{{R_1  + R_3  + R_4 }} = \frac{{30 \cdot 40}}{{70}} = 17,1{\rm{ }}\Omega  \\ 
\\
 U_{AB}  = \frac{{\frac{{E_1 }}{{R_2 }} + \frac{{E_2 }}{{R_5 }}}}{{\frac{1}{{R_1 }} + \frac{1}{{R_5 }} + \frac{1}{{R_{134} }}}} = \frac{{1 + 0,5}}{{0,2 + 0,1 + 0,0583}} = 4,19{\rm{ V}} \\ 
\\
 I_1  = \frac{{E_1  - U_{AB} }}{{R_1 }} = \frac{{5,81}}{5} = 1,16{\rm{ A}} \\ 
\\
 I_2  = \frac{{E_2  - U_{AB} }}{{R_5 }} = \frac{{0,81}}{{10}} = 0,081{\rm{ A}} \\ 
\\
 P = E_1  \cdot I_1  + E_2  \cdot I_2  = 10 \cdot 1,16 + 5 \cdot 0,081 = 12{\rm{ W}} \\ 
 \end{array}

Il campo elettrico nelle resistenze è una domanda cui non si può rispondere se non se ne conosce la geometria
Avatar utente
Foto Utenteadmin
196,6k 9 12 17
Manager
Manager
 
Messaggi: 11949
Iscritto il: 6 ago 2004, 13:14

Prossimo

Torna a Fisica generale

Chi c’è in linea

Visitano il forum: Nessuno e 7 ospiti