ragazzi, mi chiedevo, esiste un circuito che può trasformarmi una corrente continua 12V 1A CC a 12V 100mA AC?
grazie mille, ma non saprei come fare
corrente continua -> corrente alternata
Moderatori:
carloc,
g.schgor,
BrunoValente,
IsidoroKZ
17 messaggi
• Pagina 1 di 2 • 1, 2
0
voti
0
voti
Sì, si chiama inverter.
A quale frequenza?
Se ti va bene ad onda quadra è facile, se ti occorre che sia sinusoidale è difficile.
A quale frequenza?
Se ti va bene ad onda quadra è facile, se ti occorre che sia sinusoidale è difficile.
-

BrunoValente
39,6k 7 11 13 - G.Master EY

- Messaggi: 7796
- Iscritto il: 8 mag 2007, 14:48
0
voti
50Hz di frequenza, va bene anche ad onda quadra
0
voti
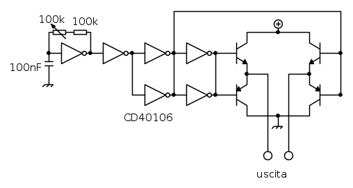
Questo dovrebbe andare bene
Con il trimmer aggiusti la frequenza.
Per l'integrato, se non lo conosci, puoi far riferimento al datasheet
I transistor possono essere di qualsiasi tipo, devono sopportare la corrente del carico.
La tensione di uscita è di circa 11V di picco se alimenti il circuito a 12V.
Puoi alimentare il circuito al massimo con 16-17V ottenendo 15-16V di picco in uscita.
Monta un condensatore elettrolitico da 470uf tra + e -
Con il trimmer aggiusti la frequenza.
Per l'integrato, se non lo conosci, puoi far riferimento al datasheet
I transistor possono essere di qualsiasi tipo, devono sopportare la corrente del carico.
La tensione di uscita è di circa 11V di picco se alimenti il circuito a 12V.
Puoi alimentare il circuito al massimo con 16-17V ottenendo 15-16V di picco in uscita.
Monta un condensatore elettrolitico da 470uf tra + e -
-

BrunoValente
39,6k 7 11 13 - G.Master EY

- Messaggi: 7796
- Iscritto il: 8 mag 2007, 14:48
0
voti
Candy ha scritto:Il ponte ad H così fatto è un poco critico, meglio invertire di posto i transistor NPN con i PNP.
Sei sicuro? secondo me faresti un bel botto :)
-

BrunoValente
39,6k 7 11 13 - G.Master EY

- Messaggi: 7796
- Iscritto il: 8 mag 2007, 14:48
0
voti
La replica dovrebbe essere più approfondita, serò invece breve.
Così fatto hai risparmiato parecchio in termini di polarizzazione dei transistor, ti sei affidato al carico in tutto e per tutto, che scongiuri non vada mai in corto. Però il ponte si mangia circa 2 V, (da dissipare in relazione alla corrente), e che sono tanti rispetto al fatto dei 15 V massimi di alimentazione, per via del CMOS collegato secco in base ai BJT.
Polarizzando un poco meglio i transistor, si riescono ad invertire, non si mangiano 1 V circa cadauno tra collettore-emitter, non scaldano tanto e con qualche diodo in antiparallelo li si salva anche dai carichi induttivi.
Certo, il tuo schema è di massima, tradizionale. (Non mi è mai piaciuto questo ponte). Il tuo non ha una grande corrente di commutazione, è vero, ma ha una grande c.d.t.
Vale la pena polarizzare meglio le basi ed invertire i transistor.
Così fatto hai risparmiato parecchio in termini di polarizzazione dei transistor, ti sei affidato al carico in tutto e per tutto, che scongiuri non vada mai in corto. Però il ponte si mangia circa 2 V, (da dissipare in relazione alla corrente), e che sono tanti rispetto al fatto dei 15 V massimi di alimentazione, per via del CMOS collegato secco in base ai BJT.
Polarizzando un poco meglio i transistor, si riescono ad invertire, non si mangiano 1 V circa cadauno tra collettore-emitter, non scaldano tanto e con qualche diodo in antiparallelo li si salva anche dai carichi induttivi.
Certo, il tuo schema è di massima, tradizionale. (Non mi è mai piaciuto questo ponte). Il tuo non ha una grande corrente di commutazione, è vero, ma ha una grande c.d.t.
Vale la pena polarizzare meglio le basi ed invertire i transistor.
-

Candy
32,5k 7 10 13 - CRU - Account cancellato su Richiesta utente
- Messaggi: 10123
- Iscritto il: 14 giu 2010, 22:54
0
voti
Questa soluzione non mi piace, hai corrente di shoot through e il pilotaggio statico non e` banale, in quanto bisogna arrivare a pochi decimi di volt dalle alimentazioni. Lo schema di Bruno e` ancora il piu` sicuro.
Per usare proficuamente un simulatore, bisogna sapere molta più elettronica di lui
Plug it in - it works better!
Il 555 sta all'elettronica come Arduino all'informatica! (entrambi loro malgrado)
Se volete risposte rispondete a tutte le mie domande
Plug it in - it works better!
Il 555 sta all'elettronica come Arduino all'informatica! (entrambi loro malgrado)
Se volete risposte rispondete a tutte le mie domande
17 messaggi
• Pagina 1 di 2 • 1, 2
Chi c’è in linea
Visitano il forum: Nessuno e 117 ospiti

Elettrotecnica e non solo (admin)
Un gatto tra gli elettroni (IsidoroKZ)
Esperienza e simulazioni (g.schgor)
Moleskine di un idraulico (RenzoDF)
Il Blog di ElectroYou (webmaster)
Idee microcontrollate (TardoFreak)
PICcoli grandi PICMicro (Paolino)
Il blog elettrico di carloc (carloc)
DirtEYblooog (dirtydeeds)
Di tutto... un po' (jordan20)
AK47 (lillo)
Esperienze elettroniche (marco438)
Telecomunicazioni musicali (clavicordo)
Automazione ed Elettronica (gustavo)
Direttive per la sicurezza (ErnestoCappelletti)
EYnfo dall'Alaska (mir)
Apriamo il quadro! (attilio)
H7-25 (asdf)
Passione Elettrica (massimob)
Elettroni a spasso (guidob)
Bloguerra (guerra)


