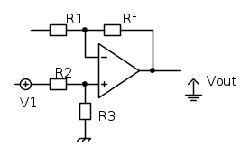
Parecchi mesi fa ho risolto il circuito, trovando:

Ho provato a risolverlo nuovamente, ma sinceramente non ricordo il "procedimento" che porta al "partitore resistivo":
. Qualcuno può gentilmente aiutarmi? Grazie in anticipo
Moderatori:
carloc,
g.schgor,
BrunoValente,
IsidoroKZ

. Qualcuno può gentilmente aiutarmi? Grazie in anticipo
), deve esserci uguaglianza fra i rapporti di partizione dei due partitori
.
, mi ritrovo che la corrente in R1 e, successivamente in Rf è
. A questo punto faccio l'equazione alla maglia
, faccio le sostituzioni e ottengo
. Giusto?