Principalmente ha uno scopo autodidattico per creare un clock che piloti display ecc..
So che ci sono soluzioni più rapide e meno costose e complesse di questa soluzione analogica, ma vorrei utilizzare quarzi e contatori/divisori.
circuito per far oscillare un quarzo
Moderatori:
carloc,
g.schgor,
BrunoValente,
IsidoroKZ
39 messaggi
• Pagina 2 di 4 • 1, 2, 3, 4
0
voti
ho provato a mettere giù la mia idea del circuito in cui vorrei utilizzare un quarzo. Sono certo che ci sono soluzioni più economiche e meno ingombranti... e più semplici; ma io vorrei utilizzare questi componenti per impratichirmi prima di passare ad altri circuiti.
Chiedo il Vostro supporto per eventuali inesattezze.
Premetto che il circuito disegnato è puramente esemplificativo e non è quindi da considerarsi come schema completo.
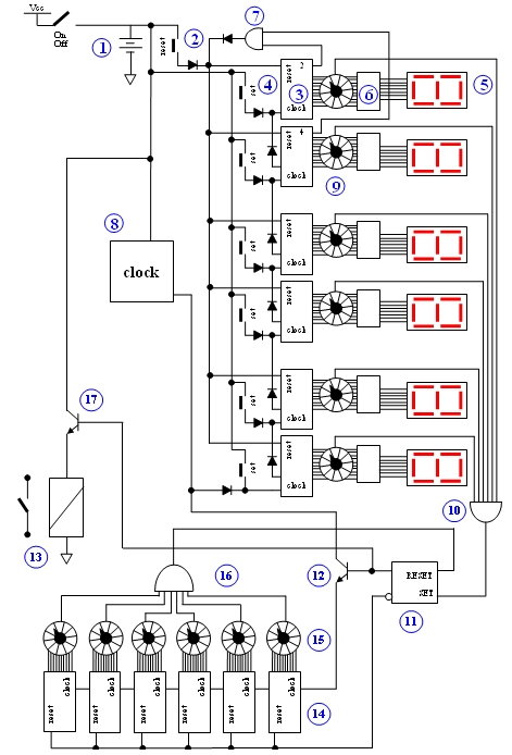
Il circuito è composto da 6 display che indicano l’ora; ad una determinata ora preimpostata si innesca un timer che fa scattare uno scambio del relè per un tempo preimpostato. In pratica questo circuito oltre a fungere da orologio digitale, innesca ad una determinata ora un timer.
L’alimentazione Vcc è di 9V DC stabilizzata e viene prelevata dalla rete attraverso un trasformatore + ponte diodi + LM7809. Il circuito è provvisto di una pila tampone (1) per ovviare la mancanza dell’alimentazione di rete. Attraverso il pulsante (2) è possibile resettare contemporaneamente i display (5) attraverso gli integrati CD4017 (3). Questi ultimi vengono gestiti dal clock in uscita dal circuito (8) composto da quarzo + CD4040. I display possono essere settati attraverso ulteriori pulsanti (4) per impostare la giusta ora. Ogni display viene pilotato dal CD4017 attraverso un decoder HCF4511 (6). I display vengono ulteriormente resettati automaticamente quando indicano le 24:00:00 attraverso la porta logica AND (7) in modo da poter proseguire il conteggio partendo da 00:00:00.
Attraverso i commutatori rotativi a 10 posizioni (9) si potrà prelevare il segnale in uscita dal CD4017 gestendo, attraverso la porta AND (10), l’inizio del conteggio del timer.
Quando l’uscita della porta logica avrà l’uscita alta setterà il flip-flop (11) che piloterà il BC547 (17) che innescherà la bobina del relè (13). Il conteggio del timer sarà abilitato dal transistor (12). Il timer utilizza 5 contatori CD4017 (14) e 5 commutatori rotativi a 10 posizioni (15) con i quali si imposta il timer (da 1s a 24h). La somma delle uscite di questi commutatori è gestita dalla porta logica (16). Quando l’uscita sarà alta, provvederà a resettare il flip-flop interdicendo i transistor (12) e (17) ed arrestando il timer.
Chiedo il Vostro supporto per eventuali inesattezze.
Premetto che il circuito disegnato è puramente esemplificativo e non è quindi da considerarsi come schema completo.
Il circuito è composto da 6 display che indicano l’ora; ad una determinata ora preimpostata si innesca un timer che fa scattare uno scambio del relè per un tempo preimpostato. In pratica questo circuito oltre a fungere da orologio digitale, innesca ad una determinata ora un timer.
L’alimentazione Vcc è di 9V DC stabilizzata e viene prelevata dalla rete attraverso un trasformatore + ponte diodi + LM7809. Il circuito è provvisto di una pila tampone (1) per ovviare la mancanza dell’alimentazione di rete. Attraverso il pulsante (2) è possibile resettare contemporaneamente i display (5) attraverso gli integrati CD4017 (3). Questi ultimi vengono gestiti dal clock in uscita dal circuito (8) composto da quarzo + CD4040. I display possono essere settati attraverso ulteriori pulsanti (4) per impostare la giusta ora. Ogni display viene pilotato dal CD4017 attraverso un decoder HCF4511 (6). I display vengono ulteriormente resettati automaticamente quando indicano le 24:00:00 attraverso la porta logica AND (7) in modo da poter proseguire il conteggio partendo da 00:00:00.
Attraverso i commutatori rotativi a 10 posizioni (9) si potrà prelevare il segnale in uscita dal CD4017 gestendo, attraverso la porta AND (10), l’inizio del conteggio del timer.
Quando l’uscita della porta logica avrà l’uscita alta setterà il flip-flop (11) che piloterà il BC547 (17) che innescherà la bobina del relè (13). Il conteggio del timer sarà abilitato dal transistor (12). Il timer utilizza 5 contatori CD4017 (14) e 5 commutatori rotativi a 10 posizioni (15) con i quali si imposta il timer (da 1s a 24h). La somma delle uscite di questi commutatori è gestita dalla porta logica (16). Quando l’uscita sarà alta, provvederà a resettare il flip-flop interdicendo i transistor (12) e (17) ed arrestando il timer.
- Allegati
-
- circuito.jpg (146.79 KiB) Osservato 7697 volte
1
voti
Forse O.T., me ne scuso in anticipo.
Vedi UtenteCancellato70 il problema e' "L’alimentazione Vcc è di 9V DC stabilizzata" (parole tue).
Oggi le logiche funzionano (alcune) a 5V, i microcontrollori a 3,3V e le logiche programmabili a 2,5V (ed anche i noccioli dei microcontrollori). Bisognerebbe aggiornarsi a questi valori per poter fare qualcosa. Ora, capisco che i CMOS della serie 4000 si trovano ancora, soprattutto sui libri, ma il mondo corre, e corre veloce.
Il tuo circuito puo' essere realizzato con degli HCMOS a 5V. Costano meno, sono piu' veloci e sono piu' attuali e rispecchiano le funzioni dei gloriosi (ma assetati di corrente) TTL-LS.
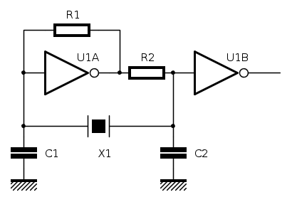
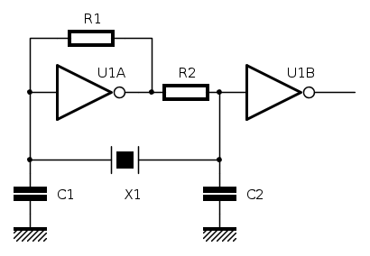
Il tuo oscillatore puo' essere realizzato con questo circuito che unsa un 74HCU04.
Di sicuro e' piu' moderno di un oscillatore che usai i 4000 a 12V e ti permette di tutto e di piu'. Ho evidenziato la "U" perche' ha un senso: significa "unbuffered", come i primi HCMOS. TEconologia vecchia di 20 anni.
Voui usare un quarzo che va da 2 MHz a 20 MHz? No problem:
R1 = 1M
R2 = 1K
C1 = c2 = 15pF
Capito il concetto?
Vedi UtenteCancellato70 il problema e' "L’alimentazione Vcc è di 9V DC stabilizzata" (parole tue).
Oggi le logiche funzionano (alcune) a 5V, i microcontrollori a 3,3V e le logiche programmabili a 2,5V (ed anche i noccioli dei microcontrollori). Bisognerebbe aggiornarsi a questi valori per poter fare qualcosa. Ora, capisco che i CMOS della serie 4000 si trovano ancora, soprattutto sui libri, ma il mondo corre, e corre veloce.
Il tuo circuito puo' essere realizzato con degli HCMOS a 5V. Costano meno, sono piu' veloci e sono piu' attuali e rispecchiano le funzioni dei gloriosi (ma assetati di corrente) TTL-LS.
Il tuo oscillatore puo' essere realizzato con questo circuito che unsa un 74HCU04.
Di sicuro e' piu' moderno di un oscillatore che usai i 4000 a 12V e ti permette di tutto e di piu'. Ho evidenziato la "U" perche' ha un senso: significa "unbuffered", come i primi HCMOS. TEconologia vecchia di 20 anni.
Voui usare un quarzo che va da 2 MHz a 20 MHz? No problem:
R1 = 1M
R2 = 1K
C1 = c2 = 15pF
Capito il concetto?
"La follia sta nel fare sempre la stessa cosa aspettandosi risultati diversi".
"Parla soltanto quando sei sicuro che quello che dirai è più bello del silenzio".
Rispondere è cortesia, ma lasciare l'ultima parola ai cretini è arte.
"Parla soltanto quando sei sicuro che quello che dirai è più bello del silenzio".
Rispondere è cortesia, ma lasciare l'ultima parola ai cretini è arte.
-

TardoFreak
73,9k 8 12 13 - -EY Legend-

- Messaggi: 15754
- Iscritto il: 16 dic 2009, 11:10
- Località: Torino - 3° pianeta del Sistema Solare
0
voti
Sei stato chiarissimo e ti ringrazio. Appena finirò tutti i CMOS passerò agli HCMOS o TTL, grazie per le informazioni
.
Premetto che io lavoro come progettista meccanico e quindi (nonostante un diploma in elettronica) voglio accrescere le mie conoscenze che attualmente sono a livello hobbystico. Per farlo devo fare piccoli passi alla volta
Per questo circuito mi ero prefissato l'utilizzo di quarzi e contatori decimali e binari.
Utilizzando un'alimentazione di 5V per il circuito che mi hai proposto, potrei utilizzarla anche per i contatori CD4017, per i decoder 4511B, per i display, per le porte AND e per il relè. Quindi nessun problema a cambiare l'alimentazione da 9V a 5V.
In merito al circuito postato (anche se discutibile) credi possa funzionare?
Premetto che io lavoro come progettista meccanico e quindi (nonostante un diploma in elettronica) voglio accrescere le mie conoscenze che attualmente sono a livello hobbystico. Per farlo devo fare piccoli passi alla volta
Per questo circuito mi ero prefissato l'utilizzo di quarzi e contatori decimali e binari.
Utilizzando un'alimentazione di 5V per il circuito che mi hai proposto, potrei utilizzarla anche per i contatori CD4017, per i decoder 4511B, per i display, per le porte AND e per il relè. Quindi nessun problema a cambiare l'alimentazione da 9V a 5V.
In merito al circuito postato (anche se discutibile) credi possa funzionare?
0
voti
Lo guardero' domani. Promesso e garantito al limone.
Ora non connetto e sparerei cavolate, quindi meglio tacere e passare per ignorante piuttosto che parlare e ... togliere ogni dubbio.

Ora non connetto e sparerei cavolate, quindi meglio tacere e passare per ignorante piuttosto che parlare e ... togliere ogni dubbio.
"La follia sta nel fare sempre la stessa cosa aspettandosi risultati diversi".
"Parla soltanto quando sei sicuro che quello che dirai è più bello del silenzio".
Rispondere è cortesia, ma lasciare l'ultima parola ai cretini è arte.
"Parla soltanto quando sei sicuro che quello che dirai è più bello del silenzio".
Rispondere è cortesia, ma lasciare l'ultima parola ai cretini è arte.
-

TardoFreak
73,9k 8 12 13 - -EY Legend-

- Messaggi: 15754
- Iscritto il: 16 dic 2009, 11:10
- Località: Torino - 3° pianeta del Sistema Solare
0
voti
Ha dato uno sguardo veloce al circuito e ... non funziona. L' idea dei commutatori e' valida ma le decodifiche vogliono un numero BCD all' ingresso. Manca la logica per azzerare i minuti ed i secondi. Messi in quel modo vanno da 0 a 99.
"La follia sta nel fare sempre la stessa cosa aspettandosi risultati diversi".
"Parla soltanto quando sei sicuro che quello che dirai è più bello del silenzio".
Rispondere è cortesia, ma lasciare l'ultima parola ai cretini è arte.
"Parla soltanto quando sei sicuro che quello che dirai è più bello del silenzio".
Rispondere è cortesia, ma lasciare l'ultima parola ai cretini è arte.
-

TardoFreak
73,9k 8 12 13 - -EY Legend-

- Messaggi: 15754
- Iscritto il: 16 dic 2009, 11:10
- Località: Torino - 3° pianeta del Sistema Solare
0
voti
Ho disegnato lo schema in quanto quello proposto era solo uno schizzo.
Ci saranno sicuramente delle correzioni da fare e ringrazio fin da ora per l'aiuto.
Ci saranno sicuramente delle correzioni da fare e ringrazio fin da ora per l'aiuto.
- Allegati
-
- TIMER ANALOGICO.png (45.77 KiB) Osservato 7599 volte
0
voti
TardoFreak ha scritto:Il tuo oscillatore puo' essere realizzato con questo circuito che unsa un 74HCU04.
Scusa Tardofreak, ma uscendo da questo generatore e' necessario passare per un flip flop per ottenere un'onda quadra "buona" oppure il segnale generato puo' gia' essere usato come clock dai vari contatori/divisori?
0
voti
Dopo il secondo inverter (all' uscita di U1b) e' un ottimo segnale, bello quadro e simmetrico, con il quale ho sempre pilotato microcontrollori e logiche senza problemi.
"La follia sta nel fare sempre la stessa cosa aspettandosi risultati diversi".
"Parla soltanto quando sei sicuro che quello che dirai è più bello del silenzio".
Rispondere è cortesia, ma lasciare l'ultima parola ai cretini è arte.
"Parla soltanto quando sei sicuro che quello che dirai è più bello del silenzio".
Rispondere è cortesia, ma lasciare l'ultima parola ai cretini è arte.
-

TardoFreak
73,9k 8 12 13 - -EY Legend-

- Messaggi: 15754
- Iscritto il: 16 dic 2009, 11:10
- Località: Torino - 3° pianeta del Sistema Solare
39 messaggi
• Pagina 2 di 4 • 1, 2, 3, 4
Chi c’è in linea
Visitano il forum: Google Adsense [Bot] e 386 ospiti

Elettrotecnica e non solo (admin)
Un gatto tra gli elettroni (IsidoroKZ)
Esperienza e simulazioni (g.schgor)
Moleskine di un idraulico (RenzoDF)
Il Blog di ElectroYou (webmaster)
Idee microcontrollate (TardoFreak)
PICcoli grandi PICMicro (Paolino)
Il blog elettrico di carloc (carloc)
DirtEYblooog (dirtydeeds)
Di tutto... un po' (jordan20)
AK47 (lillo)
Esperienze elettroniche (marco438)
Telecomunicazioni musicali (clavicordo)
Automazione ed Elettronica (gustavo)
Direttive per la sicurezza (ErnestoCappelletti)
EYnfo dall'Alaska (mir)
Apriamo il quadro! (attilio)
H7-25 (asdf)
Passione Elettrica (massimob)
Elettroni a spasso (guidob)
Bloguerra (guerra)


