Cos'è ElectroYou | Login Iscriviti

ElectroYou - la comunità dei professionisti del mondo elettrico

esercizio trifase 2

Circuiti, campi elettromagnetici e teoria delle linee di trasmissione e distribuzione dell’energia elettrica

Moderatori: Foto Utenteg.schgor, Foto UtenteIsidoroKZ

0
voti

[41] Re: esercizio trifase 2

Messaggioda Foto Utenteaiand0 » 8 set 2010, 0:34

RenzoDF ha scritto:
aiand0 ha scritto:Nel senso che nessuno le ha ancora dato la formuletta per risolvere l'esercizio.


ci puoi sempre pensare tu ! ... non ti pare ? :wink:


Pota, era per sdrammatizzare la cagnara che si era sviluppata nelle ultime risposte. Da decente elettrotecnico quale credo di essere, beh, so che tali sistemi non si risolvono con una formuletta della domenica, ma con un rigoroso (e religioso) ragionamento. Fare tutte le considerazioni fisiche e riportarle in lingua matematica.
Chiramente sto ponderando molto su questo "esercizio", ma il papa domani mangia lo stesso.
Avatar utente
Foto Utenteaiand0
0 2
 
Messaggi: 35
Iscritto il: 11 dic 2009, 12:11

0
voti

[42] Re: esercizio trifase 2

Messaggioda Foto UtenteNicola1988 » 8 set 2010, 0:35

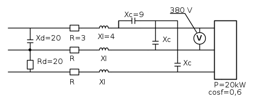
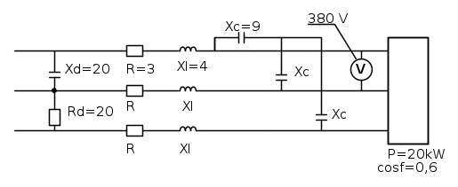
candy ha scritto:Potrebbe essere questo lo schema dell'esercizio?


Nel caso il circuito fosse questo allora le cose cambierebbero perché i 3 condensatori sono connessi a stella, le tensioni sul carico sarebbero simmetriche, quindi avrebbe anche senso il collegamento di un solo voltmetro in quella posizione.
Ma è una tua supposizione questo schema o hai per caso avuto accesso agli archivi segreti dell' Università di Napoli?
Avatar utente
Foto UtenteNicola1988
0 2
 
Messaggi: 19
Iscritto il: 27 dic 2008, 11:06

0
voti

[43] Re: esercizio trifase 2

Messaggioda Foto Utenteadmin » 8 set 2010, 0:49

Chiaro che se è quello non ci sono problemi .
E io direi che quasi sicuramente è quello.
Per questo avevo subito chiesto a Luigia se era sicura di quella capacità serie che rende impossibile l'esercizio.
Ma lei ha assicurato che era in serie ed ha in mente lo spostamento del centro stella, perché a lezione lo hanno spostato.
Per lo stesso motivo Renzo ovviamente insisteva sull'originale
Ma lei è sicura che quello è l'esercizio, che è del tipo di quelli svolti a lezione e non si rende conto che deve ascoltare il prof che per sua fortuna avrebbe a disposizione.
Poi arriva l'altro con "la formuletta"...
Purtroppo spesso questi nostri ragazzi/e non capiscono con chi hanno a che fare, non sanno riconoscere la qualità di ciò che possono trovare gratuitamente su internet. Il bello è che hanno anche ragione a diffidare: quello che è successo in questi giorni proprio sul nostro sito lo testimonia
Capiranno...forse
Alcuni almeno
Speriamo :|
Avatar utente
Foto Utenteadmin
196,6k 9 12 17
Manager
Manager
 
Messaggi: 11950
Iscritto il: 6 ago 2004, 13:14

0
voti

[44] Re: esercizio trifase 2

Messaggioda Foto Utenteaiand0 » 8 set 2010, 1:26

Poi arriva l'altro con "la formuletta"...
Purtroppo spesso questi nostri ragazzi/e non capiscono con chi hanno a che fare, non sanno riconoscere la qualità di ciò che possono trovare gratuitamente su internet. Il bello è che hanno anche ragione a diffidare: quello che è successo in questi giorni proprio sul nostro sito lo testimonia
Capiranno...forse
Alcuni almeno


No, admin, io dico esattamente l'opposto. Evidentemente è stata fraintesa la mia ironia, in quanto il thread era degenerato in frecciatine in merito all'avatar di Renzo. In modo prettamente saccente ho fatto ricorso all'oggetto del thread: il problema di Luigia.
Sentendomi chiamato in causa (coda di paglia, cosa vuoi farci), sono felice di far parte di questo sito (è addirittura nella Home Page). Lo ritengo un portale e devo ringraziare il padre eterno per la sua esistenza, perché mi ha salvato il sedere molteplici volte (interrogazioni, compiti in classe, esame di maturità). Il 60% di quello che so lo devo alle mille curiosità che genera ElectroPortal e della sua mole di informazioni. So che questo sito è una piazza virtuale per entrare in contatto con Ingegneri e Periti Industriali abilitati e non, e di questo devo esserne contento.
Avatar utente
Foto Utenteaiand0
0 2
 
Messaggi: 35
Iscritto il: 11 dic 2009, 12:11

0
voti

[45] Re: esercizio trifase 2

Messaggioda Foto Utenteadmin » 8 set 2010, 1:47

Beh, non era facile capire l'ironia, anche perché non mi pare che il 3D fosse degenerato. Si discuteva di un testo di un esercizio.
Ti presentano il testo di un esercizio che ha delle stranezze evidenti; spieghi il perché dei problemi, chiedi spiegazioni, ma non ti ascoltano perché il testo è quello. Non cercano nemmeno di capire le considerazioni che si fanno, perché sono sicuri che quell'esercizio deve essere risolto in quel dato modo. Che non sanno, ma che sono sicuri che c'è. E ci sono anche quelli che credono alla formuletta magica e non è che tu avessi fornito molti elementi per capire che non eri uno di quelli.

Ad ogni modo ti ringrazio del finale. Come saprai c'è gente che non la pensa così. Non ti dico chi perché ho appena eliminato tutto, ma sappi che le persone che sanno veramente, quelle libere da condizionamenti di ogni tipo, e soprattutto liberate dalla necessità di studiare per sapere, non sono su questo sito.
Avatar utente
Foto Utenteadmin
196,6k 9 12 17
Manager
Manager
 
Messaggi: 11950
Iscritto il: 6 ago 2004, 13:14

0
voti

[46] Re: esercizio trifase 2

Messaggioda Foto UtenteCandy » 8 set 2010, 8:27

Ma è una tua supposizione questo schema o hai per caso avuto accesso agli archivi segreti dell' Università di Napoli?

Nel presentare questa versione, ho lasciato un punto interrogativo. Per il vero non ho trovato tale esercizio, anche se credo di esserci andato vicino. Ho trovato molti esercizi di un professore che hanno, (non dice molto), tutti lo stesso stile: una linea a monte di un carico, la solita impedenze di linea, uno o due carichi equilibrati, (un rettangolo ed una batteria di condensatori), ed uno o due carichi messi qua e là a sbilanciare le correnti; ma con complessità non tanto elevata. Uno o due strumenti di misura ad indicare dei dati. Il testo dell'esercizio, simile.
Mentre in molti altri esercizi, di altre persone, non ho mai trovato nemmeo lo stesso stile.

Luigia, certo, nel proporre lo schema potrebbe averlo trasformato, ma quei tre condensatori erano messì lì in modo troppo anomalo e, quindi, ho preferito pensare che più ragionevolmente il collegamento fosse coi tre condensatori a stella. Lei insite sul fatto che il testo è quello, non ha altre informazioni; per forza di cose allora deve esserci un errore da qualche parte. (Non mi è mai capitato, almeno, di vedere come soluzione: questo esercizio non si poteva fare, perché ...).

Si cade in errore, quando si lascia crescere la ruggine laddove non si ha più modo di usare un sapere datato; ma non per questo non si prova. Si partecipa ad un foruim il meglio che si può, ma non per questo, non si fanno battute su avatar, o che dir si voglia. Diversamente sarebbe un luogo lugubre.
Avatar utente
Foto UtenteCandy
32,5k 7 10 13
CRU - Account cancellato su Richiesta utente
 
Messaggi: 10123
Iscritto il: 14 giu 2010, 22:54

0
voti

[47] Re: esercizio trifase 2

Messaggioda Foto Utenteczande4 » 10 giu 2011, 14:24

Ma la tensione è tutta di 380 o no? Se no ci deve essere la tensione nominale del carico, se non c'è niente è impossibile :D
Avatar utente
Foto Utenteczande4
0 2
 
Messaggi: 5
Iscritto il: 30 gen 2011, 22:08

Precedente

Torna a Elettrotecnica generale

Chi c’è in linea

Visitano il forum: Nessuno e 118 ospiti