Salve,
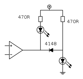
sto cercando di comandare l'attivazione di due led a seconda dello stato di uscita del comparatore LM311.
Se l'uscita si trova allo stato logico basso, dovrebbe accendersi il led rosso, se l'uscita si trova allo stato logico alto, dovrebbe accendersi il led verde.
Ho realizzato il circuito che riporto sotto ma diciamo che funziona solo in parte. In pratica con uscita bassa il led rosso si accende e quello verde rimane spento e direi che fin qui va bene. Però con uscita alta il led verde si accende però il led rosso, invece di spegnersi completamente, rimane leggermente acceso emettendo una debolissima luce.
Avrei pensato ad un transistor ma se possibile vorrei evitarlo.
C'è qualche alternativa senza ricorrere all'uso del transistor?
Grazie a tutti.
Due led per indicare stato di uscita del comparatore LM311
Moderatori:
carloc,
g.schgor,
BrunoValente,
IsidoroKZ
4 messaggi
• Pagina 1 di 1
0
voti
- Allegati
-
- lm311.gif (11.37 KiB) Osservato 2047 volte
-

elettronicauser
0 4 - Messaggi: 39
- Iscritto il: 11 mar 2010, 1:13
0
voti
Mettere una resistenza da 470 in serie al led rosso perche' non metterla sarebbe male, molto male.
Se non basta aggiungere anche diodo 1n4148 in serie a LED rosso.
Se non basta aggiungere anche diodo 1n4148 in serie a LED rosso.
"La follia sta nel fare sempre la stessa cosa aspettandosi risultati diversi".
"Parla soltanto quando sei sicuro che quello che dirai è più bello del silenzio".
Rispondere è cortesia, ma lasciare l'ultima parola ai cretini è arte.
"Parla soltanto quando sei sicuro che quello che dirai è più bello del silenzio".
Rispondere è cortesia, ma lasciare l'ultima parola ai cretini è arte.
-

TardoFreak
73,9k 8 12 13 - -EY Legend-

- Messaggi: 15754
- Iscritto il: 16 dic 2009, 11:10
- Località: Torino - 3° pianeta del Sistema Solare
0
voti
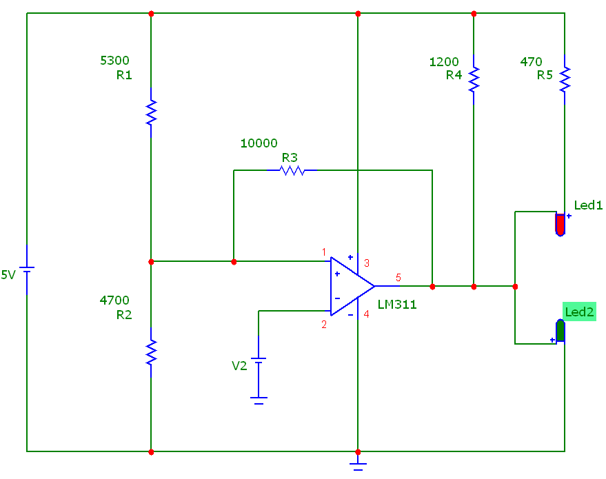
Non so se va... è da provare.
0
voti
La soluzione suggerita da cinque funziona. E pensare che ci avevo pure provato ad aggiungerci un diodo, solo nel punto sbagliato...
Grazie a tutti.
Grazie a tutti.
-

elettronicauser
0 4 - Messaggi: 39
- Iscritto il: 11 mar 2010, 1:13
4 messaggi
• Pagina 1 di 1
Chi c’è in linea
Visitano il forum: Nessuno e 56 ospiti

Elettrotecnica e non solo (admin)
Un gatto tra gli elettroni (IsidoroKZ)
Esperienza e simulazioni (g.schgor)
Moleskine di un idraulico (RenzoDF)
Il Blog di ElectroYou (webmaster)
Idee microcontrollate (TardoFreak)
PICcoli grandi PICMicro (Paolino)
Il blog elettrico di carloc (carloc)
DirtEYblooog (dirtydeeds)
Di tutto... un po' (jordan20)
AK47 (lillo)
Esperienze elettroniche (marco438)
Telecomunicazioni musicali (clavicordo)
Automazione ed Elettronica (gustavo)
Direttive per la sicurezza (ErnestoCappelletti)
EYnfo dall'Alaska (mir)
Apriamo il quadro! (attilio)
H7-25 (asdf)
Passione Elettrica (massimob)
Elettroni a spasso (guidob)
Bloguerra (guerra)