Sono alle prese con 1 altra tipologia d esercizio in regime sinusoidale..
Non riesco a capire come iniziare a risolverlo.
Nella mia ignoranza ho iniziato calcolando le impedenze Zc,Zl1, Zl2..
Poi i fasori di e1,e2,e3:
Scelgo come funzione base cos(ωT) quindi i fasori sono:
e1=10V
e2=-6-6*radq(3)j
e3=-5+5*radq(3)j
mi chiedo se fin qui sia giusto..se si come potrei procedere?
esercizio
Moderatori:
carloc,
g.schgor,
BrunoValente,
IsidoroKZ
19 messaggi
• Pagina 1 di 2 • 1, 2
0
voti
[2] Re: esercizio
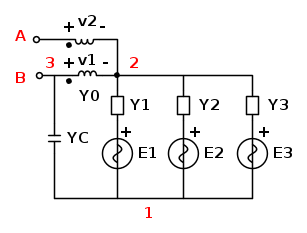
Io comincerei con il determinare il circuito equivalente di Thévenin del gruppo costituito dai tre generatori con le rispettive resistenze (si può staccare il gruppo e applicare il teorema di Millman). Poi, determinerei la corrente che scorre nella serie di
e
e la tensione ai capi di
, tenendo conto che in
non scorre corrente. Infine determinerei
con un'equazione alla maglia contenente
,
e
.
PS: se usassi fidocad per fare gli schemi, sarebbe facile modificarli e indicare correnti, tensioni ecc.
PPS: i fasori andrebbero indicati con lettere maiuscole: alla tensione
corrisponde il fasore
.
Edit: ancora più semplice: tenendo conto che in
non scorre corrente si può applicare il teorema di Millman direttamente a tutto il circuito.
e
e la tensione ai capi di
, tenendo conto che in
non scorre corrente. Infine determinerei
con un'equazione alla maglia contenente
,
e
.PS: se usassi fidocad per fare gli schemi, sarebbe facile modificarli e indicare correnti, tensioni ecc.
PPS: i fasori andrebbero indicati con lettere maiuscole: alla tensione
corrisponde il fasore
.Edit: ancora più semplice: tenendo conto che in
non scorre corrente si può applicare il teorema di Millman direttamente a tutto il circuito.Ultima modifica di
DirtyDeeds il 28 set 2010, 16:01, modificato 1 volta in totale.
-

DirtyDeeds
55,9k 7 11 13 - G.Master EY

- Messaggi: 7012
- Iscritto il: 13 apr 2010, 16:13
- Località: Somewhere in nowhere
0
voti
[3] Re: esercizio
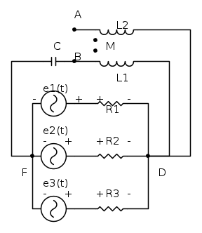
A dire il vero, disegnato in quel modo, ovvero senza indicazione di connessione nei nodi destro e sinistro, per le regole normarive, e1 R1 e3 ed R3 costituirebbero una maglia separata dal resto e quindi non sarebbero influenti sulla VAB, ... comunque ti consiglio di iniziale semplificando con Thevenin (usando Millman) tutta la rete, mutuo induttore a parte ... e poi ne riparliamo
vedo che DirtyDeeds mi ha anticipato, e mi ha letto nel pensiero
vedo che DirtyDeeds mi ha anticipato, e mi ha letto nel pensiero
"Il circuito ha sempre ragione" (Luigi Malesani)
0
voti
[4] Re: esercizio
RenzoDF ha scritto:vedo che DirtyDeeds mi ha anticipato, e mi ha letto nel pensiero
Considerato che io sono in Italia e tu in California, c'è da fare invidia a Uri Geller
-

DirtyDeeds
55,9k 7 11 13 - G.Master EY

- Messaggi: 7012
- Iscritto il: 13 apr 2010, 16:13
- Località: Somewhere in nowhere
0
voti
[5] Re: esercizio
Ho scaricato fidocadj ma nn riesco a capire come caricare il disegno nel messaggio del forum..

0
voti
[6] Re: esercizio
Fidocadj -> circuito -> testo del circuito.
Incolla il codice nel messaggio tra i tag "fcd" e "/fcd"
Incolla il codice nel messaggio tra i tag "fcd" e "/fcd"
"Computers, operating systems, networks are a hot mess. They're barely manageable, even if you know a decent amount about what you're doing. Nine out of ten software engineers agree: it's a miracle anything works at all."
@fasterthanlime
@fasterthanlime
0
voti
[7] Re: esercizio
Ci sono riuscita:) grazie x la dritta...adesso passo allo svolgimento dell'esercizio
0
voti
[8] Re: esercizio
Lo disegno pure io
in generale risolverei così (usando un teorema noto solo a noi "idraulici")

ma in questo caso particolare, essendo
la relazione si semplifica in

che diventa
![V_{AB}=\frac{1}{2}\times \frac{\left[ 10\times 1+\left( -6-j6\sqrt{3} \right)\times \frac{1}{2}+\left( -5+j5\sqrt{3} \right)\times \frac{1}{3} \right]}{\left( -j\frac{1}{2} \right)}=\frac{4}{3}\sqrt{3}+j\frac{16}{3}\approx 2,31+j5,33\,\,\text{V} V_{AB}=\frac{1}{2}\times \frac{\left[ 10\times 1+\left( -6-j6\sqrt{3} \right)\times \frac{1}{2}+\left( -5+j5\sqrt{3} \right)\times \frac{1}{3} \right]}{\left( -j\frac{1}{2} \right)}=\frac{4}{3}\sqrt{3}+j\frac{16}{3}\approx 2,31+j5,33\,\,\text{V}](/forum/latexrender/pictures/32a2ee065c3374a0e43855546c4cd49d.png)
Purtroppo, ormai "corrotto" dalle alte sfere accademiche
sto ("contro natura"
) continuando ad usare i valori massimi (e non quelli efficaci) e di conseguenza, trovato modulo e fase, la funzione del tempo per la d.d.p. sarà

in generale risolverei così (usando un teorema noto solo a noi "idraulici")

ma in questo caso particolare, essendo
la relazione si semplifica in
che diventa
![V_{AB}=\frac{1}{2}\times \frac{\left[ 10\times 1+\left( -6-j6\sqrt{3} \right)\times \frac{1}{2}+\left( -5+j5\sqrt{3} \right)\times \frac{1}{3} \right]}{\left( -j\frac{1}{2} \right)}=\frac{4}{3}\sqrt{3}+j\frac{16}{3}\approx 2,31+j5,33\,\,\text{V} V_{AB}=\frac{1}{2}\times \frac{\left[ 10\times 1+\left( -6-j6\sqrt{3} \right)\times \frac{1}{2}+\left( -5+j5\sqrt{3} \right)\times \frac{1}{3} \right]}{\left( -j\frac{1}{2} \right)}=\frac{4}{3}\sqrt{3}+j\frac{16}{3}\approx 2,31+j5,33\,\,\text{V}](/forum/latexrender/pictures/32a2ee065c3374a0e43855546c4cd49d.png)
Purtroppo, ormai "corrotto" dalle alte sfere accademiche
sto ("contro natura" 
"Il circuito ha sempre ragione" (Luigi Malesani)
0
voti
[9] Re: esercizio
applicando millman avrò:
![\[V_{FD}=\frac{\frac{e_{1}}{R1}+\frac{e_{2}}{R2}+\frac{e_{3}}{R3}}{\frac{1}{R1}+\frac{1}{R2}+\frac{1}{R3}}\] \[V_{FD}=\frac{\frac{e_{1}}{R1}+\frac{e_{2}}{R2}+\frac{e_{3}}{R3}}{\frac{1}{R1}+\frac{1}{R2}+\frac{1}{R3}}\]](/forum/latexrender/pictures/e1c1990c6ab3835bcca20d502f20a770.png)
ma e1.e2,e3 nn devo considerarle nel dominio dei fasori?
![\[V_{FD}=\frac{\frac{e_{1}}{R1}+\frac{e_{2}}{R2}+\frac{e_{3}}{R3}}{\frac{1}{R1}+\frac{1}{R2}+\frac{1}{R3}}\] \[V_{FD}=\frac{\frac{e_{1}}{R1}+\frac{e_{2}}{R2}+\frac{e_{3}}{R3}}{\frac{1}{R1}+\frac{1}{R2}+\frac{1}{R3}}\]](/forum/latexrender/pictures/e1c1990c6ab3835bcca20d502f20a770.png)
ma e1.e2,e3 nn devo considerarle nel dominio dei fasori?
19 messaggi
• Pagina 1 di 2 • 1, 2
Chi c’è in linea
Visitano il forum: Nessuno e 38 ospiti

Elettrotecnica e non solo (admin)
Un gatto tra gli elettroni (IsidoroKZ)
Esperienza e simulazioni (g.schgor)
Moleskine di un idraulico (RenzoDF)
Il Blog di ElectroYou (webmaster)
Idee microcontrollate (TardoFreak)
PICcoli grandi PICMicro (Paolino)
Il blog elettrico di carloc (carloc)
DirtEYblooog (dirtydeeds)
Di tutto... un po' (jordan20)
AK47 (lillo)
Esperienze elettroniche (marco438)
Telecomunicazioni musicali (clavicordo)
Automazione ed Elettronica (gustavo)
Direttive per la sicurezza (ErnestoCappelletti)
EYnfo dall'Alaska (mir)
Apriamo il quadro! (attilio)
H7-25 (asdf)
Passione Elettrica (massimob)
Elettroni a spasso (guidob)
Bloguerra (guerra)




