da
RenzoDF » 29 set 2010, 0:32
LittleIng ha scritto:...per calcolare la potenza complessa di ciascun generatore ho fatto : A1=E1*I1 ... Giusto?
No, sbagliato! ... per calcolare la potenza apparente complessa erogata, devi moltiplicare nel campo complesso la tensione ai morsetti del bipolo
per il coniugato della corrente in uscita dal bipolo
=========================================================
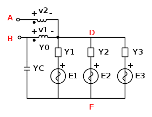
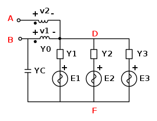
La curiosità di provare una simulazione fasoriale in LTspice mi ha permesso di correggere un errore di calcolo di un mio precedente post


- LT1.gif (12.95 KiB) Osservato 3513 volte
l'analisi sarà in
AC e fornirà questi risultati

- LT1b.gif (18.9 KiB) Osservato 3513 volte
per andare a misurare la VAB, e le potenze complessi erogate dai generatori dovremo introdurre delle "Spice directive" (le quattro righe
.MEAS xxx) che fanno si che i risultati siano scritti nello "Spice Error Log".
Sara' quindi necessario aprirlo attraverso
View->
SPICE Error Log per avere

- LT2.gif (9.59 KiB) Osservato 3513 volte
La risonanza del ramo LC porta ad un annullamento della VC0 e quindi permette di calcolare la corrente nel ramo proprio come somma delle correnti di cortocircuito dei singoli rami ... come si suol dire
"la fortuna dei principianti" ... non ha limiti

Per il calcolo
"manuale" vedi
viewtopic.php?f=1&t=21153&st=0&sk=t&sd=a#p157353per quanto riguarda le potenze apparenti complesse, il discorso si semplifica in quanto ci saranno solo componenti reali



sempre per curiosità vediamo se Circe conferma

- Circe.gif (54.72 KiB) Osservato 3515 volte
NB nel foglio i dati inseriti per le f.e.m. dei generatori sono quelli efficaci
