Come fai a disegnare le R e le L? Le vedo tutte come segmentini messi vicini!Quando fai i conti, metti sempre le unita` di misura!
Usa il simbolo giusto dei generatori: quello che hai messo e` per le sorgenti di tensione in alternata.
Risposta rapida perche' sono di corsa. Hai una sola costante di tempo, e` facile. Non mi ricordo che cosa chiede il problema, ma piu` o meno cosi` dovrebbe esserci tutto.
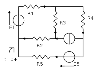
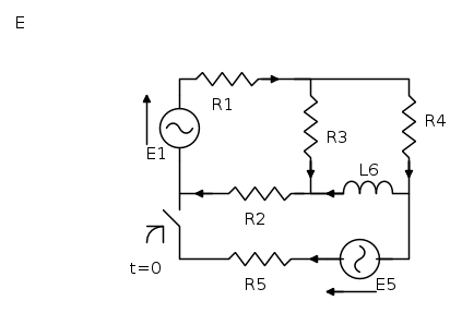
1) Trova la corrente in L al tempo 0-: sostituisci alla L un corto, mantieni l'interruttore aperto e sei a posto.
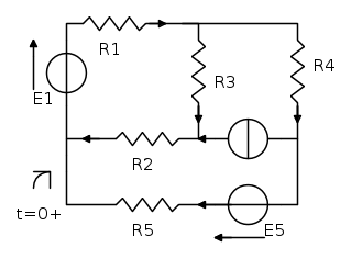
Chiudi l'interruttore, sostituisci alla induttanza un generatore di corrente di valore pari a IL(0-) e cosi` puoi trovare la corrente I2 attraverso R2 al tempo 0+. Dato che la corrente in L non cambia fra 0- e 0+, la puoi sostituire con un generatore di corrente. Il circuito e` questo
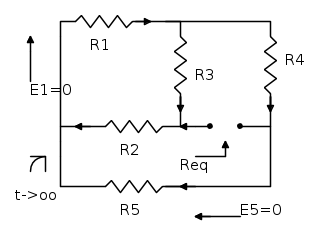
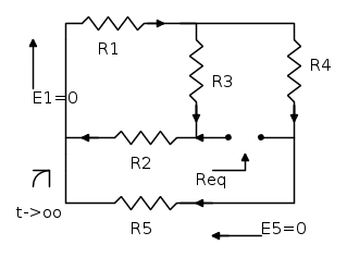
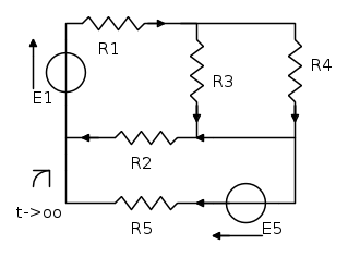
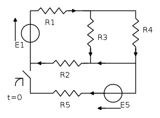
Trova la corrente I2 quando t->oo, cioe` a regime. Basta sostituire alla L il solito cortocircuito, questa volta con l'interruttore chiuso:
La costante di tempo e` data da

e la resistenza equivalente la trovi guardando che resistenza vede la L con i generatori indipendenti spenti e l'interruttore chiuso perche' ti interessa vedere che cosa capita dopo che hai chiuso l'interruttore. Quando chiudi la costante di tempo cambia perche' cambia la Req.
Dopo di che, essendoci una sola costante di tempo, tutte le tensioni e correnti si muovono esponenzialmente in questo modo
