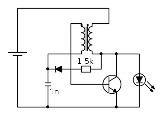
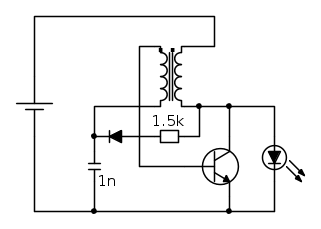
Ho trovato in rete (http://watsonseblog.blogspot.com/2009/0 ... topic.html) questo schema modificato e si dice che l'efficienza aumenta di molto:
In particolare uno dei due avvolgimenti ora riceve corrente dall'uscita e non più dalla batteria.
Ne vale la pena di provare a montarlo e testarlo?
Purtroppo non dispongo dell'oscilloscopio (quindi smanettarci non mi è permesso) e non sono in grado di fare conti con induttori accoppiati (anche se mi piacerebbe; se qualcuno mi aiutasse)...
Grazie e ciao.
Luca

Elettrotecnica e non solo (admin)
Un gatto tra gli elettroni (IsidoroKZ)
Esperienza e simulazioni (g.schgor)
Moleskine di un idraulico (RenzoDF)
Il Blog di ElectroYou (webmaster)
Idee microcontrollate (TardoFreak)
PICcoli grandi PICMicro (Paolino)
Il blog elettrico di carloc (carloc)
DirtEYblooog (dirtydeeds)
Di tutto... un po' (jordan20)
AK47 (lillo)
Esperienze elettroniche (marco438)
Telecomunicazioni musicali (clavicordo)
Automazione ed Elettronica (gustavo)
Direttive per la sicurezza (ErnestoCappelletti)
EYnfo dall'Alaska (mir)
Apriamo il quadro! (attilio)
H7-25 (asdf)
Passione Elettrica (massimob)
Elettroni a spasso (guidob)
Bloguerra (guerra)




