Ho studiato qualche circuito di condizionamento per LVDT giusto per capire il fuzionamento, ma naturalmente ho seguito il consiglio di DirtyDeeds e ho ordinato l'AD598 settimana scorsa...
Adesso sto studiando il datasheet del 598 per mettermi nelle condizioni che quando arriverà potrò provare il circuito.
I primi due punti da fare sarebbero:
1. Determine the mechanical bandwidth required for LVDT position measurement subsystem, fSUBSYSTEM.
2. Select minimum LVDT excitation frequency, approximately 10 x fSUBSYSTEM.
e già mi sono perso, infatti nei dati del mio LVDT ho che la massima frequenza meccanica è di 60Hz.
Mi verrebbe da pensare che questa parte riguardi l'alimentazione dell'LVDT e con eccitazione si intenda la sinusoide in ingresso che in questo caso leggo che deve essere 13 kHz, in tal caso fSUBSYSTEM sarà 13kHz/10 ovvero 130 Hz. Ma mi pare, o meglio sono sicuro di dire una cosa assurda, vero?
Tastatore induttivo
Moderatori:
carloc,
g.schgor,
BrunoValente,
IsidoroKZ
19 messaggi
• Pagina 2 di 2 • 1, 2
1
voti
Non ti ho dimenticato, ma la febbre mi impedisce di dare risposte coerenti lunghe più di due righe. Appena mi ripiglio ti rispondo in modo esauriente 
It's a sin to write
instead of
(Anonimo).
...'cos you know that
ain't
, right?
You won't get a sexy tan if you write
in lieu of
.
Take a log for a fireplace, but don't take
for
arithm.
instead of
(Anonimo)....'cos you know that
ain't
, right?You won't get a sexy tan if you write
in lieu of
.Take a log for a fireplace, but don't take
for
arithm.-

DirtyDeeds
55,9k 7 11 13 - G.Master EY

- Messaggi: 7012
- Iscritto il: 13 apr 2010, 16:13
- Località: Somewhere in nowhere
0
voti
Detto ciò non posso far altro che augurarti di riprenderti presto, e per la risposta, per quella non c'è fretta

-

MaxSplatter
10 2 - Messaggi: 12
- Iscritto il: 29 apr 2010, 2:37
4
voti
Bene, arieccomi... quasi del tutto lucido
Faccio una premessa: i dati specificati nel datasheet - in particolare la frequenza di lavoro e la resistenza di carico - sono ottimali per il circuito di condizionamento specificato dal datasheet e per una rivelazione sincrona del segnale. Il circuito di condizionamento su cui è basato l'AD598 opera in modo differente e non è strettamente necessario utilizzare quei parametri per il dimensionamento del circuito. Una conseguenza, però, sarà il fatto che la sensibilità che troverai sarà differente da quella nominale indicata dal costruttore. Volendo sperimentare un po', a proposito, ti consiglierei di andarti a comprare un micrometro. Nelle fiere dell'elettronica (o in qualche mercatino delle pulci) in genere se ne trovano a basso costo.
Per capire meglio ciò che ti ho detto sopra, mo' faremo così (non riuscirò a scriverti tutto oggi, mi ci vorranno un paio di post):
1) Analizzeremo il circuito di condizionamento consigliato dal costruttore.
2) Useremo l'analisi fatta per estrarre dal datasheet alcuni parametri del trasduttore.
3) Analizzeremo il circuito con l'AD598 e cercheremo di trarre qualche conclusione sulle prestazioni che ci possiamo attendere sulla base dei parametri ricavati prima. Il circuito che analizzeremo sarà quello in fondo a pagina 15 del datasheet.
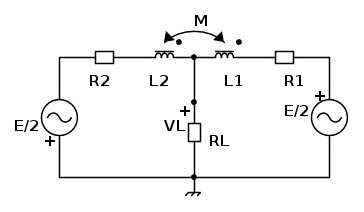
Il tastatore induttivo è costituito da due avvolgimenti accoppiati magneticamente tramite un nucleo mobile. Dal datasheet vediamo che i due avvolgimenti devono essere alimentati da due tensioni sinusoidali in opposizione di fase. Il circuito equivalente che possiamo pensare è quello qua sotto
e
sono le resistenze equivalenti degli avvolgimenti, tengono conto sia della resistenza in continua che delle perdite alla frequenza di lavoro.
e
sono le induttanze dei due avvolgimenti e
è la mutua induttanza tra i due.
è la resistenza di carico e
è la tensione di uscita.
è la tensione di eccitazione, che supponiamo di pulsazione
. Supponiamo trascurabile le capacità interspira (perché già così è un casino
).
Per semplificare l'analisi del circuito possiamo trasformare il circuito di sopra nel seguente
Da questo circuito non è difficile dimostrare - un po' lungo e noioso, ma non difficile - che la tensione di uscita vale
![V_\text{L} =\frac{ R_\text{L}[R_2-R_1+\text{j}\omega(L_2-L_1)]E/2}{R_1R_2+R_1R_\text{L}+R_2R_\text{L}+\text{j}\omega[R_\text{L}(L_1+L_2+2M)+L_1R_2+L_2R_1]-\omega^2(L_1L_2-M^2)} V_\text{L} =\frac{ R_\text{L}[R_2-R_1+\text{j}\omega(L_2-L_1)]E/2}{R_1R_2+R_1R_\text{L}+R_2R_\text{L}+\text{j}\omega[R_\text{L}(L_1+L_2+2M)+L_1R_2+L_2R_1]-\omega^2(L_1L_2-M^2)}](/forum/latexrender/pictures/2ed85d9354e0b56fd54b77cb186e516d.png)
Per fare una rivelazione sincrona è utile - non indispensabile, ma molto utile - che la tensione di uscita sia in fase con quella di ingresso. Se
(assunzione ragionevole), la condizione precedente è verificata se la somma dei termini reali al denominatore si annulla, cioè per

Poniamo
e
e otteniamo

è la frequenza nominale di eccitazione (13 kHz) specificata dal costruttore. A questa frequenza la tensione di uscita vale

indipendente da
. Dall'espressione sopra si capisce il funzionamento del circuito: quando il nucleo è al centro,
, e la tensione di uscita è nulla. Quando il nucleo si sposta la tensione di uscita aumenta proporzionalmente a
. In particolare, se
, la tensione di uscita è in fase con l'eccitazione; viceversa, se
, la tensione di uscita è in opposizione di fase rispetto all'eccitazione. La risposta rispetto a
è lineare se
e
dipendono poco dalla posizione del nucleo.
(to be continued...)
Faccio una premessa: i dati specificati nel datasheet - in particolare la frequenza di lavoro e la resistenza di carico - sono ottimali per il circuito di condizionamento specificato dal datasheet e per una rivelazione sincrona del segnale. Il circuito di condizionamento su cui è basato l'AD598 opera in modo differente e non è strettamente necessario utilizzare quei parametri per il dimensionamento del circuito. Una conseguenza, però, sarà il fatto che la sensibilità che troverai sarà differente da quella nominale indicata dal costruttore. Volendo sperimentare un po', a proposito, ti consiglierei di andarti a comprare un micrometro. Nelle fiere dell'elettronica (o in qualche mercatino delle pulci) in genere se ne trovano a basso costo.
Per capire meglio ciò che ti ho detto sopra, mo' faremo così (non riuscirò a scriverti tutto oggi, mi ci vorranno un paio di post):
1) Analizzeremo il circuito di condizionamento consigliato dal costruttore.
2) Useremo l'analisi fatta per estrarre dal datasheet alcuni parametri del trasduttore.
3) Analizzeremo il circuito con l'AD598 e cercheremo di trarre qualche conclusione sulle prestazioni che ci possiamo attendere sulla base dei parametri ricavati prima. Il circuito che analizzeremo sarà quello in fondo a pagina 15 del datasheet.
Il tastatore induttivo è costituito da due avvolgimenti accoppiati magneticamente tramite un nucleo mobile. Dal datasheet vediamo che i due avvolgimenti devono essere alimentati da due tensioni sinusoidali in opposizione di fase. Il circuito equivalente che possiamo pensare è quello qua sotto
e
sono le resistenze equivalenti degli avvolgimenti, tengono conto sia della resistenza in continua che delle perdite alla frequenza di lavoro.
e
sono le induttanze dei due avvolgimenti e
è la mutua induttanza tra i due.
è la resistenza di carico e
è la tensione di uscita.
è la tensione di eccitazione, che supponiamo di pulsazione
. Supponiamo trascurabile le capacità interspira (perché già così è un casino Per semplificare l'analisi del circuito possiamo trasformare il circuito di sopra nel seguente
Da questo circuito non è difficile dimostrare - un po' lungo e noioso, ma non difficile - che la tensione di uscita vale
![V_\text{L} =\frac{ R_\text{L}[R_2-R_1+\text{j}\omega(L_2-L_1)]E/2}{R_1R_2+R_1R_\text{L}+R_2R_\text{L}+\text{j}\omega[R_\text{L}(L_1+L_2+2M)+L_1R_2+L_2R_1]-\omega^2(L_1L_2-M^2)} V_\text{L} =\frac{ R_\text{L}[R_2-R_1+\text{j}\omega(L_2-L_1)]E/2}{R_1R_2+R_1R_\text{L}+R_2R_\text{L}+\text{j}\omega[R_\text{L}(L_1+L_2+2M)+L_1R_2+L_2R_1]-\omega^2(L_1L_2-M^2)}](/forum/latexrender/pictures/2ed85d9354e0b56fd54b77cb186e516d.png)
Per fare una rivelazione sincrona è utile - non indispensabile, ma molto utile - che la tensione di uscita sia in fase con quella di ingresso. Se
(assunzione ragionevole), la condizione precedente è verificata se la somma dei termini reali al denominatore si annulla, cioè per
Poniamo
e
e otteniamo
è la frequenza nominale di eccitazione (13 kHz) specificata dal costruttore. A questa frequenza la tensione di uscita vale
indipendente da
. Dall'espressione sopra si capisce il funzionamento del circuito: quando il nucleo è al centro,
, e la tensione di uscita è nulla. Quando il nucleo si sposta la tensione di uscita aumenta proporzionalmente a
. In particolare, se
, la tensione di uscita è in fase con l'eccitazione; viceversa, se
, la tensione di uscita è in opposizione di fase rispetto all'eccitazione. La risposta rispetto a
è lineare se
e
dipendono poco dalla posizione del nucleo.(to be continued...)
It's a sin to write
instead of
(Anonimo).
...'cos you know that
ain't
, right?
You won't get a sexy tan if you write
in lieu of
.
Take a log for a fireplace, but don't take
for
arithm.
instead of
(Anonimo)....'cos you know that
ain't
, right?You won't get a sexy tan if you write
in lieu of
.Take a log for a fireplace, but don't take
for
arithm.-

DirtyDeeds
55,9k 7 11 13 - G.Master EY

- Messaggi: 7012
- Iscritto il: 13 apr 2010, 16:13
- Località: Somewhere in nowhere
4
voti
Adesso cerchiamo di ricavare dal datasheet valori plausibili per
,
,
e
.
Definiamo l'impedenza d'ingresso in condizioni di uscita nulla come
Quando l'uscita è nulla si ha
e
; quindi

da cui

Si ha

ma

Assumiamo
, vedremo alla fine se questa assunzione è giustificata, allora

che sostituita nell'equazione precedente dà

Questa è un'equazione di secondo grado in
, prendendo solo la soluzione positiva si ha

Sostituendo i valori si ottiene
(chissà se avrò fatto i conti giusti?). A questo punto, dalla definizione di
, determiniamo
:

Ora utilizziamo l'impedenza di uscita
per determinare
. Annullando i due generatori si vede che

da cui, dopo qualche passaggio algebrico che ti risparmio, si ottiene

Di qui si può ricavare
, tenendo conto che 

Quindi l'assunzione
è giustificata.
Poiché è anche
, la tensione di uscita trovata precedentemente può essere approssimata come

Con
e
.
Tieni conto che queste determinazioni sono moooolto approssimate, però direi che sulla base dei dati in nostro possesso non sia possibile fare meglio. Cosa ce ne facciamo di questi numeri?
(to be continued... per lasciare un po' di suspense
)
,
,
e
.Definiamo l'impedenza d'ingresso in condizioni di uscita nulla come
Quando l'uscita è nulla si ha
e
; quindi
da cui

Si ha

ma

Assumiamo
, vedremo alla fine se questa assunzione è giustificata, allora 
che sostituita nell'equazione precedente dà

Questa è un'equazione di secondo grado in
, prendendo solo la soluzione positiva si ha
Sostituendo i valori si ottiene
(chissà se avrò fatto i conti giusti?). A questo punto, dalla definizione di
, determiniamo
:
Ora utilizziamo l'impedenza di uscita
per determinare
. Annullando i due generatori si vede che
da cui, dopo qualche passaggio algebrico che ti risparmio, si ottiene

Di qui si può ricavare
, tenendo conto che 

Quindi l'assunzione
è giustificata.Poiché è anche
, la tensione di uscita trovata precedentemente può essere approssimata come
Con
e
.Tieni conto che queste determinazioni sono moooolto approssimate, però direi che sulla base dei dati in nostro possesso non sia possibile fare meglio. Cosa ce ne facciamo di questi numeri?
(to be continued... per lasciare un po' di suspense
It's a sin to write
instead of
(Anonimo).
...'cos you know that
ain't
, right?
You won't get a sexy tan if you write
in lieu of
.
Take a log for a fireplace, but don't take
for
arithm.
instead of
(Anonimo)....'cos you know that
ain't
, right?You won't get a sexy tan if you write
in lieu of
.Take a log for a fireplace, but don't take
for
arithm.-

DirtyDeeds
55,9k 7 11 13 - G.Master EY

- Messaggi: 7012
- Iscritto il: 13 apr 2010, 16:13
- Località: Somewhere in nowhere
1
voti
grazieeeee!!!
mi procurerò un micrometro certo, intanto mi vedo per bene queste conti, così quando ci sarà la prossima puntata sarò prontissimo per seguirti
naturalmente ti ringrazio ancora DirtyDeeds, sei sempre molto gentile
-

MaxSplatter
10 2 - Messaggi: 12
- Iscritto il: 29 apr 2010, 2:37
4
voti
Veniamo ora al circuito con l'AD598 e analizziamo il circuito schematizzato al fondo di p. 15. Si potrebbe analizzare anche l'altro, ma il discorso diventerebbe un po' troppo lungo. Rispetto al circuito analizzato sopra si notano due grosse differenze:
1) il trasduttore è eccitato da un solo generatore;
2) il trasduttore lavora a vuoto, senza l'uscita venga connessa a una resistenza di carico
. Ci sarebbe l'impedenza di ingresso dell'integrato, ma è di
(v. datasheet), e la approssimiamo come un circuito aperto.
Il circuito equivalente adatto all'analisi è allora il seguente
Si ha

Per semplificare un po' l'espressione, assumiamo
e poniamo
e
. Con queste posizioni otteniamo

con
. In base ai dati trovati prima (
,
) , per il trasduttore che hai tu, si ha
. Per semplificare ancora un po' definiamo la pulsazione normalizzata
. Sostituendo otteniamo

Ora guardiamo che cosa misura l'AD598: nello schema al fondo di p. 15 i due ingressi dell'integrato sono collegati rispettivamente alla tensione
e alla tensione all'uscita del partitore resistivo collegato all'eccitazione. Poiché le resistenze del partitore sono uguali, il secondo ingresso è a potenziale
. Se leggiamo il datasheet, scopriamo che i segnali ai due ingressi vengono raddrizzati e viene quindi determinata la differenza
. Cosa succede a questa differenza al variare di
? Rispondere a questa domanda ci permetterà di fare qualche considerazione sulla scelta della frequenza di lavoro.
(again, to be continued... quest'analisi dura più di Lost!)
1) il trasduttore è eccitato da un solo generatore;
2) il trasduttore lavora a vuoto, senza l'uscita venga connessa a una resistenza di carico
. Ci sarebbe l'impedenza di ingresso dell'integrato, ma è di
(v. datasheet), e la approssimiamo come un circuito aperto. Il circuito equivalente adatto all'analisi è allora il seguente
Si ha

Per semplificare un po' l'espressione, assumiamo
e poniamo
e
. Con queste posizioni otteniamo
con
. In base ai dati trovati prima (
,
) , per il trasduttore che hai tu, si ha
. Per semplificare ancora un po' definiamo la pulsazione normalizzata
. Sostituendo otteniamo
Ora guardiamo che cosa misura l'AD598: nello schema al fondo di p. 15 i due ingressi dell'integrato sono collegati rispettivamente alla tensione
e alla tensione all'uscita del partitore resistivo collegato all'eccitazione. Poiché le resistenze del partitore sono uguali, il secondo ingresso è a potenziale
. Se leggiamo il datasheet, scopriamo che i segnali ai due ingressi vengono raddrizzati e viene quindi determinata la differenza
. Cosa succede a questa differenza al variare di
? Rispondere a questa domanda ci permetterà di fare qualche considerazione sulla scelta della frequenza di lavoro.(again, to be continued... quest'analisi dura più di Lost!)
It's a sin to write
instead of
(Anonimo).
...'cos you know that
ain't
, right?
You won't get a sexy tan if you write
in lieu of
.
Take a log for a fireplace, but don't take
for
arithm.
instead of
(Anonimo)....'cos you know that
ain't
, right?You won't get a sexy tan if you write
in lieu of
.Take a log for a fireplace, but don't take
for
arithm.-

DirtyDeeds
55,9k 7 11 13 - G.Master EY

- Messaggi: 7012
- Iscritto il: 13 apr 2010, 16:13
- Località: Somewhere in nowhere
0
voti
Rieccomi...mi era morto il modem....
Il discorso si fa ancora più interessante, fin qua ti seguo, anche se mi devo mettere per bene questi giorni e riprovare tutti i conti così il discorso non mi resta solo a livello teorico.
che dire, mi viene in mente solo questo:
ti ringrazio ancora, con l'occasione gli auguri di buone feste a te e a tutti coloro che sono su questo splendido forum.
Perdonami l'assenza, adesso ci sono, e speriamo duri meno di Lost
Il discorso si fa ancora più interessante, fin qua ti seguo, anche se mi devo mettere per bene questi giorni e riprovare tutti i conti così il discorso non mi resta solo a livello teorico.
che dire, mi viene in mente solo questo:
ti ringrazio ancora, con l'occasione gli auguri di buone feste a te e a tutti coloro che sono su questo splendido forum.
Perdonami l'assenza, adesso ci sono, e speriamo duri meno di Lost
-

MaxSplatter
10 2 - Messaggi: 12
- Iscritto il: 29 apr 2010, 2:37
4
voti
Avanti con la telenovela natalizia!
Nota: ho fatto una piccola aggiunta al post [15].
Torniamo alla tensione
determinata in [17]:

Innanzitutto, al contrario di quanto accadeva nel primo circuito analizzato, per nessun valore di
la
è in fase con
. Per cui non c'è una frequenza di lavoro più "conveniente". Però... uhm...
Partiamo dal caso
, possiamo approssimare la
come

da cui, al prim'ordine in
,

e

Se confrontiamo questo risultato con quello approssimato dato al post [15] per il circuito precedente, vediamo che il segnale di uscita è minore di un fattore
. Quindi lavorare con
(cioè per
) proprio non conviene perché i) si perde di sensibilità, ii) la tensione di uscita dipende da
ed è quindi sensibile alle sue variazioni e iii) non è difficile vedere che peggiora anche la linearità.
(to be continued... ma siamo quasi alla fine e manca poco a sapere il nome dell'assasino!)
Nota: ho fatto una piccola aggiunta al post [15].
Torniamo alla tensione
determinata in [17]:
Innanzitutto, al contrario di quanto accadeva nel primo circuito analizzato, per nessun valore di
la
è in fase con
. Per cui non c'è una frequenza di lavoro più "conveniente". Però... uhm...Partiamo dal caso
, possiamo approssimare la
come 
da cui, al prim'ordine in
,
e

Se confrontiamo questo risultato con quello approssimato dato al post [15] per il circuito precedente, vediamo che il segnale di uscita è minore di un fattore
. Quindi lavorare con
(cioè per
) proprio non conviene perché i) si perde di sensibilità, ii) la tensione di uscita dipende da
ed è quindi sensibile alle sue variazioni e iii) non è difficile vedere che peggiora anche la linearità. (to be continued... ma siamo quasi alla fine e manca poco a sapere il nome dell'assasino!)
It's a sin to write
instead of
(Anonimo).
...'cos you know that
ain't
, right?
You won't get a sexy tan if you write
in lieu of
.
Take a log for a fireplace, but don't take
for
arithm.
instead of
(Anonimo)....'cos you know that
ain't
, right?You won't get a sexy tan if you write
in lieu of
.Take a log for a fireplace, but don't take
for
arithm.-

DirtyDeeds
55,9k 7 11 13 - G.Master EY

- Messaggi: 7012
- Iscritto il: 13 apr 2010, 16:13
- Località: Somewhere in nowhere
19 messaggi
• Pagina 2 di 2 • 1, 2
Chi c’è in linea
Visitano il forum: Nessuno e 56 ospiti

Elettrotecnica e non solo (admin)
Un gatto tra gli elettroni (IsidoroKZ)
Esperienza e simulazioni (g.schgor)
Moleskine di un idraulico (RenzoDF)
Il Blog di ElectroYou (webmaster)
Idee microcontrollate (TardoFreak)
PICcoli grandi PICMicro (Paolino)
Il blog elettrico di carloc (carloc)
DirtEYblooog (dirtydeeds)
Di tutto... un po' (jordan20)
AK47 (lillo)
Esperienze elettroniche (marco438)
Telecomunicazioni musicali (clavicordo)
Automazione ed Elettronica (gustavo)
Direttive per la sicurezza (ErnestoCappelletti)
EYnfo dall'Alaska (mir)
Apriamo il quadro! (attilio)
H7-25 (asdf)
Passione Elettrica (massimob)
Elettroni a spasso (guidob)
Bloguerra (guerra)

