Cos'è ElectroYou | Login Iscriviti

ElectroYou - la comunità dei professionisti del mondo elettrico

Aiuto su circuito RC

Elettronica lineare e digitale: didattica ed applicazioni

Moderatori: Foto Utentecarloc, Foto Utenteg.schgor, Foto UtenteBrunoValente, Foto UtenteIsidoroKZ

0
voti

[1] Aiuto su circuito RC

Messaggioda Foto UtenteFrancesco95 » 4 gen 2011, 17:27

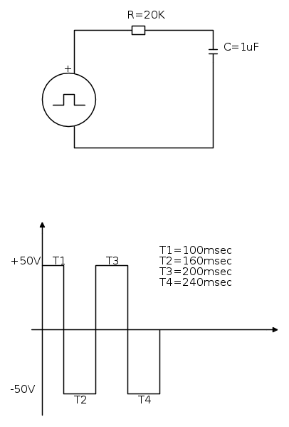
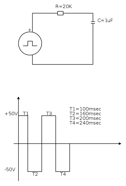
Salve a tutti, scrivo qui perché ho difficolta nella risoluzione di un circuito RC. Per gli esperti sarà banale, ma per me, studente di un tecnico industriale al 3° anno è un po' complesso. Allego lo schema del circuito. Il condensatore inizialmente è scarico, quindi si comporta come un cortocircuito. So che la legge di carica di un condensatore è Vc(t)=V_f\cdot (1-e^{-\frac{t}{\tau(Req\cdot C)}}) dove Vf è il valore finale, cioè quello a cui il condensatore si caricherà e Tau, è la costante di tempo, ottenuta moltiplicando la resistenza equivalente vista dal condensatore per la capacità del condensatore stesso. Dopo un tempo pari a 5 volte Tau si ritiene completamente carico il condensatore. In questo caso\tau=R\cdot C= 20\cdot 10^3\cdot 1\cdot 10^{-6}=0,02 secondi, cioè 20msec. L'esercizio richiede di tracciare in due grafici distinti l'andamento della Vc(t) e della Ic(t) durante il Transitorio. Non riesco proprio ad andare avanti :( E poi non capisco una cosa, come si possono avere tensioni negative erogate dal generatore? Non voglio l'esercizio già fatto perché sarebbe totalmente inutile, piuttosto un consiglio, un chiarimento, un input insomma. Grazie a tutti, anche solamente di aver letto questo noioso post :D
Avatar utente
Foto UtenteFrancesco95
0 1 3
 
Messaggi: 26
Iscritto il: 22 dic 2010, 18:09
Località: Floridia,Siracusa,Sicilia

0
voti

[2] Re: Aiuto su circuito RC

Messaggioda Foto UtenteIsidoroKZ » 4 gen 2011, 18:58

Se nelle formule latex scrivi \tau ottieni la lettera greca, e se scrivi V_f la f va a denominatore.

La formula che volevi indicare e` probabilmente questa:

v_c(t)=V_f(1-\text{e}^{-\frac{t}{\tau}}) dove\tau=R_{eq}C

In realta` la formula corretta e` un po' diversa, quella che hai scritto vale solo se la tensione iniziale sul condensatore e` nulla. Quella completa e`

v_c(t)=(V_i-V_f)\text{e}^{-\frac{t}{\tau}}+V_f dove V_i e` la tensione iniziale sul condensatore.

Pero` queste formule complicate non ti servono, perche' le durate delle varie parti dell'onda quadra sono almeno 5 volte (o piu`) la costante di tempo. Questo vuol dire che il condensatore durante T1, T2, T3 e T4 si carichera` fino al valore della tensione di ingresso.

Dire che il condensatore e` inizialmente un cortocircuito non e` corretto, meglio dire che la tensione sul condensatore non puo` fare dei salti.

Il risultato e` qualcosa del genere (non e` disegnato in scala), in rosso c'e` la tensione.



Vediamo se va fino qui, poi si prosegue per la corrente.

Perche' sei perplesso che il generatore possa generare tensioni negative?
Per usare proficuamente un simulatore, bisogna sapere molta più elettronica di lui
Plug it in - it works better!
Il 555 sta all'elettronica come Arduino all'informatica! (entrambi loro malgrado)
Se volete risposte rispondete a tutte le mie domande
Avatar utente
Foto UtenteIsidoroKZ
121,2k 1 3 8
G.Master EY
G.Master EY
 
Messaggi: 21059
Iscritto il: 17 ott 2009, 0:00

0
voti

[3] Re: Aiuto su circuito RC

Messaggioda Foto Utenteadmin » 4 gen 2011, 19:02

Visto che l'ho fatto, ti inserisco il grafico in scala

Avatar utente
Foto Utenteadmin
196,6k 9 12 17
Manager
Manager
 
Messaggi: 11950
Iscritto il: 6 ago 2004, 13:14

0
voti

[4] Re: Aiuto su circuito RC

Messaggioda Foto UtenteFrancesco95 » 4 gen 2011, 19:10

Isidoro, Innanzitutto grazie mille ^_^ per la tempestiva risposta e le precisazioni! Sei molto gentile a perdere il tuo tempo cone me :D La formula completa la conosco, non ho voluto metterla perché non lo ritenevo utile, dato che parliamo della carica. Admin, grazie per il grafico in scala! Per il comportamento del condensatore, a me è stato detto dal professore, che quando è scarico si comporta come un cortocircuito(ma ora so che non è proprio corretto) e quando è carico come un circuito aperto. Il dubbio riguardante la tensione negativa, è puramente pratico diciamo. Il generatore ha(ad esempio) una tensione di +9V, e fa "scorrere" questa tensione dal polo positivo a quello negativo, non riesco a concepire(scusate l'ignoranza) una tensione di -9V. Ora svolgo l'esercizio e metto i risultati e i calcoli fatti, così da poterli correggere, se avete 5 minuti da perdere. Grazie ancora per la pazienza e la cortesia :D
Avatar utente
Foto UtenteFrancesco95
0 1 3
 
Messaggi: 26
Iscritto il: 22 dic 2010, 18:09
Località: Floridia,Siracusa,Sicilia

0
voti

[5] Re: Aiuto su circuito RC

Messaggioda Foto UtenteFrancesco95 » 5 gen 2011, 15:22

Torno a scrivere, perché nonostante le chiare indicazioni, non riesco a risolvere il problema #-o
Inizio esponendo le due formule che mi ha dato il professore: per la carica v_c(t)=v_f(1-e^{-\frac{t}{\tau}}) e per la scarica è v_c(t)=V_i\cdot e^{-\frac{t}{\tau}} Vorrei sapere se le formule sono corrette :D E un ultima cosa... Io ho provato a fare in questo modo: dopo aver trovato \tau ho sostituito i valori nella legge di carica, cioè al posto del tempo ho messo l'intervallo T1(100msec) ottenendo un valore di 49.5V, cioè ai capi del condensatore si presenta una tensione di 49.5V, giusto? Ora nelle legge di scarica ho sostituito al tempo l'intervallo T2, e precisamente ho fatto così v_c(t)=e^{-\frac{160}{20}} ottenendo v_c(t)=e^{-13} e mi viene un valore(approssimato) di 22\cdot 10^{-5} V, cioè il condensatore si scarica. Giusto fin qui? :D
Avatar utente
Foto UtenteFrancesco95
0 1 3
 
Messaggi: 26
Iscritto il: 22 dic 2010, 18:09
Località: Floridia,Siracusa,Sicilia

0
voti

[6] Re: Aiuto su circuito RC

Messaggioda Foto Utenteadmin » 5 gen 2011, 15:58

La formula generale è quella che ti ha scritto IsidoroKZ.
Il condensatore può caricarsi essendo scarico; scaricarsi essendo carico; caricarsi ad un valore di tensione diverso da quello che costituisce la sua carica iniziale.
Nel tuo caso inizialmente il condensatore è scarico e, dopo 100 ms, si carica praticamente a + 50 V. Nell'intervallo di tempo successivo, T2, il condensatore non si scarica, ma passa da un valore di carica ad un altro, dai + 50 V cui era arrivato, ai - 50 V.
Quindi considerando come istante iniziale della seconda fase t= 100 ms, tu devi scrivere l'equazione

v_c (t) = \left( {V_i  - V_f } \right) \cdot e^{ - \frac{t}{\tau }}  + V_f

con

V_f = -50 \, \text {V}
V_i= 50 \, \text {V}

dopo l'intervallo di tempo T2, quindi all'istante troverai che la tensione sul condensatore è -50 V

Ti troverai, a questo punto nell'istante t=260 ms.

A questo punto ripeti i ragionamenti ed i calcoli per gli altri due intervalli in modo identico considerando quali sono i valori iniziale e finale della tensione sul condensatore ed applicando la formula generale
Avatar utente
Foto Utenteadmin
196,6k 9 12 17
Manager
Manager
 
Messaggi: 11950
Iscritto il: 6 ago 2004, 13:14

0
voti

[7] Re: Aiuto su circuito RC

Messaggioda Foto Utenterusty » 5 gen 2011, 15:59

Francesco95 ha scritto:Torno a scrivere, perché nonostante le chiare indicazioni, non riesco a risolvere il problema #-o
Inizio esponendo le due formule che mi ha dato il professore: per la carica v_c(t)=v_f(1-e^{-\frac{t}{\tau}}) e per la scarica è v_c(t)=V_i\cdot e^{-\frac{t}{\tau}} Vorrei sapere se le formule sono corrette :D E un ultima cosa... Io ho provato a fare in questo modo: dopo aver trovato \tau ho sostituito i valori nella legge di carica, cioè al posto del tempo ho messo l'intervallo T1(100msec) ottenendo un valore di 49.5V, cioè ai capi del condensatore si presenta una tensione di 49.5V, giusto? Ora nelle legge di scarica ho sostituito al tempo l'intervallo T2, e precisamente ho fatto così v_c(t)=e^{-\frac{160}{20}} ottenendo v_c(t)=e^{-13} e mi viene un valore(approssimato) di 22\cdot 10^{-5} V, cioè il condensatore si scarica. Giusto fin qui? :D


La carica è ok, 49.5 V in 100ms, ma la seconda parte, la scarica, non è corretta. La tensione iniziale infatti ora è di 49.5 V, la tensione finale è di -50 V, il tempo 160ms, dovresti usare la seconda formula data da Isidoro... tralaltro e^{-\frac{160}{20}} è e^{-8} non e^{-13}.

v_c(t)=(V_i-V_f)\text{e}^{-\frac{t}{\tau}}+V_f dove V_i

ovvero

v_c(t)=(49.5-(-50))\text{e}^{-\frac{160}{20}}+(-50)

che dà correttamente una tensione negativa, come dev'essere.

p.s. Scusi admin per il doppio post #-o
Ultima modifica di Foto Utenterusty il 5 gen 2011, 16:07, modificato 1 volta in totale.
Avatar utente
Foto Utenterusty
4.075 2 9 11
Utente disattivato per decisione dell'amministrazione proprietaria del sito
 
Messaggi: 1578
Iscritto il: 25 gen 2009, 13:10

0
voti

[8] Re: Aiuto su circuito RC

Messaggioda Foto UtenteFrancesco95 » 5 gen 2011, 16:06

Ringrazio infinitamente entrambi! Corro a svolgere ciò che avevo lasciato in sospeso! Grazie ancora per aver perso 10 minuti del vostro tempo con me :D
Avatar utente
Foto UtenteFrancesco95
0 1 3
 
Messaggi: 26
Iscritto il: 22 dic 2010, 18:09
Località: Floridia,Siracusa,Sicilia

0
voti

[9] Re: Aiuto su circuito RC

Messaggioda Foto UtenteFrancesco95 » 5 gen 2011, 16:54

Ehmm torno a scrivere per la seconda consegna del problema :D Dopo aver tracciato l'andamento della tensione, ed essermi chiarito le idee sulle giuste formule, vi chiedo un ultimo aiuto. So che la formula giusta(o almeno spero) per la corrente ai capi del condensatore è i_c(t)=\frac{V}{R_e_q}\cdot e^{-\frac{t}{\tau}}. Sostituendo la prima volta i valori +50 a V e 20\cdot 10^3 a R e 100msec a t ho ottenuto una corrente di 16\cdot 10^{-6} Ampere, giusto? La seconda volta ho sostituito a t il valore 160ms e a V il valore -50 a V
ottenendo una corrente di -83\cdot 10^{-7} Ampere. Non so se sia il ragionamento giusto, attendo vostre risposte per la conferma o smentita :D
Ultima modifica di Foto UtenteFrancesco95 il 5 gen 2011, 17:36, modificato 1 volta in totale.
Avatar utente
Foto UtenteFrancesco95
0 1 3
 
Messaggi: 26
Iscritto il: 22 dic 2010, 18:09
Località: Floridia,Siracusa,Sicilia

0
voti

[10] Re: Aiuto su circuito RC

Messaggioda Foto Utenteadmin » 5 gen 2011, 17:23

la corrente nel primo intervallo é positiva; nel secondo negativa ecc.



rusty ha scritto:p.s. Scusi admin per il doppio post #-o


nessun problema! :D
Avatar utente
Foto Utenteadmin
196,6k 9 12 17
Manager
Manager
 
Messaggi: 11950
Iscritto il: 6 ago 2004, 13:14

Prossimo

Torna a Elettronica generale

Chi c’è in linea

Visitano il forum: Nessuno e 56 ospiti