salve a tutti,
ho a disposizione un termistore ntc con la classica caratteristica esponenziale decrescente.
Come posso ottenere una tensione che mantenga tale relazione esponenziale e da fornire in ingresso a un microcontrollore da cui poi ricavare la temperatura applicando la funzione logaritmo.
Cioè non voglio linearizzare la caratteristica.
Grazie
condizionamento termistore ntc
Moderatori:
carloc,
g.schgor,
BrunoValente,
IsidoroKZ
8 messaggi
• Pagina 1 di 1
1
voti
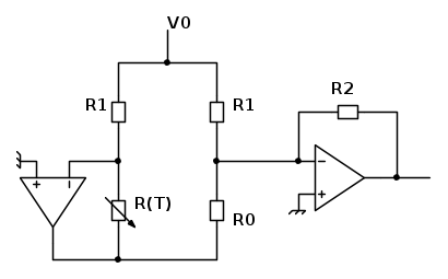
Se vuoi proprio mantenere quella caratteristica, l'unica è fare una misura voltamperometrica, alimentando l'ntc con una corrente costante. Per vari motivi, però, non è una delle soluzioni migliori. Un'altra possibilità è quella di inserire l'ntc in un ponte attivo lineare, come il circuito seguente:
In questo modo otterresti un'uscita proporzionale a
Però:
1) Perché vuoi proprio mantenere quella caratteristica?
2) Che intervallo di temperature devi misurare?
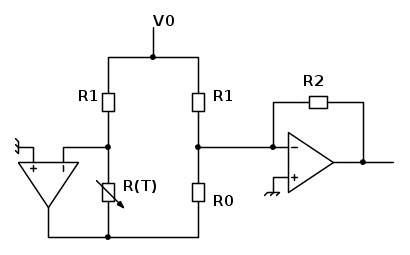
In questo modo otterresti un'uscita proporzionale a

Però:
1) Perché vuoi proprio mantenere quella caratteristica?
2) Che intervallo di temperature devi misurare?
It's a sin to write
instead of
(Anonimo).
...'cos you know that
ain't
, right?
You won't get a sexy tan if you write
in lieu of
.
Take a log for a fireplace, but don't take
for
arithm.
instead of
(Anonimo)....'cos you know that
ain't
, right?You won't get a sexy tan if you write
in lieu of
.Take a log for a fireplace, but don't take
for
arithm.-

DirtyDeeds
55,9k 7 11 13 - G.Master EY

- Messaggi: 7012
- Iscritto il: 13 apr 2010, 16:13
- Località: Somewhere in nowhere
0
voti
per non introdurre eccessiva incertezza, comunque credo che procederò alla linearizzazione. qual è il metodo migliore?
il range di temperature è da -40°C a +80°C.
grazie ciao
il range di temperature è da -40°C a +80°C.
grazie ciao
1
voti
Quale livello di incertezza vuoi raggiungere?
Su un intervallo di temperature così ampio nessuna linearizzazione funziona adeguatamente: quello che bisogna fare in questo caso è scegliere un circuito di condizionamento la cui caratteristica di risposta possa essere conosciuta con una buona incertezza e poi implementare nel microcontrollare la caratteristica composta del termistore e del circuito di condizionamento.
E' prevista una taratura?
Su un intervallo di temperature così ampio nessuna linearizzazione funziona adeguatamente: quello che bisogna fare in questo caso è scegliere un circuito di condizionamento la cui caratteristica di risposta possa essere conosciuta con una buona incertezza e poi implementare nel microcontrollare la caratteristica composta del termistore e del circuito di condizionamento.
E' prevista una taratura?
It's a sin to write
instead of
(Anonimo).
...'cos you know that
ain't
, right?
You won't get a sexy tan if you write
in lieu of
.
Take a log for a fireplace, but don't take
for
arithm.
instead of
(Anonimo)....'cos you know that
ain't
, right?You won't get a sexy tan if you write
in lieu of
.Take a log for a fireplace, but don't take
for
arithm.-

DirtyDeeds
55,9k 7 11 13 - G.Master EY

- Messaggi: 7012
- Iscritto il: 13 apr 2010, 16:13
- Località: Somewhere in nowhere
0
voti
Alla fine ho deciso di optare per una resistenza in serie ed acquisire la tensione di partizione.
Poi inserisco una look up table di qualche valore temperatura-tensione e linearizzo a tratti.
In questo caso come si risale a partire dal valore di una tensione qualsiasi alla temperatura corrispondente?
Grazie
Poi inserisco una look up table di qualche valore temperatura-tensione e linearizzo a tratti.
In questo caso come si risale a partire dal valore di una tensione qualsiasi alla temperatura corrispondente?
Grazie
0
voti
Guarda questo thread: viewtopic.php?f=1&t=16157
Per usare proficuamente un simulatore, bisogna sapere molta più elettronica di lui
Plug it in - it works better!
Il 555 sta all'elettronica come Arduino all'informatica! (entrambi loro malgrado)
Se volete risposte rispondete a tutte le mie domande
Plug it in - it works better!
Il 555 sta all'elettronica come Arduino all'informatica! (entrambi loro malgrado)
Se volete risposte rispondete a tutte le mie domande
3
voti
ffflll ha scritto:Alla fine ho deciso di optare per una resistenza in serie ed acquisire la tensione di partizione.
Sì, con un intervallo di misura così ampio, è una buona soluzione (misura raziometrica, mi raccomando!). Nel scegliere il valore dell'altra resistenza del partitore (chiamiamola
), tieni conto che la caratteristica combinata termistore-partitore ha un flesso alla temperatura
se la resistenza ha valore 
dove
è la resistenza del termistore alla temperatura
e
è la temperatura caratteristica del materiale. Questo ti può servire per ottimizzare la linearità (anche se poi usi una look-up table, avere una sensibilità quasi costante in tutto l'intervallo di misura potrebbe non guastare). Per intervalli di misura ristretti, normalmente, si sceglie
al centro dell'intervallo, ma nel tuo caso potrebbe essere conveniente spostarsi un pochino.Poi, tieni conto che un termistore tipico ha un coefficiente di temperatura intorno al 4%/°C a temperatura ambiente, per cui un resistore con tolleranza dell'1% ti aggiunge un'incertezza intorno a 1/4 °C, mal contata.
Non ci hai però ancora detto:
1) che incertezza vuoi raggiungere;
2) che tipo di taratura hai previsto.
Un'interessante application note sui termistori è questa.
It's a sin to write
instead of
(Anonimo).
...'cos you know that
ain't
, right?
You won't get a sexy tan if you write
in lieu of
.
Take a log for a fireplace, but don't take
for
arithm.
instead of
(Anonimo)....'cos you know that
ain't
, right?You won't get a sexy tan if you write
in lieu of
.Take a log for a fireplace, but don't take
for
arithm.-

DirtyDeeds
55,9k 7 11 13 - G.Master EY

- Messaggi: 7012
- Iscritto il: 13 apr 2010, 16:13
- Località: Somewhere in nowhere
2
voti
..vorrei solo aggiungere un po' "di carne al fuoco"
direi che un'altra cosa da tener presente è l'autoriscaldamento dell'NTC a causa della corrente che ci facciamo passare dentro per misurare la cdt....
con i classici 5V di alimentazione questo accade in maniera significativa solo se l'NTC ha valore nominale "basso". Come contromisura si può tenere la R serie "alta" anche se così facendo anche l'uscita avrà escursione limitata e la si dovrà amplificare con i relativi problemi di deriva e incertezza introdotti dall'amplificatore....
direi che un'altra cosa da tener presente è l'autoriscaldamento dell'NTC a causa della corrente che ci facciamo passare dentro per misurare la cdt....
con i classici 5V di alimentazione questo accade in maniera significativa solo se l'NTC ha valore nominale "basso". Come contromisura si può tenere la R serie "alta" anche se così facendo anche l'uscita avrà escursione limitata e la si dovrà amplificare con i relativi problemi di deriva e incertezza introdotti dall'amplificatore....
Se ti serve il valore di beta: hai sbagliato il progetto!
8 messaggi
• Pagina 1 di 1
Chi c’è in linea
Visitano il forum: Nessuno e 49 ospiti

Elettrotecnica e non solo (admin)
Un gatto tra gli elettroni (IsidoroKZ)
Esperienza e simulazioni (g.schgor)
Moleskine di un idraulico (RenzoDF)
Il Blog di ElectroYou (webmaster)
Idee microcontrollate (TardoFreak)
PICcoli grandi PICMicro (Paolino)
Il blog elettrico di carloc (carloc)
DirtEYblooog (dirtydeeds)
Di tutto... un po' (jordan20)
AK47 (lillo)
Esperienze elettroniche (marco438)
Telecomunicazioni musicali (clavicordo)
Automazione ed Elettronica (gustavo)
Direttive per la sicurezza (ErnestoCappelletti)
EYnfo dall'Alaska (mir)
Apriamo il quadro! (attilio)
H7-25 (asdf)
Passione Elettrica (massimob)
Elettroni a spasso (guidob)
Bloguerra (guerra)


