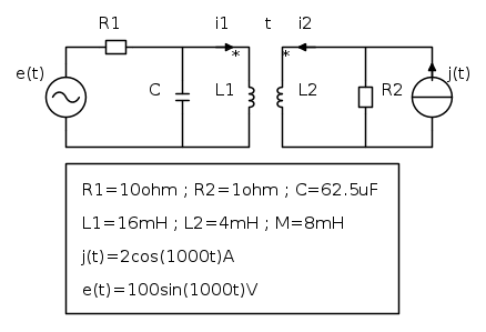
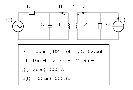
Con riferimento al seguente circuito, operante in regime sinusoidale, calcolare le correnti i1(t) ed i2(t).
una volta trasportato diventa:
I calcoli sono:

Con Norton il circuito sara:
ora non resta che:

scusate la corrente i2 e 0.364+3.75j
Moderatori:
g.schgor,
IsidoroKZ






caniblastoise ha scritto:ho capito quello che vuoi dire ma quindi l'induttanza non devo considerarla proprio e fare il partirore tra R12 e C?
caniblastoise ha scritto:Io ho considerato L1 come c.c. per il generatore equivalente di Norton
RenzoDF ha scritto:no, devi calcolare le due correnti indicate, per esempio usando Millman ed ottenenendo le due correnti I1 e I12 rispettivamente come somma dei contributi dei due rami di sinistra e dei due di destra.


caniblastoise ha scritto:l'ho considerato corto circuito perche con Norton il generatore di controllo posto su ab e di tensione e spegnerlo singifica portare la ddp a 0 cioe corto circuito ideale.


caniblastoise ha scritto:L'ho considerato corto circuito perché con Norton il generatore di controllo posto su a b è di tensione e spegnerlo significa portare la d.d.p. a 0 cioè corto circuito ideale.



Torna a Elettrotecnica generale
Visitano il forum: Nessuno e 37 ospiti