Cos'è ElectroYou | Login Iscriviti

ElectroYou - la comunità dei professionisti del mondo elettrico

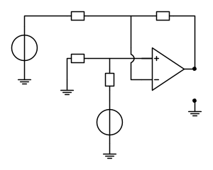
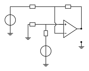
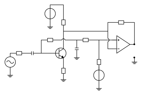
Esercizio con BJT ed operazionale

Elettronica lineare e digitale: didattica ed applicazioni

Moderatori: Foto Utentecarloc, Foto Utenteg.schgor, Foto UtenteBrunoValente, Foto UtenteIsidoroKZ

0
voti

[1] Esercizio con BJT ed operazionale

Messaggioda Foto Utentestefano89 » 17 feb 2011, 15:22

Ciao a tutti, eccomi qui con un altro esercizio che mi sta dando nuovi problemi.



Bisogna trovare Rc ed Re, sapendo che a riposo da tensione d' uscita vale Vo = 5 V, la corrente di collettore vale Ic = 1.8 mA, ed il guadagno di corrente vale b = 100.

Apparentemente non sembra difficile, ma poi a conti fatti mi accorgo che proprio sono fuori.
Comincio con Rc: essendo C2 un corto, mi ritrovo che l' operazionale funziona da sottrattore, cioè mi trovo nella condizione:



E sapendo quanto vale Vo posso direttamente ricavarmi Rc con la formula classica del sottrattore, vale a dire: Vo = (1 + R4/Rc)*R2/(R2 + R3)*Vcc - R4/Rc*Vcc
La questione è molto semplice: mi viene Rc negativa. (!?)

Per quanto riguarda Re passo allo schema ai piccoli segnali disegnando lo schema:



ma è evidente che se non conosco Rc non si va avanti. :(

voi che ne dite ? come si risolve la prima parte ? e il ragionamento per la seconda parte è corretto?
Avatar utente
Foto Utentestefano89
0 5
New entry
New entry
 
Messaggi: 51
Iscritto il: 15 feb 2011, 11:57

0
voti

[2] Re: Esercizio con BJT ed operazionale

Messaggioda Foto Utentemancio » 17 feb 2011, 21:42

La Vo ti viene data a riposo, per cui devi considerare tutti i condensatori dei circuiti aperti;
non ti necessita il c.e. alle medie frequenze.
Ti puoi calcolare Re scrivendo l'eq. alla maglia Vcc, R3, R2,R1,Vbe(0,65V) Re, massa. Su questa maglia circola la Ib=Ic/100.
La Rc la calcoli: 1.considerando la maglia suddetta all'ingresso N.I. (ti calcoli V+ )
2. l'altro ramo dell'A.O. e' composto da : 12V, Rc, R4 Vo

Ti puoi scrivere l'eq. di Vo con la s.d.e e quindi trovare l'unica incognita che e' Rc.
Avatar utente
Foto Utentemancio
-30 1 4
 
Messaggi: 35
Iscritto il: 30 nov 2010, 19:07

0
voti

[3] Re: Esercizio con BJT ed operazionale

Messaggioda Foto UtenteIsidoroKZ » 17 feb 2011, 21:52

stefano89 ha scritto:Ciao a tutti, eccomi qui con un altro esercizio che mi sta dando nuovi problemi.


L'avevi gia` postato e ti erano state date due soluzioni, se ben ricordo.

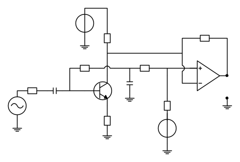
EDIT: errore mio. L'esercizio era gia` stato postato, ma non da te! Qui trovi la discussione della soluzione del bias point.
Per usare proficuamente un simulatore, bisogna sapere molta più elettronica di lui
Plug it in - it works better!
Il 555 sta all'elettronica come Arduino all'informatica! (entrambi loro malgrado)
Se volete risposte rispondete a tutte le mie domande
Avatar utente
Foto UtenteIsidoroKZ
121,2k 1 3 8
G.Master EY
G.Master EY
 
Messaggi: 21059
Iscritto il: 17 ott 2009, 0:00

0
voti

[4] Re: Esercizio con BJT ed operazionale

Messaggioda Foto Utentestefano89 » 18 feb 2011, 0:07

mancio ha scritto:Ti puoi calcolare Re scrivendo l'eq. alla maglia Vcc, R3, R2,R1,Vbe(0,65V) Re, massa. Su questa maglia circola la Ib=Ic/100.


grazie! Ora, sto riguardando anche il post di Isidoro e ho finalmente capito.
Però mi sfugge una cosa: perché dici che su Re circola la Ib ?

Ib circola certamente su R3, R2, R1, ma la Ic dove finisce ? Intendi che finisce direttamente verso R4 senza "scendere" ?
Avatar utente
Foto Utentestefano89
0 5
New entry
New entry
 
Messaggi: 51
Iscritto il: 15 feb 2011, 11:57

0
voti

[5] Re: Esercizio con BJT ed operazionale

Messaggioda Foto UtenteIsidoroKZ » 18 feb 2011, 0:38

stefano89 ha scritto:Però mi sfugge una cosa: perché dici che su Re circola la Ib ?


Ti sfugge perche' il suggerimento che ti ha dato mancio e` sbagliato :-) Attraverso Re scorre I_E=I_B(1+\beta)
Per usare proficuamente un simulatore, bisogna sapere molta più elettronica di lui
Plug it in - it works better!
Il 555 sta all'elettronica come Arduino all'informatica! (entrambi loro malgrado)
Se volete risposte rispondete a tutte le mie domande
Avatar utente
Foto UtenteIsidoroKZ
121,2k 1 3 8
G.Master EY
G.Master EY
 
Messaggi: 21059
Iscritto il: 17 ott 2009, 0:00

0
voti

[6] Re: Esercizio con BJT ed operazionale

Messaggioda Foto Utentestefano89 » 18 feb 2011, 0:55

perfetto ora ci siamo!

Grazie a tutti per l' aiuto! :)
Avatar utente
Foto Utentestefano89
0 5
New entry
New entry
 
Messaggi: 51
Iscritto il: 15 feb 2011, 11:57

0
voti

[7] Re: Esercizio con BJT ed operazionale

Messaggioda Foto Utentemancio » 18 feb 2011, 12:28

Ti ho risposto un po' in fretta, ma e' giusto; su Re circola la Ie.
Avatar utente
Foto Utentemancio
-30 1 4
 
Messaggi: 35
Iscritto il: 30 nov 2010, 19:07


Torna a Elettronica generale

Chi c’è in linea

Visitano il forum: Majestic-12 [Bot] e 133 ospiti