Cos'è ElectroYou | Login Iscriviti

ElectroYou - la comunità dei professionisti del mondo elettrico

Rifasamento

Circuiti, campi elettromagnetici e teoria delle linee di trasmissione e distribuzione dell’energia elettrica

Moderatori: Foto Utenteg.schgor, Foto UtenteIsidoroKZ

0
voti

[1] Rifasamento

Messaggioda Foto Utentemassi33 » 23 feb 2011, 20:49

Ciao a tutti, volevo chiedervi un chiarimento su un esercizio.
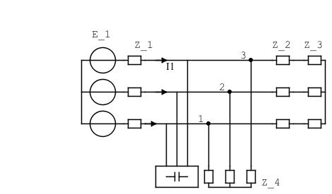
Ho un generatore trifase ideale che alimenta con una terna simmetrica diretta di tensioni due carichi collegati come in figura
trifase.jpg
trifase.jpg (11.02 KiB) Osservato 1367 volte

L'esercizio mi chiede di determinare la capacità da assegnare ai condensatori del banco di rifasamento per innalzare il fattore di potenza complessivo a 0.92.
trifase 2.jpg
trifase 2.jpg (12.6 KiB) Osservato 1367 volte


Dopo essermi calcolato le correnti I1, I2 e I3, ho scelto dove mettere il banco dei condensatori e siccome i carichi sono alimentati a bassa tensione ho scelto il collegamento a triangolo.
Ora mi sorge un dubbio: nella formula della capacità dei condensatori
C\triangle =  \frac{P(tan\phi c- tan\phi r)}{\omega (|V12|)^2}

la potenza attiva sarà la somma delle potenze attive dei 2 carichi giusto? cioè P = P_{c1} + P_{c2}
dove P_{c1} = Re(3U_{c1} I_{c1}) ? Seguendo lo svolgimento del libro invece si è calcolato la potenza attiva dai carichi del circuito monofase (linea 1), ma non ho capito perché quella potenza rappresenta la potenza totale dei 2 carichi
Avatar utente
Foto Utentemassi33
0 2
 
Messaggi: 10
Iscritto il: 28 mag 2010, 19:03

0
voti

[2] Re: Rifasamento

Messaggioda Foto UtenteRenzoDF » 24 feb 2011, 11:13

Premesso che nella tua relazione per la capacita' C_{\Delta } manca qualcosa ;-)

massi33 ha scritto: Seguendo lo svolgimento del libro invece si è calcolato la potenza attiva dai carichi del circuito monofase (linea 1), ma non ho capito perché quella potenza rappresenta la potenza totale dei 2 carichi

:roll:... a quale potenza ti riferisci?

Dato che il sistema e' simmetrico ed equilibrato, si puo' ragionare sul circuito equivalente monofase, dal quale potrai anche ricavarti la capacita' di rifasamento, che sara' pero quella adatta per un collegamento a stella.
"Il circuito ha sempre ragione" (Luigi Malesani)
Avatar utente
Foto UtenteRenzoDF
55,9k 8 12 13
G.Master EY
G.Master EY
 
Messaggi: 13189
Iscritto il: 4 ott 2008, 9:55

0
voti

[3] Re: Rifasamento

Messaggioda Foto Utentenollo » 24 feb 2011, 11:44

Come dice Renzo, consigliandoti di ridurti al monofase equivalente, la potenza P1 rappresenta quella di una sola fase. Quando calcoli il valore della capacità lo calcoli per una fase... e qui devi stare attento alle relazioni tra grandezze concatenate e grandezze di fase...
Avatar utente
Foto Utentenollo
1.141 2 7 12
Expert EY
Expert EY
 
Messaggi: 422
Iscritto il: 4 feb 2011, 13:44

0
voti

[4] Re: Rifasamento

Messaggioda Foto Utentemassi33 » 25 feb 2011, 14:45

ciao a tutti, vi ringrazio per avermi risposto.
RenzoDF ha scritto:Premesso che nella tua relazione per la capacita' C_{\Delta } manca qualcosa


mi sono scordato un 3 a numeratore giusto? #-o

massi33 ha scritto: Seguendo lo svolgimento del libro invece si è calcolato la potenza attiva dai carichi del circuito monofase (linea 1), ma non ho capito perché quella potenza rappresenta la potenza totale dei 2 carichi

:roll:... a quale potenza ti riferisci?


Allora, praticamente il libro fa riferimento sempre al circuito monofase equivalente, e si calcola la potenza attiva erogata P_Y = Re(E_Y* \bar{I_1}) dove E_Y = E_1 - Z_1*I_1

C\triangle =  \frac{P_Y(tan\phi c- tan\phi r)}{ \omega  (\sqrt{3}|E_Y|)^2}

Ora, quello che ancora non mi è chiaro è perché a volte per trovare C\triangle devo usare la potenza attiva di tutti e 3 i carichi regolari cioè(P_c = 3P_c) mentre in questo caso per C\triangle mi basta solo quella del monofase equivalente??
Avatar utente
Foto Utentemassi33
0 2
 
Messaggi: 10
Iscritto il: 28 mag 2010, 19:03

0
voti

[5] Re: Rifasamento

Messaggioda Foto Utentenollo » 26 feb 2011, 12:23

Se il sistema è simmetrico e equilibrato puoi sempre ridurti al monofase equivalente, ma questo non ti vieta di non farlo!
Puoi benissimo usare il teorema di Boucherot per calcolare la potenza reattiva necessaria ad aumentare il cosfi.

Insomma, come tutti i processi di ragionamento e di risoluzione dei problemi, non esiste un'unica soluzione. Anche perché a questo punto ci basterebbero dei grossi manuali :shock: e cadrebbe proprio lo scopo dell'esercizio che non è certo quello di imparare formule ma metodi!!!

Felice di poterti essere stato utile, soprattutto vista la mia giovinezza nella comunità! :D
Avatar utente
Foto Utentenollo
1.141 2 7 12
Expert EY
Expert EY
 
Messaggi: 422
Iscritto il: 4 feb 2011, 13:44


Torna a Elettrotecnica generale

Chi c’è in linea

Visitano il forum: Nessuno e 26 ospiti