In questo momento con un solo differenziale magnetotermico e 2 magnetotermici (zona giorno - zona notte) quando il differenziale scatta non so mai in quale stanza può essere successo qualcosa e l'ultima volta ho perso l'intera domenica per cercare un guasto, che come al solito era una stupidaggine. E finché succede di domenica pazienza, ma se mi succede in un giorno lavorativo che faccio? Torno a casa e lavoro al buio per cercare l'inghippo? E poi butto tutto il contenuto del freezer
Centralino per nuovo impianto
Moderatori:
sebago,
MASSIMO-G,
lillo,
Mike
0
voti
[31] Re: Nuovo Impianto
Mi sa che dopo tutto "sezionare" l'abitazione con 1 differenziale-magnetotermico per ogni stanza sarà anche costoso, ma mi evita di perdere una infinità di tempo qualora ci fosse un guasto.
In questo momento con un solo differenziale magnetotermico e 2 magnetotermici (zona giorno - zona notte) quando il differenziale scatta non so mai in quale stanza può essere successo qualcosa e l'ultima volta ho perso l'intera domenica per cercare un guasto, che come al solito era una stupidaggine. E finché succede di domenica pazienza, ma se mi succede in un giorno lavorativo che faccio? Torno a casa e lavoro al buio per cercare l'inghippo? E poi butto tutto il contenuto del freezer
?
In questo momento con un solo differenziale magnetotermico e 2 magnetotermici (zona giorno - zona notte) quando il differenziale scatta non so mai in quale stanza può essere successo qualcosa e l'ultima volta ho perso l'intera domenica per cercare un guasto, che come al solito era una stupidaggine. E finché succede di domenica pazienza, ma se mi succede in un giorno lavorativo che faccio? Torno a casa e lavoro al buio per cercare l'inghippo? E poi butto tutto il contenuto del freezer
0
voti
[32] Re: Nuovo Impianto
angus ha scritto:Se ho capito bene il tuo post, intendi dire questo:
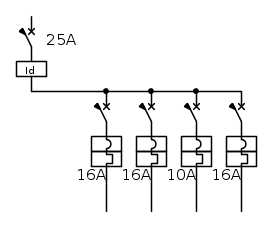
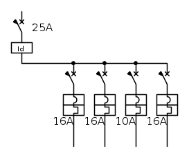
Io dico che così non va bene, perché se hai 9A (ad esempio) su ognuno dei magnetotermici sul differenziale PURO da 25A passerebbero 36A
Mi spiace angus ma la tua teoria non mi convince, in quanto anche se il nostro amico lampadina avesse con l'enel un contratto di 4,5 kW non potrebbe prelevare dalla rete piu' di 20,45 A.
Quindi quando esposto nel tuo esempio mi sembra molto improbabile.
-

tunachedda
0 2 - Messaggi: 10
- Iscritto il: 24 set 2009, 12:34
0
voti
[33] Re: Nuovo Impianto
Mi spiace angus ma la tua teoria non mi convince, in quanto anche se il nostro amico lampadina avesse con l'enel un contratto di 4,5 kW non potrebbe prelevare dalla rete piu' di 20,45 A.
E' un concetto molto sbagliato. Non puoi utilizzare un limitatore per fini contrattuali per la protezione da sovraccarico.
Tanto più che oggi questa limitazione avviene per via elettronica programmata in remoto. L'utente potrebbe telefonare al distributore e raddoppiare la corrente.
0
voti
[34] Re: Nuovo Impianto
6367 ha scritto:Mi spiace angus ma la tua teoria non mi convince, in quanto anche se il nostro amico lampadina avesse con l'enel un contratto di 4,5 kW non potrebbe prelevare dalla rete piu' di 20,45 A.
E' un concetto molto sbagliato. Non puoi utilizzare un limitatore per fini contrattuali per la protezione da sovraccarico.
Osservazione giustissima la tua. Ma non volevo dire di usare il limitatore dell'enel come limitatore il mio messaggio voleva fare capire quanta corrente al massimo si puo' avere a disposizione (anche se volendo potrebbe utilizzare non un differenziale puro, ma uno abbinato ad un magneto termico).
Il discorso comunque decade se si ha un contratto con enel con potenza maggiore ai 4,5 kW.
-

tunachedda
0 2 - Messaggi: 10
- Iscritto il: 24 set 2009, 12:34
0
voti
[35] Re: Nuovo Impianto
tunachedda ha scritto:Mi spiace angus ma la tua teoria non mi convince, in quanto anche se il nostro amico lampadina avesse con l'enel un contratto di 4,5 kW non potrebbe prelevare dalla rete piu' di 20,45 A.
Quindi quando esposto nel tuo esempio mi sembra molto improbabile.
Se lo schema di cui sopra corrisponde al contenuto di un ipotetico quadro all'interno dell'appartamento, alimentato direttamente dal contatore, è SBAGLIATO.
Che la fornitura contrattuale sia 1,5kw o 10 kW, fa poca differenza.
Siccome si era parlato genericamente di soluzione ottimale nella maggior parte dei casi... lo ripeto: senza considerare quello che c'è a monte, tanto ottimale non è.
E dalla risposta che dai a 6367, secondo me, ancora non hai capito il vero motivo, pazienza.
in /dev/null no one can hear you scream
0
voti
[36] Re: Nuovo Impianto
scusami angus, ma vorrei tanto capire.
Ma rimane una situazione non ottimale anche se sostituisco il differenziale puro con un differenziale accoppiato ad un magnetotermico (come proposto nel messaggio precedente).
Ma rimane una situazione non ottimale anche se sostituisco il differenziale puro con un differenziale accoppiato ad un magnetotermico (come proposto nel messaggio precedente).

-

tunachedda
0 2 - Messaggi: 10
- Iscritto il: 24 set 2009, 12:34
0
voti
[37] Re: Nuovo Impianto
tunachedda ha scritto:scusami angus, ma vorrei tanto capire.
Ma rimane una situazione non ottimale anche se sostituisco il differenziale puro con un differenziale accoppiato ad un magnetotermico (come proposto nel messaggio precedente).
ti rispondo quotandomi da solo (anche se non mi piace), post [25]:
angus ha scritto:Ovviamente le cose migliorano se al posto del differenziale puro, hai un differenziale magnetotermico opportunamente dimensionato.
in /dev/null no one can hear you scream
0
voti
[38] Re: Nuovo Impianto
Angus scusami se non ti ho quotato.
non volevo sicuramente essere arrogante o soprattutto "scortese" con te...
non volevo sicuramente essere arrogante o soprattutto "scortese" con te...
-

tunachedda
0 2 - Messaggi: 10
- Iscritto il: 24 set 2009, 12:34
0
voti
[40] Re: Nuovo Impianto
tunachedda ha scritto:Ma non volevo dire di usare il limitatore dell'enel come limitatore il mio messaggio voleva fare capire quanta corrente al massimo si puo' avere a disposizione
angus ha scritto:E dalla risposta che dai a 6367, secondo me, ancora non hai capito il vero motivo, pazienza.
"Fisicamente" non esiste alcun limite alla corrente che puoi prelevare da un contatore. Non puoi immaginare la fornitura elettrica come un tubo attraverso il quale più di tanta acqua non passa. O se preferisci è così, ma tale limite è elevatissimo (la corrente di corto circuito: migliaia di ampere).
La corrente, o è limitata dai carichi (e non è certo il caso di un impianto domestico ove il numero degli apparecchi che puoi alimentare non ha alcun limite), o è limitata da un dispositivo a monte. Altra possibilità di limitazione non c'è.
O questo dispositivo è un interruttore di utente correttamente dimensionato che fa da "collo di bottiglia", oppure è l'eventuale limitatore del Distributore.
Torna a Impianti, sicurezza e quadristica
Chi c’è in linea
Visitano il forum: Nessuno e 32 ospiti

Elettrotecnica e non solo (admin)
Un gatto tra gli elettroni (IsidoroKZ)
Esperienza e simulazioni (g.schgor)
Moleskine di un idraulico (RenzoDF)
Il Blog di ElectroYou (webmaster)
Idee microcontrollate (TardoFreak)
PICcoli grandi PICMicro (Paolino)
Il blog elettrico di carloc (carloc)
DirtEYblooog (dirtydeeds)
Di tutto... un po' (jordan20)
AK47 (lillo)
Esperienze elettroniche (marco438)
Telecomunicazioni musicali (clavicordo)
Automazione ed Elettronica (gustavo)
Direttive per la sicurezza (ErnestoCappelletti)
EYnfo dall'Alaska (mir)
Apriamo il quadro! (attilio)
H7-25 (asdf)
Passione Elettrica (massimob)
Elettroni a spasso (guidob)
Bloguerra (guerra)



