Cos'è ElectroYou | Login Iscriviti

ElectroYou - la comunità dei professionisti del mondo elettrico

Centralino per nuovo impianto

Progettazione, esercizio, manutenzione, sicurezza, leggi, normative...

Moderatori: Foto Utentesebago, Foto UtenteMASSIMO-G, Foto Utentelillo, Foto UtenteMike

0
voti

[41] Re: Nuovo Impianto

Messaggioda Foto Utenteelettro » 27 feb 2011, 15:31

Scusate, non capisco i termini che animano questa discussione, comunque....

1- il misuratore Enel è tarato in genere con queste potenze: 3.3Kwh+10%(4kwh max 1 ora); 4.4Kwh +10%; 6Kwh+10%; 8/10Kwh in monofase+10%.
Il limitatore no è una protezione....

In base all'impianto e ai futuri aggiornamenti possibili, bisogna eseguire elaborato ove le linee sono correttamente dimensionate per al corrente max, la cdt% ed infine i contatti diretti ed indiretti.

Si può scegliere un C32 x un alinea da 6,6Kwh, con linea montante da 10mm2 , quadro appartamento con sezionatore C32 e linee derivate con C25 e magnetotermici-differenziali singoli per le varie dorsali dell'impianto.

Si può altresì, scegliere il classico 3.3 kWh (max 4Kwh), con il classico C32 a montante con sezione da 6mm2, e magnetotermico-differenziale a centralino da C25-id 0,03A

Nel residenziale, ove l'immobile è realizzato da ditta esterna immobiliare, nei capitolati, gli impianti elettrici salvo eccezioni, sono redatti ed elaborati ai minimi termini....sezioni cavo appena sufficienti, ed un solo differenziale per tutto l'impianto...neanche una lampada emergenza...neppure una linea da 4mm2 x il forno...


Io consiglio la soluzione classica con C32 a montante, e linea da 100mm2, che serve centralino opportunamente sezionato in parti e con magneottermici-differenziali separati per ogni utenza, anche in virtù di eventuali aumenti di fornitura x esigenze contingenti....
Avatar utente
Foto Utenteelettro
942 3 5 9
Expert
Expert
 
Messaggi: 2813
Iscritto il: 9 mar 2005, 19:23

0
voti

[42] Re: Nuovo Impianto

Messaggioda Foto Utenteelettrodomus » 27 feb 2011, 16:41

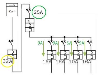
elettro ha scritto:non capisco i termini che animano questa discussione, comunque....Si può altresì, scegliere il classico 3.3 kWh (max 4Kwh), con il classico C32 a montante con sezione da 6mm2, e magnetotermico-differenziale a centralino da C25-id 0,03A


Credo si ponderasse appunto la soluzione migliore. Ad esempio nel post [21] angus valutava gli errori possibili:
CENTRALINO 1.jpg
CENTRALINO 1.jpg (13.7 KiB) Osservato 5135 volte

Giustamente la tua soluzione va a correggere:
CENTRALINO 2.jpg
CENTRALINO 2.jpg (13.88 KiB) Osservato 5133 volte
Avatar utente
Foto Utenteelettrodomus
10,1k 6 11 13
G.Master EY
G.Master EY
 
Messaggi: 2607
Iscritto il: 28 gen 2011, 22:38
Località: Bassa Bresciana

0
voti

[43] Re: Nuovo Impianto

Messaggioda Foto Utenteelettro » 27 feb 2011, 19:50

X il 6Kwh si può fare anche così:
C32 a valle impianto;
linea montante 2x10mm2;
Sezionatore C32+differenziale puro c40A id0,03
Oppure, sezionatore C32 in centralino, e carichi separati con magnetotermici-differenziali C16 e C10, o, partizioni separate con C25 e protezioni annesse magneto-differenziali....
Avatar utente
Foto Utenteelettro
942 3 5 9
Expert
Expert
 
Messaggi: 2813
Iscritto il: 9 mar 2005, 19:23

0
voti

[44] Re: Nuovo Impianto

Messaggioda Foto Utente6367 » 27 feb 2011, 22:36

elettro ha scritto:Nel residenziale, ove l'immobile è realizzato da ditta esterna immobiliare, nei capitolati, gli impianti elettrici salvo eccezioni, sono redatti ed elaborati ai minimi termini....sezioni cavo appena sufficienti, ed un solo differenziale per tutto l'impianto...neanche una lampada emergenza...neppure una linea da 4mm2 x il forno...

Io consiglio la soluzione classica con C32 a montante, e linea da 100mm2, che serve centralino opportunamente sezionato in parti e con magneottermici-differenziali separati per ogni utenza, anche in virtù di eventuali aumenti di fornitura x esigenze contingenti....


Ti potrà far piacere che la nuova edizione della norma CEI 64-8 andrà nella direzione dei tuoi consigli.
Per i nuovi impianti domestici saranno stabilite sezioni minime del montante, potenza minima dell'impianto in base alla superficie, numero minimo di interruttori differenziali e magnetotermici, lampade di emergenza e via di seguito.

Gli impianti ai minimi termini diventeranno "fuori norma".
Avatar utente
Foto Utente6367
22,3k 6 9 12
G.Master EY
G.Master EY
 
Messaggi: 6997
Iscritto il: 9 set 2005, 0:00

0
voti

[45] Re: Nuovo Impianto

Messaggioda Foto UtenteKelvin » 28 feb 2011, 0:48

6367 ha scritto:
elettro ha scritto:
Ti potrà far piacere che la nuova edizione della norma CEI 64-8 andrà nella direzione dei tuoi consigli.
Per i nuovi impianti domestici saranno stabilite sezioni minime del montante, potenza minima dell'impianto in base alla superficie, numero minimo di interruttori differenziali e magnetotermici, lampade di emergenza e via di seguito.

Gli impianti ai minimi termini diventeranno "fuori norma".


Si sa quando andrà in vigore la norma aggiornata?
sono in ballo con tre appartamenti non vorrei fare cose che poi non sono più idonee. A questo punto converrebbe tararsi per i 6 kW per tutti gli appartamenti. Ma dove abbiamo ancora i cavi rigidi da 2,5 come si procede se fanno richiesta di 6 kW e i cavi sono murati nelle scale?
Avatar utente
Foto UtenteKelvin
5 3
New entry
New entry
 
Messaggi: 84
Iscritto il: 3 giu 2010, 15:06

0
voti

[46] Re: Nuovo Impianto

Messaggioda Foto Utente6367 » 28 feb 2011, 0:52

Ma dove abbiamo ancora i cavi rigidi da 2,5 come si procede se fanno richiesta di 6 kW e i cavi sono murati nelle scale?


Si applica alle nuove abitazioni oppure in caso di ristrutturazioni complete.
Al di là della norma, un montante non idoneo va comunque sostituito.
Avatar utente
Foto Utente6367
22,3k 6 9 12
G.Master EY
G.Master EY
 
Messaggi: 6997
Iscritto il: 9 set 2005, 0:00

0
voti

[47] Re: Nuovo Impianto

Messaggioda Foto Utentetunachedda » 28 feb 2011, 12:15

6367 ha scritto:Si applica alle nuove abitazioni oppure in caso di ristrutturazioni complete.
Al di là della norma, un montante non idoneo va comunque sostituito.


Sono d'accordissimo con te. Un buon montante a priori della tipologia d'impianto che si va a manutenzionare e' gia' un buon inizio per un impianto che dovrebbe essere al passo con i tempi e soprattuttto con le norme sempre in continua evoluzione.
Avatar utente
Foto Utentetunachedda
0 2
 
Messaggi: 10
Iscritto il: 24 set 2009, 12:34

0
voti

[48] Re: Nuovo Impianto

Messaggioda Foto Utenteelettrodomus » 28 feb 2011, 22:13

6367 ha scritto:Ti potrà far piacere che la nuova edizione della norma CEI 64-8 [..] Gli impianti ai minimi termini diventeranno "fuori norma".

A me fa piacere :-)
Avatar utente
Foto Utenteelettrodomus
10,1k 6 11 13
G.Master EY
G.Master EY
 
Messaggi: 2607
Iscritto il: 28 gen 2011, 22:38
Località: Bassa Bresciana

0
voti

[49] Re: Nuovo Impianto

Messaggioda Foto Utenteelettro » 28 feb 2011, 22:41

Nel settore impiantistico se ne vedono di tutte, soprattutto quando si parla di appalti per committenze quali imprese costruttrici, che loro volta, tendono a minimizzare gli impianti...

Quanti impianti lavorano a 6.6Kwh con montante da 6mm2 ...che hanno dimensioni in tratta considerevoli e sono sempre uguali x ogni appartamento entro il complesso condominiale..anche se si tratta dell'attico al 5^ piano......oppure 1 solo differenziale, che lascia al buio quando interviene....

Senza contare, a mio personale avviso, l'uso dei morsetti a serraggio diretto...!!! ma come si fa, al giorno d'oggi,a comprendere nella regola dell'arte e certificare questi componenti...???? la tecnica contemporanea, offre soluzioni di gran lunga più affidabili.....mi chiedo come mai, i tecnici del CEI, non mettano al bando questo tipo di connessione ormai obsoleto...che in molti casi ha provocato guasti che si sono tramutati in principio d'incendio...
Non so voi cosa ne pensate, ma io rimango esterefatto....
Avatar utente
Foto Utenteelettro
942 3 5 9
Expert
Expert
 
Messaggi: 2813
Iscritto il: 9 mar 2005, 19:23

0
voti

[50] Re: Nuovo Impianto

Messaggioda Foto Utenteelettrodomus » 28 feb 2011, 22:47

elettro ha scritto:morsetti a serraggio diretto

...perdona la mia ignoranza, ma cosa intendi?
Avatar utente
Foto Utenteelettrodomus
10,1k 6 11 13
G.Master EY
G.Master EY
 
Messaggi: 2607
Iscritto il: 28 gen 2011, 22:38
Località: Bassa Bresciana

PrecedenteProssimo

Torna a Impianti, sicurezza e quadristica

Chi c’è in linea

Visitano il forum: Nessuno e 103 ospiti