Cos'è ElectroYou | Login Iscriviti

ElectroYou - la comunità dei professionisti del mondo elettrico

Clock PIC16F887

Tipologie, strumenti di sviluppo, hardware e progetti

Moderatore: Foto UtentePaolino

0
voti

[1] Clock PIC16F887

Messaggioda Foto Utenteposta10100 » 28 feb 2011, 21:44

Ciao a tutti,
ho un problema con il clock del PIC16F887.
Si tratta di un quarzo da 20MHz con i 2 condensatori verso massa da 27pF (nel range indicato sul ds).
Il tutto montato su breadboard.
Purtoppo oscilla quando ne ha voglia. Ho provato a sostituire il PIC ma senza fortuna.
Collegando l'oscilloscopio la traccia non si muove, se tocco il quarzo con il dito a volte si sveglia, oscilla per un po e poi si stanca... a volte basta avvicinare solo la mano... #-o
Sul datasheet suggeriscono l'utilizzo di un resistore in serie e uno in parallelo: ma che valore metto? :?:

Grazie delle dritte!

O_/
http://millefori.altervista.org
Tool gratuito per chi sviluppa su millefori.

Tutti sanno che una cosa è impossibile da realizzare, finché arriva uno sprovveduto che non lo sa e la inventa. (A. Einstein)
Se non c'e` un 555 non e` un buon progetto (IsidoroKZ)

Strumento per formule
Avatar utente
Foto Utenteposta10100
5.550 4 10 13
Master EY
Master EY
 
Messaggi: 4832
Iscritto il: 5 nov 2006, 0:09

0
voti

[2] Re: Clock PIC16F887

Messaggioda Foto UtenteCandy » 28 feb 2011, 22:14

Ogni volta che ho avito problemi simili, si trattava sempre e solo di errori di collegamenti/configurazione/condensatori erronei.

Mi rendo conto di non essere stato di molto aiuto, ma ti posso garantire che mai un PIC ha avuto problemi in tal senso.
Avatar utente
Foto UtenteCandy
32,5k 7 10 13
CRU - Account cancellato su Richiesta utente
 
Messaggi: 10123
Iscritto il: 14 giu 2010, 22:54

0
voti

[3] Re: Clock PIC16F887

Messaggioda Foto Utentetaboga » 28 feb 2011, 22:49

Prova a cambiare brea board
A me mi ha fatto impazzire
Controlla anche l'alimentazione
Avatar utente
Foto Utentetaboga
0 1 3
 
Messaggi: 11
Iscritto il: 18 gen 2011, 20:32

0
voti

[4] Re: Clock PIC16F887

Messaggioda Foto Utenteposta10100 » 28 feb 2011, 23:37

Cambiata breadboard,
cambiato PIC,
cambiato quarzo,
cambiati i condensatori,
cambiato l'alimentatore,
cambiati tutti i fili...

che mi resta da cambiare? #-o
http://millefori.altervista.org
Tool gratuito per chi sviluppa su millefori.

Tutti sanno che una cosa è impossibile da realizzare, finché arriva uno sprovveduto che non lo sa e la inventa. (A. Einstein)
Se non c'e` un 555 non e` un buon progetto (IsidoroKZ)

Strumento per formule
Avatar utente
Foto Utenteposta10100
5.550 4 10 13
Master EY
Master EY
 
Messaggi: 4832
Iscritto il: 5 nov 2006, 0:09

0
voti

[5] Re: Clock PIC16F887

Messaggioda Foto UtenteTardoFreak » 1 mar 2011, 0:02

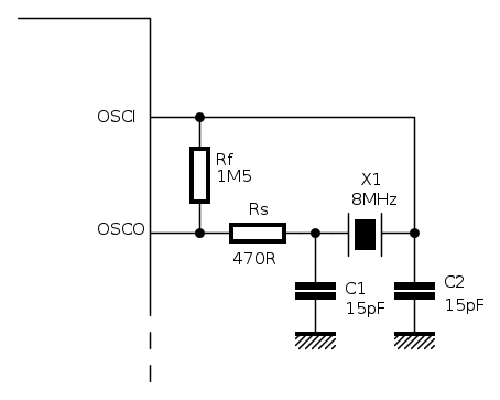
Ti resta solo piu' da mettere una resistenza da 470 o 820 o 1K in serie al quarzo, e se non oscilla un' altra resistenza da 1.5M fra i due PIN del micro per fare la reazione positiva.
Per esempio:
"La follia sta nel fare sempre la stessa cosa aspettandosi risultati diversi".
"Parla soltanto quando sei sicuro che quello che dirai è più bello del silenzio".
Rispondere è cortesia, ma lasciare l'ultima parola ai cretini è arte.
Avatar utente
Foto UtenteTardoFreak
73,9k 8 12 13
-EY Legend-
-EY Legend-
 
Messaggi: 15754
Iscritto il: 16 dic 2009, 11:10
Località: Torino - 3° pianeta del Sistema Solare

0
voti

[6] Re: Clock PIC16F887

Messaggioda Foto Utenteposta10100 » 1 mar 2011, 0:39

Niente da fare, non ne vuole sapere!
Adesso è tardi, domani sera butto tutto all'aria e ci riprovo!

O_/
http://millefori.altervista.org
Tool gratuito per chi sviluppa su millefori.

Tutti sanno che una cosa è impossibile da realizzare, finché arriva uno sprovveduto che non lo sa e la inventa. (A. Einstein)
Se non c'e` un 555 non e` un buon progetto (IsidoroKZ)

Strumento per formule
Avatar utente
Foto Utenteposta10100
5.550 4 10 13
Master EY
Master EY
 
Messaggi: 4832
Iscritto il: 5 nov 2006, 0:09

0
voti

[7] Re: Clock PIC16F887

Messaggioda Foto UtenteTardoFreak » 1 mar 2011, 1:33

Forse ... prova con una millefori. :?
La millefori non tradisce. -:-
"La follia sta nel fare sempre la stessa cosa aspettandosi risultati diversi".
"Parla soltanto quando sei sicuro che quello che dirai è più bello del silenzio".
Rispondere è cortesia, ma lasciare l'ultima parola ai cretini è arte.
Avatar utente
Foto UtenteTardoFreak
73,9k 8 12 13
-EY Legend-
-EY Legend-
 
Messaggi: 15754
Iscritto il: 16 dic 2009, 11:10
Località: Torino - 3° pianeta del Sistema Solare


Torna a Realizzazioni, interfacciamento e nozioni generali.

Chi c’è in linea

Visitano il forum: Nessuno e 10 ospiti