Ciao a tutti!
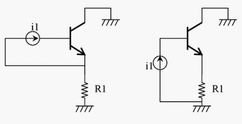
Devo dimostrare che i due circuiti in allegato hanno la stessa corrente di emettitore; i1 è un generatore di corrente qualsiasi (anche variabile nel tempo). E' possibile farlo così o bisogna ipotizzare che ci sia un corto-circuito ai capi di R1?
Con un corto-circuito su R1, se il generatore i1 riesce ad accendere il transistor, come faccio ad essere sicuro che su R1 non scorra corrente? La i1 ritorna a sinistra verso il generatore, ma su R1 non scorrerebbe lo stesso la corrente di collettore, se il transistor è acceso?
Grazie comunque,
Mark
Generatore di corrente e BJT
Moderatori:
carloc,
g.schgor,
BrunoValente,
IsidoroKZ
3 messaggi
• Pagina 1 di 1
0
voti
Quello e` il circuito vero o il circuito per piccolo segnale?
Dove studi, che cosa quale materia e` e che libro usate?
Dove studi, che cosa quale materia e` e che libro usate?
Per usare proficuamente un simulatore, bisogna sapere molta più elettronica di lui
Plug it in - it works better!
Il 555 sta all'elettronica come Arduino all'informatica! (entrambi loro malgrado)
Se volete risposte rispondete a tutte le mie domande
Plug it in - it works better!
Il 555 sta all'elettronica come Arduino all'informatica! (entrambi loro malgrado)
Se volete risposte rispondete a tutte le mie domande
0
voti
Dovevo dirlo, è vero: è il circuito per piccolo segnale. E' elettronica (università) e nei libri di testo consigliati non c'è questo argomento.
3 messaggi
• Pagina 1 di 1
Chi c’è in linea
Visitano il forum: Nessuno e 180 ospiti

Elettrotecnica e non solo (admin)
Un gatto tra gli elettroni (IsidoroKZ)
Esperienza e simulazioni (g.schgor)
Moleskine di un idraulico (RenzoDF)
Il Blog di ElectroYou (webmaster)
Idee microcontrollate (TardoFreak)
PICcoli grandi PICMicro (Paolino)
Il blog elettrico di carloc (carloc)
DirtEYblooog (dirtydeeds)
Di tutto... un po' (jordan20)
AK47 (lillo)
Esperienze elettroniche (marco438)
Telecomunicazioni musicali (clavicordo)
Automazione ed Elettronica (gustavo)
Direttive per la sicurezza (ErnestoCappelletti)
EYnfo dall'Alaska (mir)
Apriamo il quadro! (attilio)
H7-25 (asdf)
Passione Elettrica (massimob)
Elettroni a spasso (guidob)
Bloguerra (guerra)

