Impedenza vista, quanto vale?
Moderatori:
g.schgor,
IsidoroKZ
14 messaggi
• Pagina 1 di 2 • 1, 2
0
voti
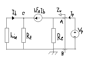
Salve a tutti! Dunque nel circuito di cui sopra (scusate la qualità, un giorno proverò qualcosa meglio di paint) devo calcolare l'impedenza Zv vista dai terminali A e B. Quindi, seguendo le regole, ho passivato il generatore di tensione che era in serie a hie( infatti non si vede) e ho attaccato un generatore di prova Vp cosi si avrà che Zv=Vp/Ip.
La corrente Ib è presa positiva in quel verso, hie ha le dimensione di una resistenza e hfe è un numero puro.
La questione è: la corrente Ib che tipo di dipendenza ha da Vp? Ovviamente se Ib fosse nulla allora Zv=Rc.
Inoltre, il potenziale del punto C è maggiore o minore del potenziale del punto A (che ovviamente è Vp)? Questo perché non so come orientare la freccia della differenza di potenziale ai capi del generatore controllato in corrente.
Grazie! :)
-

thestonianodoc
0 3 - Messaggi: 29
- Iscritto il: 5 set 2008, 4:34
0
voti
Intanto: per lo schema non devi cercare nulla di più di FidoCadJ, unico strumento da usare su questo forum, per quanto possibile.
Domanda al tuo problema: cosa è hFeIb ? Il tutto è forse un circuito "equivalente" con BJT ?
Domanda al tuo problema: cosa è hFeIb ? Il tutto è forse un circuito "equivalente" con BJT ?
-

Candy
32,5k 7 10 13 - CRU - Account cancellato su Richiesta utente
- Messaggi: 10123
- Iscritto il: 14 giu 2010, 22:54
0
voti
Grazie per la risposta intanto...si conosco fidocadj il problema è che ho 2000 cose installate e ogni volta rimando, ma rimedierò.
Allora hfeIb è un generatore di corrente controllato in corrente e si, lo schema proviene dal circuito equivalente del BJT a parametri h dove appunto c'era da trovare questa impedenza vista.
Comunque, dimenticavo di aggiungere che io sono arrivato a una soluzione Zv=(Rc*hfe*Rv)/(hfe*Rv+Rc), dove Rv è il parallelo tra hie e Re, considerando VA>VC, cioè la tensione ai capi del generatore controllato diretta in senso opposto a quello della sua corrente uscente. In caso contrario, cioè considerando VA<VC ottengo, banalmente,0=0. Quindi appunto dato che ottengo due cose diverse a seconda di come oriento una freccia mi è venuto qualche dubbio.
Allora hfeIb è un generatore di corrente controllato in corrente e si, lo schema proviene dal circuito equivalente del BJT a parametri h dove appunto c'era da trovare questa impedenza vista.
Comunque, dimenticavo di aggiungere che io sono arrivato a una soluzione Zv=(Rc*hfe*Rv)/(hfe*Rv+Rc), dove Rv è il parallelo tra hie e Re, considerando VA>VC, cioè la tensione ai capi del generatore controllato diretta in senso opposto a quello della sua corrente uscente. In caso contrario, cioè considerando VA<VC ottengo, banalmente,0=0. Quindi appunto dato che ottengo due cose diverse a seconda di come oriento una freccia mi è venuto qualche dubbio.
-

thestonianodoc
0 3 - Messaggi: 29
- Iscritto il: 5 set 2008, 4:34
0
voti
FidoCadJ non ha bisogno d' installazione ed e' un file da 400KB circa, neanche mezzo mega.
"La follia sta nel fare sempre la stessa cosa aspettandosi risultati diversi".
"Parla soltanto quando sei sicuro che quello che dirai è più bello del silenzio".
Rispondere è cortesia, ma lasciare l'ultima parola ai cretini è arte.
"Parla soltanto quando sei sicuro che quello che dirai è più bello del silenzio".
Rispondere è cortesia, ma lasciare l'ultima parola ai cretini è arte.
-

TardoFreak
73,9k 8 12 13 - -EY Legend-

- Messaggi: 15754
- Iscritto il: 16 dic 2009, 11:10
- Località: Torino - 3° pianeta del Sistema Solare
1
voti
La freccia del generatore di corrente l'hai gia orientata in accordo al modello del BJT
e va bene
Ora si tratta di risolvere il circuito... potrei dire che "si vede" che la dipendenza tra Ib e Vp non c'è ma non mi piace.....
potresti supporre
, cioè il generatore di corrente dipendente aperto... e allora il nodo E (a sinistra) è collegato solo a due resistenze e allora
viene zero... in accordo con l'ipotesi fatta
Forse appena più complicato ma senza immaginare niente prima...
guardando il nodo E si ha
1) percorrendo il ramo con hie
2) percorrendo il ramo con Re
che uguagliate![\left[ h_{ie} + (1+h_{fe})R_E \right] I_b=0 \left[ h_{ie} + (1+h_{fe})R_E \right] I_b=0](/forum/latexrender/pictures/7aeaca34716f9f4535b7c6fcb7897b68.png)
e dato che la quantità tra parentesi è diversa da zero ...
...... 
come la giri la giri.... Zv=Rc
P.S. prova FidocadJ è veramente, facile, veloce, leggero
Ora si tratta di risolvere il circuito... potrei dire che "si vede" che la dipendenza tra Ib e Vp non c'è ma non mi piace.....
potresti supporre
, cioè il generatore di corrente dipendente aperto... e allora il nodo E (a sinistra) è collegato solo a due resistenze e allora
viene zero... in accordo con l'ipotesi fattaForse appena più complicato ma senza immaginare niente prima...
guardando il nodo E si ha
1) percorrendo il ramo con hie

2) percorrendo il ramo con Re

che uguagliate
![\left[ h_{ie} + (1+h_{fe})R_E \right] I_b=0 \left[ h_{ie} + (1+h_{fe})R_E \right] I_b=0](/forum/latexrender/pictures/7aeaca34716f9f4535b7c6fcb7897b68.png)
e dato che la quantità tra parentesi è diversa da zero ...
...... 
come la giri la giri.... Zv=Rc
P.S. prova FidocadJ è veramente, facile, veloce, leggero
Se ti serve il valore di beta: hai sbagliato il progetto!
0
voti
Mmm a quella soluzione c'ero arrivato anche io ma pensavo fosse..sbagliata! Questo perché forse non sono in grado di "vedere" che Ib e Vp non sono legati e quindi Ib=0 è una soluzione accettabile.
Forse sono troppo legato al dogma "Su una resistenza non scorre corrente solo se la differenza di potenziale ai suoi capi è nulla", quindi mi piacerebbe avere qualche "dritta" per venirne fuori in questo genere di situazioni.
Forse sono troppo legato al dogma "Su una resistenza non scorre corrente solo se la differenza di potenziale ai suoi capi è nulla", quindi mi piacerebbe avere qualche "dritta" per venirne fuori in questo genere di situazioni.
-

thestonianodoc
0 3 - Messaggi: 29
- Iscritto il: 5 set 2008, 4:34
1
voti
Fai benissimo ad essere legato a quel dogma (legge di Ohm)
... e infatti Ve=0 <=> Ib=0
il fatto di vederlo (è un emettitore comune senza hoe) o meno non ti serve, con l'esperienza magari ti aiuta ma resta il fatto: risolvere un circuito:
* Legge di Ohm
* Leggi di Kirchhoff
* Teoremi sulle reti.
quello che deriva da questo deve essere giusto!
Rileggevo il tuo primo post sul "verso della tensione ai capi del generatore controllato"... ora quello è un generatore di corrente, conviene senz'altro ragionare con la corrente che ci passa, almeno è direttamente legata ad Ib tramite hfe e ti permette di scrivere equazioni con meno incognite -se introduci la variabile Vce poi devi anche legare Ib e Vce-
Per il verso di Vce -ammesso che tu la voglia/debba calcolare- è del tutto arbitrario, poi alla fine il segno del numero che calcoli si "adatterà" al verso che hai messo.
Piuttosto il fatto che mettendo versi diversi ti vengano risultati diversi, questo sì, ti deve allarmare....
Infine "dritte" non ce ne sono... fai molti esercizi... anche perché le configurazioni sono sempre quelle tre emettore, base o collettorre comune e le varianti sono proprio poche RE sì/nò e poco più e alla fine una di quelle deve essere..
il fatto di vederlo (è un emettitore comune senza hoe) o meno non ti serve, con l'esperienza magari ti aiuta ma resta il fatto: risolvere un circuito:
* Legge di Ohm
* Leggi di Kirchhoff
* Teoremi sulle reti.
quello che deriva da questo deve essere giusto!
Rileggevo il tuo primo post sul "verso della tensione ai capi del generatore controllato"... ora quello è un generatore di corrente, conviene senz'altro ragionare con la corrente che ci passa, almeno è direttamente legata ad Ib tramite hfe e ti permette di scrivere equazioni con meno incognite -se introduci la variabile Vce poi devi anche legare Ib e Vce-
Per il verso di Vce -ammesso che tu la voglia/debba calcolare- è del tutto arbitrario, poi alla fine il segno del numero che calcoli si "adatterà" al verso che hai messo.
Piuttosto il fatto che mettendo versi diversi ti vengano risultati diversi, questo sì, ti deve allarmare....
Infine "dritte" non ce ne sono... fai molti esercizi... anche perché le configurazioni sono sempre quelle tre emettore, base o collettorre comune e le varianti sono proprio poche RE sì/nò e poco più e alla fine una di quelle deve essere..

Se ti serve il valore di beta: hai sbagliato il progetto!
0
voti
Ok, allora saresti cosi gentile da dirmi cosa ho sbagliato in questo procedimento?
Dunque io ho fatto prima il parallelo tra hie ed Re ottenendo, diciamo, Rv. Dopodicchè ho applicato il secondo principio di Kirchhoff alla maglia più esterna (quella per intenderci costituita da ramo dove c'è Vp e da quello dove c'è hfeIb e la Rv appena calcolata). Percorrendo tale maglia dal punto B in figura in senso antiorario si possono verificare due casi:
1) VCA>0 => VA + VCA - VC = 0 e 2) VCA<0 => VA - VCA - VC = 0
Essendo quindi VA=Vp e VC= hfeIb * Rv si ottiene:
1) Vp + ( hfeIb*Rv - Vp) - hfeIb*Rv = 0 => 0=0
2) Vp - (hfeIb*Rv - Vp) - hfeIb*Rv = 0 => Ib = Vp/hfe*Rv
Nel sencondo caso quindi ottengo la dipendeza tra Vp ed Ib. Applicando poi il primo principio di Kirchhoff al nodo A trovo infine l'espressione di Zv del post precedente. Dove sbaglio?
Dunque io ho fatto prima il parallelo tra hie ed Re ottenendo, diciamo, Rv. Dopodicchè ho applicato il secondo principio di Kirchhoff alla maglia più esterna (quella per intenderci costituita da ramo dove c'è Vp e da quello dove c'è hfeIb e la Rv appena calcolata). Percorrendo tale maglia dal punto B in figura in senso antiorario si possono verificare due casi:
1) VCA>0 => VA + VCA - VC = 0 e 2) VCA<0 => VA - VCA - VC = 0
Essendo quindi VA=Vp e VC= hfeIb * Rv si ottiene:
1) Vp + ( hfeIb*Rv - Vp) - hfeIb*Rv = 0 => 0=0
2) Vp - (hfeIb*Rv - Vp) - hfeIb*Rv = 0 => Ib = Vp/hfe*Rv
Nel sencondo caso quindi ottengo la dipendeza tra Vp ed Ib. Applicando poi il primo principio di Kirchhoff al nodo A trovo infine l'espressione di Zv del post precedente. Dove sbaglio?
-

thestonianodoc
0 3 - Messaggi: 29
- Iscritto il: 5 set 2008, 4:34
0
voti
Sbagli in tre punti almeno
1) Primp errore non aver rifatto il disegno in fidocad e averlo incluso nel messaggio. Ho perso parecchio tempo per scrollare su e giu` fra leggere una equazione e andare a vedere a che cosa si riferiva.
2) Secondo errore non aver scritto le formule in latex, cosi` non sono facilmente leggibili
3) Terzo errore hai qualche buffa idea sull'applicazione di KVL e come trattare i segni.
1) Primp errore non aver rifatto il disegno in fidocad e averlo incluso nel messaggio. Ho perso parecchio tempo per scrollare su e giu` fra leggere una equazione e andare a vedere a che cosa si riferiva.
2) Secondo errore non aver scritto le formule in latex, cosi` non sono facilmente leggibili
3) Terzo errore hai qualche buffa idea sull'applicazione di KVL e come trattare i segni.
Per usare proficuamente un simulatore, bisogna sapere molta più elettronica di lui
Plug it in - it works better!
Il 555 sta all'elettronica come Arduino all'informatica! (entrambi loro malgrado)
Se volete risposte rispondete a tutte le mie domande
Plug it in - it works better!
Il 555 sta all'elettronica come Arduino all'informatica! (entrambi loro malgrado)
Se volete risposte rispondete a tutte le mie domande
0
voti
thestonianodoc ha scritto:1) VCA>0 => VA + VCA - VC = 0 e 2) VCA<0 => VA - VCA - VC = 0
VA + VCA - VC = 0
e' sempre vera, sia che VCA>0 sia che VCA<0 in quanto VCA=VC-VA e quindi
VA + VCA - VC = VA+VC-VA-VC=0
non e' un'equazione utile ma una semplice identita' !
thestonianodoc ha scritto: Applicando poi il primo principio di Kirchhoff al nodo ...Dove sbaglio?
Oltre a tutti i punti elencati da Isidoro, sbagli anche nel nome del povero Kirchhoff .
"Il circuito ha sempre ragione" (Luigi Malesani)
14 messaggi
• Pagina 1 di 2 • 1, 2
Torna a Elettrotecnica generale
Chi c’è in linea
Visitano il forum: Nessuno e 8 ospiti

Elettrotecnica e non solo (admin)
Un gatto tra gli elettroni (IsidoroKZ)
Esperienza e simulazioni (g.schgor)
Moleskine di un idraulico (RenzoDF)
Il Blog di ElectroYou (webmaster)
Idee microcontrollate (TardoFreak)
PICcoli grandi PICMicro (Paolino)
Il blog elettrico di carloc (carloc)
DirtEYblooog (dirtydeeds)
Di tutto... un po' (jordan20)
AK47 (lillo)
Esperienze elettroniche (marco438)
Telecomunicazioni musicali (clavicordo)
Automazione ed Elettronica (gustavo)
Direttive per la sicurezza (ErnestoCappelletti)
EYnfo dall'Alaska (mir)
Apriamo il quadro! (attilio)
H7-25 (asdf)
Passione Elettrica (massimob)
Elettroni a spasso (guidob)
Bloguerra (guerra)

