Non credo possa funzionare.
Ma toglimi una curiosità, perché continui a metterci dentro resistenze da 39ohm che non servono a una mazza ?
Il circuito funziona per come è disegnato, se cambi i componenti devi farlo seguendo considerazioni che abbiano un minimo di fondamento logico. Altrimenti ci spieghi perché li vuoi cambiare e cerchiamo una soluzione che sia compatibile con le tue esigenze.
P.S.
Su questo portale per disegnare gli schemi elettrici usiamo FIDOCADJ che è completamente gratuito (scaricabile da qui) e non richiede nemmeno l' installazione. Una volta disegnato il circuito per allegarlo ti basterà inserire il codice fra i tag [fcd]. Provalo, è molto semplice da usare. Lo schema può poi essere scaricato da chiunque, modificato e ripostato, il tutto in un attimo.
Consiglio emettitore e ricevitore infrared
Moderatori:
carloc,
g.schgor,
BrunoValente,
IsidoroKZ
49 messaggi
• Pagina 3 di 5 • 1, 2, 3, 4, 5
0
voti
Ciao
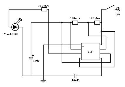
Ho segiuto il tuo consiglio e mi sono letto un po' sul ne555 ed ho provato a mettere giù questo schema.
Con un led colorato funziona (si vede che lampeggia) ma volevo santire un tuo consiglio.
Scusa se continuo a romperti le scatole.
Emettitore:
questo in fidocadj non sono riuscito a scrivere le parole lo allego se puo esserti utile.
Edit davidde: ti ho editato lo schema, prova a scaricarlo ed a capire come funziona il testo. Basta che (dopo aver selezionato lo strumento selezione) clicchi due volte su STRING e al suo posto scrivi quello che vuoi.
Ho segiuto il tuo consiglio e mi sono letto un po' sul ne555 ed ho provato a mettere giù questo schema.
Con un led colorato funziona (si vede che lampeggia) ma volevo santire un tuo consiglio.
Scusa se continuo a romperti le scatole.
Emettitore:
questo in fidocadj non sono riuscito a scrivere le parole lo allego se puo esserti utile.
Edit davidde: ti ho editato lo schema, prova a scaricarlo ed a capire come funziona il testo. Basta che (dopo aver selezionato lo strumento selezione) clicchi due volte su STRING e al suo posto scrivi quello che vuoi.
0
voti
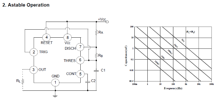
Ok, le connessioni mi sembrano corrette, ora devi lavorare sul valore dei componenti per portare la frequenza del lampeggio a 40kHz.
Fai riferimento allo schema qui sotto che trovi a pagina 4 di questo datasheet :
Io terrei i valori delle resistenze più alti e ridurrei notevolmente la capacità del condensatore che ora è da 47µF. Per quanto riguarda l' uscita (pin3) con una resistenza da 390ohm può andare ma l' intensità del fascio infrarosso prodotto dal led sarà irrisoria, la conseguenza è un' ulteriore riduzione di portata.
Fai riferimento allo schema qui sotto che trovi a pagina 4 di questo datasheet :
Io terrei i valori delle resistenze più alti e ridurrei notevolmente la capacità del condensatore che ora è da 47µF. Per quanto riguarda l' uscita (pin3) con una resistenza da 390ohm può andare ma l' intensità del fascio infrarosso prodotto dal led sarà irrisoria, la conseguenza è un' ulteriore riduzione di portata.
0
voti
Ciao ho provato a calcolare i componenti con un programmino e per avere la frequenza a 40 Hz devo mettere c1 a 47 uf, c2 10nF, r1 a 0 ohm, r2 a 380 ohm.Ssecondo te può funzionare?
0
voti
No, fai attenzione. Il ricevitore TSOP non va a 40Hz ma a 40kHz cioè 40000Hz ... Quando vai a 40kHz non ti devi aspettare di vedere il led lampeggiare. Il led lampeggia a una frequenza così alta che al tuo occhio sembrerà sempre acceso.
Inoltre con i software di calcolo non devi cercare la combinazione di componenti per cui risultino 40kHz esatti perché difficilmente ci riuscirai e poi, anche se dovessi riuscirci, ti servirebbero componenti speciali con tolleranze molto ristrette e quindi costosi. Devi invece cercare di capire quale sia a grandi linee il valore dei componenti da utilizzare e poi essere abile nel prevedere un trimmer di taratura. Come ti dicevo l' altra volta il TSOP è molto "pignolo" e se non sono 40kHz esatti non va.
Quando avrai montato trasmettitore e ricevitore per tarali dovrai metterle il led trasmettitore di fronte al TSOP e poi ruotare il trimmer fino a quando non vedrai il led accendersi. A quel punto il trasmettitore sarà tarato e potrai cominciare a fare le prove di portata.
Inoltre con i software di calcolo non devi cercare la combinazione di componenti per cui risultino 40kHz esatti perché difficilmente ci riuscirai e poi, anche se dovessi riuscirci, ti servirebbero componenti speciali con tolleranze molto ristrette e quindi costosi. Devi invece cercare di capire quale sia a grandi linee il valore dei componenti da utilizzare e poi essere abile nel prevedere un trimmer di taratura. Come ti dicevo l' altra volta il TSOP è molto "pignolo" e se non sono 40kHz esatti non va.
Quando avrai montato trasmettitore e ricevitore per tarali dovrai metterle il led trasmettitore di fronte al TSOP e poi ruotare il trimmer fino a quando non vedrai il led accendersi. A quel punto il trasmettitore sarà tarato e potrai cominciare a fare le prove di portata.
0
voti
Ciao volevo confermarti il funzionamento del ricevitore e sto ancora lavorando al emettitore.
In tanto ancora grazie per lo schema e la tua disponibilità.
In tanto ancora grazie per lo schema e la tua disponibilità.
0
voti
ciao
volevo aggiornarti sui miei fallimenti nel creare l'emettitore, ho provato a mettere un trimmer come mi hai detto te ma non sono neancora riuscito a farlo funzionare. Ti chiedo aiuto perché io non ce ne vengo a capo!!
grazie mille
volevo aggiornarti sui miei fallimenti nel creare l'emettitore, ho provato a mettere un trimmer come mi hai detto te ma non sono neancora riuscito a farlo funzionare. Ti chiedo aiuto perché io non ce ne vengo a capo!!
grazie mille
0
voti
Ciao,
io ti aiuto volentieri ma prima spiega tu una cosa a me, perché lo schema che ti ho proposto un paio di volte e che tra l' altro è già completo, continui a scartarlo? Cosa c' è che non ti piace?
Se non ti è chiaro possiamo discutere su quello tanto devi farne uno praticamente identico, non trovi?
P.S.
Non disperare, un fallimento è già un grande successo
io ti aiuto volentieri ma prima spiega tu una cosa a me, perché lo schema che ti ho proposto un paio di volte e che tra l' altro è già completo, continui a scartarlo? Cosa c' è che non ti piace?
Se non ti è chiaro possiamo discutere su quello tanto devi farne uno praticamente identico, non trovi?
P.S.
Non disperare, un fallimento è già un grande successo
0
voti
ciao
Io non ho scartato il tuo schema anzi lo ho provato varie volte ma è che non funziona con il ricevitore!!
Il mio problema è che non risco a trovare la frequenza giusta!
Io non ho scartato il tuo schema anzi lo ho provato varie volte ma è che non funziona con il ricevitore!!
Il mio problema è che non risco a trovare la frequenza giusta!
0
voti
Ma sei estremamente sicuro di averlo montato correttamente ?
Hai la possibilità con il tester di verificare la frequenza d' oscillazione ?
Riesci a fare una foto a fuoco del circuito in modo da vedere se non ci siano errori di montaggio ?
Nel caso in cui il circuito sia montato su millefori serve la fotografia di entrambi i lati.
Hai la possibilità con il tester di verificare la frequenza d' oscillazione ?
Riesci a fare una foto a fuoco del circuito in modo da vedere se non ci siano errori di montaggio ?
Nel caso in cui il circuito sia montato su millefori serve la fotografia di entrambi i lati.
49 messaggi
• Pagina 3 di 5 • 1, 2, 3, 4, 5
Chi c’è in linea
Visitano il forum: Nessuno e 56 ospiti

Elettrotecnica e non solo (admin)
Un gatto tra gli elettroni (IsidoroKZ)
Esperienza e simulazioni (g.schgor)
Moleskine di un idraulico (RenzoDF)
Il Blog di ElectroYou (webmaster)
Idee microcontrollate (TardoFreak)
PICcoli grandi PICMicro (Paolino)
Il blog elettrico di carloc (carloc)
DirtEYblooog (dirtydeeds)
Di tutto... un po' (jordan20)
AK47 (lillo)
Esperienze elettroniche (marco438)
Telecomunicazioni musicali (clavicordo)
Automazione ed Elettronica (gustavo)
Direttive per la sicurezza (ErnestoCappelletti)
EYnfo dall'Alaska (mir)
Apriamo il quadro! (attilio)
H7-25 (asdf)
Passione Elettrica (massimob)
Elettroni a spasso (guidob)
Bloguerra (guerra)


