La prossima volta ZIPPO e faccio un file solo...
eccolo
recinto per "ambrogio"
Moderatori:
carloc,
g.schgor,
BrunoValente,
IsidoroKZ
3
voti
Mah... le bobinette blu come usate sulla rivista non mi convincono molto... domani in laboratorio ne apro una per vedere come è realizzata ma mi sembra di ricordare dei piccoli tori.....
La bobina del relè probabilmente ha induttanza troppo elevata e non riesci a farla risuonare a 40 kHz... forse le capacità parassite sono già troppo...
A me verrebe voglia di provare quelle in figura 17.. quelle doppie probabilmente filtri in modo comune... hanno il nucleo E/I... con un martelletto cercherei di romperlo lasciando solo quello nella colonna centrale -un nucleo aumenta molto l'induzione- e poi collegherei in serie i due avvolgimenti -ma occhio alla fase altrimenti i contributi si annullano invece di sommarsi-
Magari gia che ci sei misura la corrente nel loop... metti una resistenza tipo 1 ohm in serie e misura la tensione ai capi...
Naturalmente -ma lo saprai già- devi anche orientare opportunamente loop e bobine...
La bobina del relè probabilmente ha induttanza troppo elevata e non riesci a farla risuonare a 40 kHz... forse le capacità parassite sono già troppo...
A me verrebe voglia di provare quelle in figura 17.. quelle doppie probabilmente filtri in modo comune... hanno il nucleo E/I... con un martelletto cercherei di romperlo lasciando solo quello nella colonna centrale -un nucleo aumenta molto l'induzione- e poi collegherei in serie i due avvolgimenti -ma occhio alla fase altrimenti i contributi si annullano invece di sommarsi-
Magari gia che ci sei misura la corrente nel loop... metti una resistenza tipo 1 ohm in serie e misura la tensione ai capi...
Naturalmente -ma lo saprai già- devi anche orientare opportunamente loop e bobine...
Se ti serve il valore di beta: hai sbagliato il progetto!
0
voti
Le bobinette blu le avevo già a perte io e non sembrano tori. Ma il classico nucleo con il rame avvolto intorno. Girovagando su altri forum ho letto che il loop si percepisce già a 6 metri di distanza!!! MA P.K$$%% zozza! impossibile che io non riesca nemmeno ad avvicinarmi ai 10cm???
Non riesco a capire quale della figura 17 ma credo tu parli di quella al centro della foto. Se quella come faccio a capire il senso? o meglio seguo il senso delle spire e le collego in serie? comunque posso sempre provare se non vedo niente in un senso vuol dire che la ho ponteggiato quella sbagliata.
Stasera misuro la corrente nel loop. Su uno dei vari esperimenti ho dovuto aumentare la resistenza in W e in ohm perché si erano tutte cotte! Se non ricordo male arrivavo a 400mA. Ma non c'èera solo il 555 c'era anche l'uln2803
Le bobine nel robottino dovrebbero essere 3 e tutte sfasate di 45° perché se attraverso il filo in modo perpendicolare potrei anche non vederlo... così mi assicuro che anche se lo intercetto dove c'è un angolo di 90° lo becco con una delle 3!
Grazie ancora a tutti per l'aiuto
Non riesco a capire quale della figura 17 ma credo tu parli di quella al centro della foto. Se quella come faccio a capire il senso? o meglio seguo il senso delle spire e le collego in serie? comunque posso sempre provare se non vedo niente in un senso vuol dire che la ho ponteggiato quella sbagliata.
Stasera misuro la corrente nel loop. Su uno dei vari esperimenti ho dovuto aumentare la resistenza in W e in ohm perché si erano tutte cotte! Se non ricordo male arrivavo a 400mA. Ma non c'èera solo il 555 c'era anche l'uln2803
Le bobine nel robottino dovrebbero essere 3 e tutte sfasate di 45° perché se attraverso il filo in modo perpendicolare potrei anche non vederlo... così mi assicuro che anche se lo intercetto dove c'è un angolo di 90° lo becco con una delle 3!
Grazie ancora a tutti per l'aiuto
0
voti
Ho fatto qualche prova! ed ho ottenuto questo...
con queste bobine... (non so il valore ma il condensatore è da 2,2nF) e mi sembrano in risonanza...
sono a circa 4 cm dal filo, se mi sposto il segnale varia di ampiezza. Non so se si vede ma ho circa 0,2Vpp.
Adesso viene il bello... come faccio a tirare fuori una tensione continua diciamo da 0 a 5V? diciamo che questo segnale (quindi 0,2Vpp) è la minima distanza alla quale mi potrò mai trovare. Quindi qui dovrei avere 5Vcc.
Chi mi da una dritta???
Grazie in anticipo
con queste bobine... (non so il valore ma il condensatore è da 2,2nF) e mi sembrano in risonanza...
sono a circa 4 cm dal filo, se mi sposto il segnale varia di ampiezza. Non so se si vede ma ho circa 0,2Vpp.
Adesso viene il bello... come faccio a tirare fuori una tensione continua diciamo da 0 a 5V? diciamo che questo segnale (quindi 0,2Vpp) è la minima distanza alla quale mi potrò mai trovare. Quindi qui dovrei avere 5Vcc.
Chi mi da una dritta???
Grazie in anticipo

1
voti
Ho già consigliato LM358, doppio amplificatore operazionale,
che potrebbe essere utilizzato come raddrizzatore-amplificatore
-filtro (primo stadio) e come comparatore (secondo stadio).
Puoi vedere il datasheet e gli altri riferimenti su google.
Se non riesci a trovare uno schema, posso preparartelo
(però quando ho tempo).
che potrebbe essere utilizzato come raddrizzatore-amplificatore
-filtro (primo stadio) e come comparatore (secondo stadio).
Puoi vedere il datasheet e gli altri riferimenti su google.
Se non riesci a trovare uno schema, posso preparartelo
(però quando ho tempo).
0
voti
Grazie, il problema è che di schemi ne ho provati... ma non sono mai riuscito a farli funzionare!
Per questo chiedo aiuto. perché ho aperto il datasheet di lm358 e altri operazionali, ho copiato e rifatto alcuni schemi seguendo quello che dicono sul circuito ma i risultati sono i più disparati.
Resistenza di ingresso troppo bassa, forse, quindi quella bella sinusoide che vedo, la perdo appena ci attacco qualche cosa. Se riesco ad alzare la Ri mi vengono dentro un sacco di porcherie...
Uno dei primi circuiti di questa discussione è stato commentato da carloc
Ed è proprio li che io non riesco a risolvere. Voi solo guardando la configurazione lo capite. Per me configurazione invertente o non, a parte una Vref, è tutto uguale!
TIA
Per questo chiedo aiuto. perché ho aperto il datasheet di lm358 e altri operazionali, ho copiato e rifatto alcuni schemi seguendo quello che dicono sul circuito ma i risultati sono i più disparati.
Resistenza di ingresso troppo bassa, forse, quindi quella bella sinusoide che vedo, la perdo appena ci attacco qualche cosa. Se riesco ad alzare la Ri mi vengono dentro un sacco di porcherie...
Uno dei primi circuiti di questa discussione è stato commentato da carloc
Gli amplificatori che hai postato... mi sembra ci siano problemi sulle polarizzazioni di alcuni stadi... non amplificano
Ed è proprio li che io non riesco a risolvere. Voi solo guardando la configurazione lo capite. Per me configurazione invertente o non, a parte una Vref, è tutto uguale!
TIA

1
voti
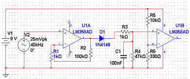
Ecco un possibile schema.
Simulato in Multisim presenta una soglia di 25mV.
(ovviamente va messo a punto per il tuo segnale,
ad es. mettendo un potenziometro al posto di R6
per variare la soglia)
Simulato in Multisim presenta una soglia di 25mV.
(ovviamente va messo a punto per il tuo segnale,
ad es. mettendo un potenziometro al posto di R6
per variare la soglia)
0
voti
Ottimo, fatto oggi in pausa pranzo! Funziona! ho messo una resistenza da 10k e un condensatore elettrolitico in uscita per evitare di vedere on/off continui in prossimità del loop. Sembra funzionare...
Realizzo lo stampato, faccio qualche test e poi posto le foto...
però... c'è sempre un PERO'!!!
io sono gnurant ma... so che chiedo troppo ma... perché?
Io adesso vorrei capire. Vi assicuro che di prove ne ho fatte... e tante! provato vari circuiti, provato dalle cose più semplici alle più complesse... e non sono mai arrivato a niente! Quindi:
- perché in configurazione non invertente?
- perché c'è un cond. C1? a che serve?
- che "formule" si usano per fare queste cose?
una risposta potrebbe essere: STUDIA GLI OP.AMP.
vero, ma non li ho mai capiti. Per me sono delle scatolette fantastiche ma a parte il comparatore non so fare altro!
Grazie ancora per l'aiuto!
Realizzo lo stampato, faccio qualche test e poi posto le foto...
però... c'è sempre un PERO'!!!
io sono gnurant ma... so che chiedo troppo ma... perché?Io adesso vorrei capire. Vi assicuro che di prove ne ho fatte... e tante! provato vari circuiti, provato dalle cose più semplici alle più complesse... e non sono mai arrivato a niente! Quindi:
- perché in configurazione non invertente?
- perché c'è un cond. C1? a che serve?
- che "formule" si usano per fare queste cose?
una risposta potrebbe essere: STUDIA GLI OP.AMP.
vero, ma non li ho mai capiti. Per me sono delle scatolette fantastiche ma a parte il comparatore non so fare altro!
Grazie ancora per l'aiuto!
0
voti
Per evitare gli on/off forse si potrebbe provare con un po' di isteresi sul comparatore, aumentando eventualmente di un pochino la soglia, anche se la cosa potrebbe essere difficoltosa a causa del rivelatore che non e` lineare.
Metterei un operazionale un po' piu` veloce, il 358, specie a 5V, non riesce ad amplificare bene una frequenza di 40kHz, e anche come slew rate siamo al limite. Alle volte si trovano operazionali che vanno decisamente meglio di quanto dicono i data sheet, perche' quelli vecchi non li fanno piu`, e marchiano con il nome vecchio operazionali piu` moderni che rispettano, superandole di molto, tutte le specifiche dei vecchi operazionali.
Riesci a misurare con l'oscilloscopio l'ampiezza del segnale di ingresso e di uscita del primo operazionale?
Giovanni, il simulatore ti da` un guadagno di 101 volta per il primo stadio?
Metterei un operazionale un po' piu` veloce, il 358, specie a 5V, non riesce ad amplificare bene una frequenza di 40kHz, e anche come slew rate siamo al limite. Alle volte si trovano operazionali che vanno decisamente meglio di quanto dicono i data sheet, perche' quelli vecchi non li fanno piu`, e marchiano con il nome vecchio operazionali piu` moderni che rispettano, superandole di molto, tutte le specifiche dei vecchi operazionali.
Riesci a misurare con l'oscilloscopio l'ampiezza del segnale di ingresso e di uscita del primo operazionale?
Giovanni, il simulatore ti da` un guadagno di 101 volta per il primo stadio?
Per usare proficuamente un simulatore, bisogna sapere molta più elettronica di lui
Plug it in - it works better!
Il 555 sta all'elettronica come Arduino all'informatica! (entrambi loro malgrado)
Se volete risposte rispondete a tutte le mie domande
Plug it in - it works better!
Il 555 sta all'elettronica come Arduino all'informatica! (entrambi loro malgrado)
Se volete risposte rispondete a tutte le mie domande
1
voti
(risp. IsidoroKZ)
Si, posso riportare la simulazione e mi meraviglia
la instabilità dell'uscita perché l'azione del filtro
sembra molto netta (a meno che sia il segnale
che va e viene!)
(risp. teo12)
Non va bene un filtro "dopo" il comparatore
(se mai aumenta quello sul segnale, cioè C1).
Chiedi perché "non-invertente"? Perché c'è solo
l'alimentazione positiva (+9V).
Per lo studio degli operazionali: ..non è mai
troppo tardi (se vuoi posso darti una mano).
Si, posso riportare la simulazione e mi meraviglia
la instabilità dell'uscita perché l'azione del filtro
sembra molto netta (a meno che sia il segnale
che va e viene!)
(risp. teo12)
Non va bene un filtro "dopo" il comparatore
(se mai aumenta quello sul segnale, cioè C1).
Chiedi perché "non-invertente"? Perché c'è solo
l'alimentazione positiva (+9V).
Per lo studio degli operazionali: ..non è mai
troppo tardi (se vuoi posso darti una mano).
Chi c’è in linea
Visitano il forum: Nessuno e 146 ospiti

Elettrotecnica e non solo (admin)
Un gatto tra gli elettroni (IsidoroKZ)
Esperienza e simulazioni (g.schgor)
Moleskine di un idraulico (RenzoDF)
Il Blog di ElectroYou (webmaster)
Idee microcontrollate (TardoFreak)
PICcoli grandi PICMicro (Paolino)
Il blog elettrico di carloc (carloc)
DirtEYblooog (dirtydeeds)
Di tutto... un po' (jordan20)
AK47 (lillo)
Esperienze elettroniche (marco438)
Telecomunicazioni musicali (clavicordo)
Automazione ed Elettronica (gustavo)
Direttive per la sicurezza (ErnestoCappelletti)
EYnfo dall'Alaska (mir)
Apriamo il quadro! (attilio)
H7-25 (asdf)
Passione Elettrica (massimob)
Elettroni a spasso (guidob)
Bloguerra (guerra)





