Non ho scritto il tempo perché lo voglio appunto regolabile! Ora non saprei più o meno quanto veloce/lento mi servirebbe
I led assorbono 20mA l'uno...
Accendere e spegnere gradualmente dei led con un oscillatore
Moderatori:
carloc,
g.schgor,
BrunoValente,
IsidoroKZ
20 messaggi
• Pagina 2 di 2 • 1, 2
0
voti
Avevo dimenticato due domande: quanti led hai, quanta tensione richiedono ciascuno e che tensione di alimentazione hai a disposizione?
Forse qualcosa si puo` fare, con un po' di resistenze, un condensatore e un transistor/darlington.
Forse qualcosa si puo` fare, con un po' di resistenze, un condensatore e un transistor/darlington.
Per usare proficuamente un simulatore, bisogna sapere molta più elettronica di lui
Plug it in - it works better!
Il 555 sta all'elettronica come Arduino all'informatica! (entrambi loro malgrado)
Se volete risposte rispondete a tutte le mie domande
Plug it in - it works better!
Il 555 sta all'elettronica come Arduino all'informatica! (entrambi loro malgrado)
Se volete risposte rispondete a tutte le mie domande
0
voti
Spiegazione dell'ultimo schema postato? Dovrei spendere molto per quello? Che risultato mi da?
Devo alimentare un pannello da 77 led a 12 volt...
Ringrazio già tutti per la collaborazione
Devo alimentare un pannello da 77 led a 12 volt...
Ringrazio già tutti per la collaborazione
0
voti
Tensione di ogni led (in pratica di che colore sono)? Adesso come fai ad accendere e spegnere non gradualmente i 77 led?
Per usare proficuamente un simulatore, bisogna sapere molta più elettronica di lui
Plug it in - it works better!
Il 555 sta all'elettronica come Arduino all'informatica! (entrambi loro malgrado)
Se volete risposte rispondete a tutte le mie domande
Plug it in - it works better!
Il 555 sta all'elettronica come Arduino all'informatica! (entrambi loro malgrado)
Se volete risposte rispondete a tutte le mie domande
0
voti
La soluzione di Candy e migliore di quella che avevo in mente (generatore di corrente controllato), vai con quella!
Per usare proficuamente un simulatore, bisogna sapere molta più elettronica di lui
Plug it in - it works better!
Il 555 sta all'elettronica come Arduino all'informatica! (entrambi loro malgrado)
Se volete risposte rispondete a tutte le mie domande
Plug it in - it works better!
Il 555 sta all'elettronica come Arduino all'informatica! (entrambi loro malgrado)
Se volete risposte rispondete a tutte le mie domande
0
voti
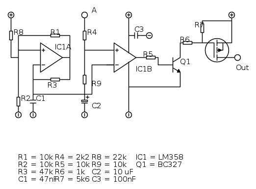
Ringrazio candy per la utile configurazione, ma avrei bisogno di più spiegazioni: la prima è in assoluto il perché della divisione dell'integrato in due parti differenti... 

0
voti
Uno schema elettrico/elettronico è utile se è leggibile. La leggibilità è anche data dal rispetto della simbologia e dalla rappresentazione fatta in un certo modo.
La divisione di un componente, che fisicamente ha un corpo indivisibile, in più parti grafiche, facilita, oltre che la fase di esecuzione grafica dello schema, la successiva lettura ed interpretazione.
La divisione di un componente, che fisicamente ha un corpo indivisibile, in più parti grafiche, facilita, oltre che la fase di esecuzione grafica dello schema, la successiva lettura ed interpretazione.
-

Candy
32,5k 7 10 13 - CRU - Account cancellato su Richiesta utente
- Messaggi: 10123
- Iscritto il: 14 giu 2010, 22:54
20 messaggi
• Pagina 2 di 2 • 1, 2
Chi c’è in linea
Visitano il forum: Nessuno e 486 ospiti

Elettrotecnica e non solo (admin)
Un gatto tra gli elettroni (IsidoroKZ)
Esperienza e simulazioni (g.schgor)
Moleskine di un idraulico (RenzoDF)
Il Blog di ElectroYou (webmaster)
Idee microcontrollate (TardoFreak)
PICcoli grandi PICMicro (Paolino)
Il blog elettrico di carloc (carloc)
DirtEYblooog (dirtydeeds)
Di tutto... un po' (jordan20)
AK47 (lillo)
Esperienze elettroniche (marco438)
Telecomunicazioni musicali (clavicordo)
Automazione ed Elettronica (gustavo)
Direttive per la sicurezza (ErnestoCappelletti)
EYnfo dall'Alaska (mir)
Apriamo il quadro! (attilio)
H7-25 (asdf)
Passione Elettrica (massimob)
Elettroni a spasso (guidob)
Bloguerra (guerra)


