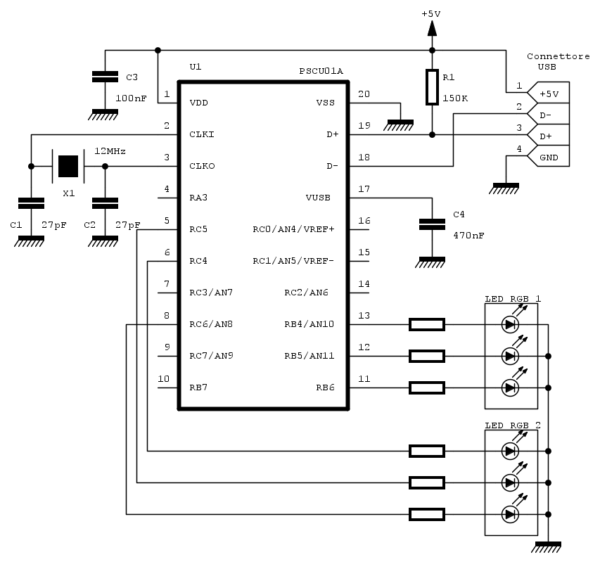
No, quello e' lo schema per controllarne 34 ed avere la possibilita' di collegarci molta altra roba. E' un' espansione del circuito.
Per pilotare 2 LED RGB bastano 6 pin del PSCU01A e magari la circuiteria di potenza se necessaria.
Tu cosa vuoi pilotare? Due LEDdini del pettine o 2 faretti RGB?
controllo led rgb trammite PC...
Moderatori:
carloc,
g.schgor,
BrunoValente,
IsidoroKZ
15 messaggi
• Pagina 2 di 2 • 1, 2
0
voti
"La follia sta nel fare sempre la stessa cosa aspettandosi risultati diversi".
"Parla soltanto quando sei sicuro che quello che dirai è più bello del silenzio".
Rispondere è cortesia, ma lasciare l'ultima parola ai cretini è arte.
"Parla soltanto quando sei sicuro che quello che dirai è più bello del silenzio".
Rispondere è cortesia, ma lasciare l'ultima parola ai cretini è arte.
-

TardoFreak
73,9k 8 12 13 - -EY Legend-

- Messaggi: 15754
- Iscritto il: 16 dic 2009, 11:10
- Località: Torino - 3° pianeta del Sistema Solare
0
voti
io vorrei controllare 1 o 2 led rgb trammite PC quale schema devo fare una cosa semplice::::... tu cosa mi consigli perche nel sito che mi a dato g.shcgor ci sono tanti schemi e io non capisco cosa fare::.
-

matto12345
0 3 - New entry

- Messaggi: 51
- Iscritto il: 2 mag 2011, 18:47
0
voti
Questa potrebbe essere una soluzione.
Viene collegato al PC tramite la USB e si comanda come una linea seriale. Ci sono esempi di programmi realizzati in java. E' chiaro che un pochino di lavoro va sempre fatto ma questo mi pare che sia una delle soluzioni piu' semplici.
Oppure potresti utilizzare, come già ti è stato suggerito, La porta parallela del PC se sai come fare.
Viene collegato al PC tramite la USB e si comanda come una linea seriale. Ci sono esempi di programmi realizzati in java. E' chiaro che un pochino di lavoro va sempre fatto ma questo mi pare che sia una delle soluzioni piu' semplici.
Oppure potresti utilizzare, come già ti è stato suggerito, La porta parallela del PC se sai come fare.
"La follia sta nel fare sempre la stessa cosa aspettandosi risultati diversi".
"Parla soltanto quando sei sicuro che quello che dirai è più bello del silenzio".
Rispondere è cortesia, ma lasciare l'ultima parola ai cretini è arte.
"Parla soltanto quando sei sicuro che quello che dirai è più bello del silenzio".
Rispondere è cortesia, ma lasciare l'ultima parola ai cretini è arte.
-

TardoFreak
73,9k 8 12 13 - -EY Legend-

- Messaggi: 15754
- Iscritto il: 16 dic 2009, 11:10
- Località: Torino - 3° pianeta del Sistema Solare
0
voti
grazie mille no non so usare la porta parallela del PC è più semplice da usare vorrei provare....
-

matto12345
0 3 - New entry

- Messaggi: 51
- Iscritto il: 2 mag 2011, 18:47
0
voti
Con la scheda citata in questo articolo,
è possibile comandare direttamente un LED RGB.
Se vuoi provare, ti posso inviare il programma in JAVA
(poi puoi sviluppare tu un'apposita scheda per estendere
il controllo a più LED.
è possibile comandare direttamente un LED RGB.
Se vuoi provare, ti posso inviare il programma in JAVA
(poi puoi sviluppare tu un'apposita scheda per estendere
il controllo a più LED.
15 messaggi
• Pagina 2 di 2 • 1, 2
Chi c’è in linea
Visitano il forum: Nessuno e 159 ospiti

Elettrotecnica e non solo (admin)
Un gatto tra gli elettroni (IsidoroKZ)
Esperienza e simulazioni (g.schgor)
Moleskine di un idraulico (RenzoDF)
Il Blog di ElectroYou (webmaster)
Idee microcontrollate (TardoFreak)
PICcoli grandi PICMicro (Paolino)
Il blog elettrico di carloc (carloc)
DirtEYblooog (dirtydeeds)
Di tutto... un po' (jordan20)
AK47 (lillo)
Esperienze elettroniche (marco438)
Telecomunicazioni musicali (clavicordo)
Automazione ed Elettronica (gustavo)
Direttive per la sicurezza (ErnestoCappelletti)
EYnfo dall'Alaska (mir)
Apriamo il quadro! (attilio)
H7-25 (asdf)
Passione Elettrica (massimob)
Elettroni a spasso (guidob)
Bloguerra (guerra)
