Anche la rete che fa l'isteresi deve essere cambiata, ma prima serve sapere che NTC trovi. Non hai detto come la monti, di che cosa misuri la temperatura (la risposta "misuro la temperatura dell'incubatrice" non va bene
Termostato incubatrice
Moderatori:
carloc,
g.schgor,
BrunoValente,
IsidoroKZ
0
voti
Si`, in generale la resistenza in serie all'ntc e` opportuno che sia dello stesso valore circa che ha l'ntc alla temperatura a cui deve funzionare.
Anche la rete che fa l'isteresi deve essere cambiata, ma prima serve sapere che NTC trovi. Non hai detto come la monti, di che cosa misuri la temperatura (la risposta "misuro la temperatura dell'incubatrice" non va bene
)
Anche la rete che fa l'isteresi deve essere cambiata, ma prima serve sapere che NTC trovi. Non hai detto come la monti, di che cosa misuri la temperatura (la risposta "misuro la temperatura dell'incubatrice" non va bene
Per usare proficuamente un simulatore, bisogna sapere molta più elettronica di lui
Plug it in - it works better!
Il 555 sta all'elettronica come Arduino all'informatica! (entrambi loro malgrado)
Se volete risposte rispondete a tutte le mie domande
Plug it in - it works better!
Il 555 sta all'elettronica come Arduino all'informatica! (entrambi loro malgrado)
Se volete risposte rispondete a tutte le mie domande
0
voti
L' ntc dovrebbe raggiungere l'interno dell’incubatrice mediante dei fili (rame stagnato diametro meno di 1mm) non più lunghi di 20cm e dovrebbe misurare la temperatura dell’aria. Il foro di entrata per il sensore è dotato alla base di un supporto in plastica che dà la possibilità sia di agganciare e far sporgere l'ntc (sistema originale) sia di attaccarlo alla parete magari incollandoci prima una lamina metallica.
Purtroppo non sono riuscito a trovare una ntc con un valore superiore a 3.3k. Il rivenditore (più fornito) mi ha detto che qualcuna di valore superiore potrò trovarla tra non meno di 15-20 giorni quindi per adesso (se l' auto-riscaldamento lo permette) credo sia meglio usare il termistore da 3.3k e porlo a contatto con una lamina metallica. Avvolgerò i "piedi" dell' ntc con del materiale isolante per evitare eventuali dispersioni o cortocircuiti dovuti all' umidità.
Le caratteristiche dell' ntc da 3.3k che mi hanno fornito sono:
Dissipazione: 0,5 w ; Temp. lav.: -40°c÷+180°c ; Fatt. diss.: 9,5mw/dec c ; Dielettrico: 100 v ; Resist. isol.: 100 mohm ; Tolleranza: 10% e nient' altro.
La stessa ( IDENTICA) pagina del catalogo da cui hanno preso le informazioni si trova qui:
http://www.jcecom.it/Catalogo/D/DF/DF-TERMISTORI.pdf
Da mia misurazione la resistenza dell’ntc a 37.8° dovrebbe essere di 1.9k circa (24° 3.7k) ma questo risultato è da prendere con le molle in quanto nutro dubbi sulla precisione dei termometri che ho usato (digitale febbre per 37.8° e termometro acquario per 24°). Ho provato anche una ntc da lavatrice (incapsulata) nella speranza che fosse molto più grande ma i risultati sono 24°- 4k , 37.8°- 3k circa.
l'intero circuito lo monterò su una scheda millefori cercando di ridurre al minimo indispensabile il numero di saldature e di fili di collegamento(per non scaldare l'ic ho già preso uno zoccolo). Per quanto riguarda l'alimentazione avevo già scritto del 12v 2.5a adesso però sono alla ricerca di un alimentatore diverso da quello (lo uso per vari scopi) ad esempio caricabatterie tipo quelli del telefono ma da 12v e un pensierino l'ho fatto ad un alimentatore da PC (atx pl-400 230v50Hz +3v 22a max, +5v 40a 250w, +12v 18a, -5v 0.5a, -12v0.8a, +5vsb 2.5a)ma mi sa che non va bene. Spero di aver scritto ciò che serviva.
Purtroppo non sono riuscito a trovare una ntc con un valore superiore a 3.3k. Il rivenditore (più fornito) mi ha detto che qualcuna di valore superiore potrò trovarla tra non meno di 15-20 giorni quindi per adesso (se l' auto-riscaldamento lo permette) credo sia meglio usare il termistore da 3.3k e porlo a contatto con una lamina metallica. Avvolgerò i "piedi" dell' ntc con del materiale isolante per evitare eventuali dispersioni o cortocircuiti dovuti all' umidità.
Le caratteristiche dell' ntc da 3.3k che mi hanno fornito sono:
Dissipazione: 0,5 w ; Temp. lav.: -40°c÷+180°c ; Fatt. diss.: 9,5mw/dec c ; Dielettrico: 100 v ; Resist. isol.: 100 mohm ; Tolleranza: 10% e nient' altro.
La stessa ( IDENTICA) pagina del catalogo da cui hanno preso le informazioni si trova qui:
http://www.jcecom.it/Catalogo/D/DF/DF-TERMISTORI.pdf
Da mia misurazione la resistenza dell’ntc a 37.8° dovrebbe essere di 1.9k circa (24° 3.7k) ma questo risultato è da prendere con le molle in quanto nutro dubbi sulla precisione dei termometri che ho usato (digitale febbre per 37.8° e termometro acquario per 24°). Ho provato anche una ntc da lavatrice (incapsulata) nella speranza che fosse molto più grande ma i risultati sono 24°- 4k , 37.8°- 3k circa.
l'intero circuito lo monterò su una scheda millefori cercando di ridurre al minimo indispensabile il numero di saldature e di fili di collegamento(per non scaldare l'ic ho già preso uno zoccolo). Per quanto riguarda l'alimentazione avevo già scritto del 12v 2.5a adesso però sono alla ricerca di un alimentatore diverso da quello (lo uso per vari scopi) ad esempio caricabatterie tipo quelli del telefono ma da 12v e un pensierino l'ho fatto ad un alimentatore da PC (atx pl-400 230v50Hz +3v 22a max, +5v 40a 250w, +12v 18a, -5v 0.5a, -12v0.8a, +5vsb 2.5a)ma mi sa che non va bene. Spero di aver scritto ciò che serviva.
-

salvatorefresc
0 3 - Messaggi: 12
- Iscritto il: 1 giu 2011, 16:24
0
voti
"La follia sta nel fare sempre la stessa cosa aspettandosi risultati diversi".
"Parla soltanto quando sei sicuro che quello che dirai è più bello del silenzio".
Rispondere è cortesia, ma lasciare l'ultima parola ai cretini è arte.
"Parla soltanto quando sei sicuro che quello che dirai è più bello del silenzio".
Rispondere è cortesia, ma lasciare l'ultima parola ai cretini è arte.
-

TardoFreak
73,9k 8 12 13 - -EY Legend-

- Messaggi: 15754
- Iscritto il: 16 dic 2009, 11:10
- Località: Torino - 3° pianeta del Sistema Solare
0
voti
Un LM35 va altrettanto bene, in ogni caso bisogna fare una calibrazione perche' LM35D ha tolleranze troppo grandi rispetto alle richieste.
Il vantaggio dell'ntc e` che ha una variazione di resistenza "grande" dell'ordine, a queste temperature, del 4%/K. Quando e` messa in partizione con una resistenza uguale, la variazione della tensione di uscita e` del 2%/K, che vuol dire 120mV/K rispetto ai 10mV/K dell'LM35, meno effetti del rumore, offset non cosi` importanti...
Sono andato sull'NTC perche' salvatorefresc aveva chiesto di farlo con un ntc.
Vediamo allora che cosa fare. L'ntc da sola, in aria calma, si scalda di 2 gradi in piu` rispetto all'aria. Con il confronto con un termometro si puo` mettere a posto la cosa. Se c'e` circolazione di aria nell'incubatrice (ad esempio una ventola) questo autoriscaldamento e` molto piu` piccolo, mettendo l'ntc nel passaggio dell'aria si dovrebbe essere quasi a posto. Se si mette una aletta metallica sull'ntc, messa in aria, le cose vanno ancora meglio, anche se con la ventola probabilmente l'aletta non serve. Invece non la fisserei a una parete.
Dovresti descrivere come e` fatta l'incubatrice, non ne ho mai viste.
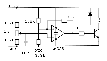
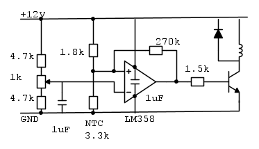
Il circuito e` quello che aveva fatto g.schgor, con i valori calcolati per l'ntc da 3.3kohm:
Spero di non aver sbagliato troppo i conti, il campo di regolazione dovrebbe essere dalle parti di 34C-45C l'ho tenuto un po' spostato verso l'alto perche' non so esattamente quanto sia l'autoriscaldamento. Una volta montata si misureranno i valori corretti e si puo` stringere il campo.
L'oscillazione di temperatura e` di circa 0.3 gradi. Guarda quanto spesso attacca e stacca il rele`, eventualmente si puo` modificare. Se c'e` una ventola, il rele` dovrebbe staccare solo la resistenza, lasciando sempre la ventola accesa.
Il condensatore disegnato dentro all'integrato e` solo montato vicino all'integrato, non mi stava il simbolo fuori!
Il vantaggio dell'ntc e` che ha una variazione di resistenza "grande" dell'ordine, a queste temperature, del 4%/K. Quando e` messa in partizione con una resistenza uguale, la variazione della tensione di uscita e` del 2%/K, che vuol dire 120mV/K rispetto ai 10mV/K dell'LM35, meno effetti del rumore, offset non cosi` importanti...
Sono andato sull'NTC perche' salvatorefresc aveva chiesto di farlo con un ntc.
Vediamo allora che cosa fare. L'ntc da sola, in aria calma, si scalda di 2 gradi in piu` rispetto all'aria. Con il confronto con un termometro si puo` mettere a posto la cosa. Se c'e` circolazione di aria nell'incubatrice (ad esempio una ventola) questo autoriscaldamento e` molto piu` piccolo, mettendo l'ntc nel passaggio dell'aria si dovrebbe essere quasi a posto. Se si mette una aletta metallica sull'ntc, messa in aria, le cose vanno ancora meglio, anche se con la ventola probabilmente l'aletta non serve. Invece non la fisserei a una parete.
Dovresti descrivere come e` fatta l'incubatrice, non ne ho mai viste.
Il circuito e` quello che aveva fatto g.schgor, con i valori calcolati per l'ntc da 3.3kohm:
Spero di non aver sbagliato troppo i conti, il campo di regolazione dovrebbe essere dalle parti di 34C-45C l'ho tenuto un po' spostato verso l'alto perche' non so esattamente quanto sia l'autoriscaldamento. Una volta montata si misureranno i valori corretti e si puo` stringere il campo.
L'oscillazione di temperatura e` di circa 0.3 gradi. Guarda quanto spesso attacca e stacca il rele`, eventualmente si puo` modificare. Se c'e` una ventola, il rele` dovrebbe staccare solo la resistenza, lasciando sempre la ventola accesa.
Il condensatore disegnato dentro all'integrato e` solo montato vicino all'integrato, non mi stava il simbolo fuori!
Per usare proficuamente un simulatore, bisogna sapere molta più elettronica di lui
Plug it in - it works better!
Il 555 sta all'elettronica come Arduino all'informatica! (entrambi loro malgrado)
Se volete risposte rispondete a tutte le mie domande
Plug it in - it works better!
Il 555 sta all'elettronica come Arduino all'informatica! (entrambi loro malgrado)
Se volete risposte rispondete a tutte le mie domande
0
voti
ciao a tutti.
(non ho trovato lo pazio per le presentazioni).
comunque se posso dire la mia in merito all'argomento, mi sembra eccessivo l'uso di un sensore con precisione da 0.5°C per poi controllare un relè.
io anni fa feci un paio di circuiti per incubatrice, ed usai un operazionale, andando però ad ottenere una parzializzazione controllata dal termistore,
in questo modo non ho mai una potenza impulsiva ma un valore medio costante.
mi sembra indispensabile in quanto la temperatura non doveva muoversi per più di un grado.
chi usava l'incubatrice rimase soddisfatto, i pulcini nati erano molti e quasi tutti sani.
(non ho trovato lo pazio per le presentazioni).
comunque se posso dire la mia in merito all'argomento, mi sembra eccessivo l'uso di un sensore con precisione da 0.5°C per poi controllare un relè.
io anni fa feci un paio di circuiti per incubatrice, ed usai un operazionale, andando però ad ottenere una parzializzazione controllata dal termistore,
in questo modo non ho mai una potenza impulsiva ma un valore medio costante.
mi sembra indispensabile in quanto la temperatura non doveva muoversi per più di un grado.
chi usava l'incubatrice rimase soddisfatto, i pulcini nati erano molti e quasi tutti sani.
-

lelerelele
4.899 3 7 9 - Master

- Messaggi: 5505
- Iscritto il: 8 giu 2011, 8:57
- Località: Reggio Emilia
0
voti
In effetti controllare in modo proporzionale la potenza erogata e` una ottima soluzione, ma se il "cliente" chiede un ntc e rele` lo si accontenta :)
Per fare un controllo analogico con un PI almeno bisogna sapere la funzione di trasferimento termica, come avevi fatto per ricavarla?
Per fare un controllo analogico con un PI almeno bisogna sapere la funzione di trasferimento termica, come avevi fatto per ricavarla?
Per usare proficuamente un simulatore, bisogna sapere molta più elettronica di lui
Plug it in - it works better!
Il 555 sta all'elettronica come Arduino all'informatica! (entrambi loro malgrado)
Se volete risposte rispondete a tutte le mie domande
Plug it in - it works better!
Il 555 sta all'elettronica come Arduino all'informatica! (entrambi loro malgrado)
Se volete risposte rispondete a tutte le mie domande
0
voti
non capico cosa vuoi dire.
avevo messo un trimmer di taratura sul circuito,
c'erano due led, uno che segnalava la massima potenza, l'altro il valore della potenza parzializzata che calava di luminosità fino a zero,
tarando il trimmer fino a quando il suo termometro interno al mercurio non arrivava in temperatura,
mi pare dicesse che era ben difficile che ci fosse da muovere il trimmer se non quando c'erano condizioni climatiche molto avverse.
avevo messo un trimmer di taratura sul circuito,
c'erano due led, uno che segnalava la massima potenza, l'altro il valore della potenza parzializzata che calava di luminosità fino a zero,
tarando il trimmer fino a quando il suo termometro interno al mercurio non arrivava in temperatura,
mi pare dicesse che era ben difficile che ci fosse da muovere il trimmer se non quando c'erano condizioni climatiche molto avverse.
-

lelerelele
4.899 3 7 9 - Master

- Messaggi: 5505
- Iscritto il: 8 giu 2011, 8:57
- Località: Reggio Emilia
0
voti
Il mo obbiettivo era quello di cimentarmi nella costruzione di un circuito elettronico per imparare qualcosa di nuovo e per evitare contemporaneamente di spendere molto per l’ acquisto di un termostato di precisione per incubatrici. La scelta dell’ntc anzichè di un lm35 o di altro sistema con o senza relè è semplicemente dettata dal progetto di termostato (apparentemente molto semplice) che avevo trovato su internet (link nel primo post ). Grazie agli interventi di g.schgor e di IsidoroKZ il progetto originale ha subito numerosi miglioramenti.
Tornando al nuovo circuito la nuova serie RA-POT-RB e la presenza di 2 condensatori comincia a farmi pensare che non sarò in grado ne di controllarlo ne di realizzarlo. In effetti la qualifica di “cliente” per uno che con il susseguirsi degli interventi è diventato sempre più consapevole di non capir nulla di elettronica mi sembra già un passo avanti. Nel circuito precedente “il campo di regolazione della temperatura, per una ntc generica da 3.3kohm è di circa 30 gradi”, il che se da un lato rende complicata ma non impossibile la taratura dall’ altro consente un utilizzo anche a temperature più basse (molto utile). Comprare qualche altro componente non sarà un grosso problema però preciso che preso dall’euforia mi sono già procurato le resistenze da 3.3K sia ½ w che ¼w ; da 4.7k ¼w ; da 10k ¼w ; da 27k ¼ w ; la RV da 10k ; lm358 ; relè NPR-13-c-12d-h e il circuito precedente data la mia situazione mi sebrava più fattibile. L’incubatrice che ho è molto simile a questa http://www.subito.it/animali/incubatric ... 131766.htm anche se nella mia , interruttore, prese e scheda termostato sono posizionati lateralmente . In sostanza l’ incubatrice non è altro che una scatola termica con una resistenza posta in alto insieme a una ventola che distribuisce uniformemente il calore . Al centro una cesta mobile, (con o senza divisori) dove posizionare le uova, mossa manualmente o mediante motore girauova. In basso il contenitore dell’acqua per assicurare una certa umidità dell’aria. Le misure variano a seconda del numero di uova che possono contenere. I sistemi per girare le uova sono vari; Si va dal semplice cesto che alzandosi prima da una parte e poi dall’altra fa rotolare in modo confuso le uova a sistemi con fondo del cesto rotante e sistemi che inclinano prima da una parte e poi dall’ altra delle batterie di uova appositamente posizionate. Le migliori gestiscono automaticamente circolo dell’ aria, temperatura, umidità e rotazione delle uova.
Tornando al nuovo circuito la nuova serie RA-POT-RB e la presenza di 2 condensatori comincia a farmi pensare che non sarò in grado ne di controllarlo ne di realizzarlo. In effetti la qualifica di “cliente” per uno che con il susseguirsi degli interventi è diventato sempre più consapevole di non capir nulla di elettronica mi sembra già un passo avanti. Nel circuito precedente “il campo di regolazione della temperatura, per una ntc generica da 3.3kohm è di circa 30 gradi”, il che se da un lato rende complicata ma non impossibile la taratura dall’ altro consente un utilizzo anche a temperature più basse (molto utile). Comprare qualche altro componente non sarà un grosso problema però preciso che preso dall’euforia mi sono già procurato le resistenze da 3.3K sia ½ w che ¼w ; da 4.7k ¼w ; da 10k ¼w ; da 27k ¼ w ; la RV da 10k ; lm358 ; relè NPR-13-c-12d-h e il circuito precedente data la mia situazione mi sebrava più fattibile. L’incubatrice che ho è molto simile a questa http://www.subito.it/animali/incubatric ... 131766.htm anche se nella mia , interruttore, prese e scheda termostato sono posizionati lateralmente . In sostanza l’ incubatrice non è altro che una scatola termica con una resistenza posta in alto insieme a una ventola che distribuisce uniformemente il calore . Al centro una cesta mobile, (con o senza divisori) dove posizionare le uova, mossa manualmente o mediante motore girauova. In basso il contenitore dell’acqua per assicurare una certa umidità dell’aria. Le misure variano a seconda del numero di uova che possono contenere. I sistemi per girare le uova sono vari; Si va dal semplice cesto che alzandosi prima da una parte e poi dall’altra fa rotolare in modo confuso le uova a sistemi con fondo del cesto rotante e sistemi che inclinano prima da una parte e poi dall’ altra delle batterie di uova appositamente posizionate. Le migliori gestiscono automaticamente circolo dell’ aria, temperatura, umidità e rotazione delle uova.
-

salvatorefresc
0 3 - Messaggi: 12
- Iscritto il: 1 giu 2011, 16:24
0
voti
I due condensatori sono solo per i disturbi. Se vuoi usare la resistenza variabile (potenziometro) da 10kohm che hai gia`, devi cambiare le due R da 4.7kohm e metterle da 47kohm. Gli altri componenti devono avere il valore indicato.
Puoi fare per favore una foto dell'interno dell'incubatrice in cui si vedano resistenze e ventola? Le resistenze sono "a vista" o c'e` uno schermo fra loro e le uova? Solo per capire se c'e` anche radiazione diretta o solo trasferimento di calore mediante aria.
Puoi fare per favore una foto dell'interno dell'incubatrice in cui si vedano resistenze e ventola? Le resistenze sono "a vista" o c'e` uno schermo fra loro e le uova? Solo per capire se c'e` anche radiazione diretta o solo trasferimento di calore mediante aria.
Per usare proficuamente un simulatore, bisogna sapere molta più elettronica di lui
Plug it in - it works better!
Il 555 sta all'elettronica come Arduino all'informatica! (entrambi loro malgrado)
Se volete risposte rispondete a tutte le mie domande
Plug it in - it works better!
Il 555 sta all'elettronica come Arduino all'informatica! (entrambi loro malgrado)
Se volete risposte rispondete a tutte le mie domande
0
voti
la resistenza (se non ricordo male 30w) è a "vista" ma tra lei e le uova ci sono 30cm e una ventola che gira. Il transistor dovrà essere 2n2222, userò il potenziometro da 1k ma adesso mi rimangono 2 dubbi sui condensatori.
1) quello disegnato all'interno dell'integrato se ho ben capito devo posizionarlo tra + e - del circuito?
2)che tipo di condensatori devo prendere?
1) quello disegnato all'interno dell'integrato se ho ben capito devo posizionarlo tra + e - del circuito?
2)che tipo di condensatori devo prendere?
-

salvatorefresc
0 3 - Messaggi: 12
- Iscritto il: 1 giu 2011, 16:24
Chi c’è in linea
Visitano il forum: Nessuno e 72 ospiti

Elettrotecnica e non solo (admin)
Un gatto tra gli elettroni (IsidoroKZ)
Esperienza e simulazioni (g.schgor)
Moleskine di un idraulico (RenzoDF)
Il Blog di ElectroYou (webmaster)
Idee microcontrollate (TardoFreak)
PICcoli grandi PICMicro (Paolino)
Il blog elettrico di carloc (carloc)
DirtEYblooog (dirtydeeds)
Di tutto... un po' (jordan20)
AK47 (lillo)
Esperienze elettroniche (marco438)
Telecomunicazioni musicali (clavicordo)
Automazione ed Elettronica (gustavo)
Direttive per la sicurezza (ErnestoCappelletti)
EYnfo dall'Alaska (mir)
Apriamo il quadro! (attilio)
H7-25 (asdf)
Passione Elettrica (massimob)
Elettroni a spasso (guidob)
Bloguerra (guerra)

