Che cosa sai di elettronica? Ad esempio sai che cosa sono gli specchi di corrente, i differenziali?
Comunque e` un circuito scadente, regola decisamente male. Ieri sera mentre mi facevo la mia camminata solita mi e` venuto in mente un modo per migliorare il circuito, oggi provo se va.
Regolare la corrente su tensione fissa
Moderatori:
carloc,
g.schgor,
BrunoValente,
IsidoroKZ
24 messaggi
• Pagina 2 di 3 • 1, 2, 3
0
voti
Per usare proficuamente un simulatore, bisogna sapere molta più elettronica di lui
Plug it in - it works better!
Il 555 sta all'elettronica come Arduino all'informatica! (entrambi loro malgrado)
Se volete risposte rispondete a tutte le mie domande
Plug it in - it works better!
Il 555 sta all'elettronica come Arduino all'informatica! (entrambi loro malgrado)
Se volete risposte rispondete a tutte le mie domande
0
voti
Ho finito il 5 anno di elettronica , sarebbe il 3 riguardante il campo di elettronica dopo la prima e la seconda superiore, servite a non so cosa
e prossimamente avrò gli esami , per questo volevo vedere come hai ragionato.
Gli specchi di corrente , mi sembra di averne già sentito parlare ma non vorrei sparare chissà quale scemenza, difatti non abbiamo mai fatto quello che ora chiedo a te, ma per quanto riguarda i differenziali si, quelli conosco meglio:)
Gli specchi di corrente , mi sembra di averne già sentito parlare ma non vorrei sparare chissà quale scemenza, difatti non abbiamo mai fatto quello che ora chiedo a te, ma per quanto riguarda i differenziali si, quelli conosco meglio:)
4
voti
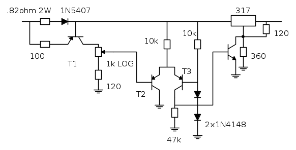
Questo e` il circuito migliorato (si fa per dire) in cui ho aumentato il guadagno di anello.
Il diodo, T1 e le due resistenze formano uno specchio di corrente: la corrente che esce dal collettore di T1 e` circa pari alla corrente che va al regolatore moltiplicata per 0.82ohm/100ohm. A pieno carico sono circa 8mA. In realta` avendo preso un diodo "grande" da 3A, la corrente di uscita arriva a circa 9mA.
Questa corrente passa per pot e R da 120 ohm e va ad alimentare un differenziale (Q2 e Q3). Il differenziale e` polarizzato con una R da 10 kohm, che fa scorrere una corrente complessiva di circa 1mA, corrente che va piu` che bene per polarizzare due BJT piccolini e corrente che servira` per accendere il transistore npn e abbassare la tensione di uscita.
Un ingresso del differenziale e` collegato alla tensione "di riferimento" fatta da due diodi (con un riferimento di tensione sarebbe molto meglio) che forniscono circa 1.2V quasi costanti.
Quando la tensione sull'altro ingresso del differenziale arriva a circa 1.2V, comincia a scorrere corrente attraverso T3 che accende T4 e abbassa la tensione di riferimento del regolatore.
Quando il regolatore eroga 1A e vogliamo la soglia a 1A abbiamo che nel collettore di T1 scorrono 9mA. Per avere la soglia massima a 1A dobbiamo avere una caduta di tensione di circa 1.2V (soglia a cui interviene il limitatore di corrente) con 9mA di corrente, che fanno circa 130ohm. Mettiamo 120 ohm per essere sicuri di erogare 1A.
Supponiamo di volere la limitazione minima a 100mA. In questo caso la corrente di collettore di T1 e` di .9mA e con questa corrente servono sempre 1.2V per limitare l'uscita. Per avere questa caduta di tensione servono circa 1.2kohm, fatti dalla resistenza da 120ohm piu` il potenziometro da 1kohm.
Il potenziometro e` meglio che sia logaritmico, per avere una parvenza di regolazione lineare. Se il pot e` lineare, la regolazione della soglia di corrente diventa iperbolica.
In realta` per il progetto ho visto che il differenziale piu` o meno ha una impedenza di ingresso dell'ordine della decina di kiloohm o piu` quindi ho preso un potenziometro molto piu` piccolo.
Poi ho calcolato lo specchio in modo che alla corrente minima regolabile la corrente di uscita desse una caduta di tensione di circa 1V, ed e` saltata fuori una corrente di .9mA circa. A piena corrente si hanno 9mA e questo determina la resistenza di sotto, da 120 ohm. Come resistenza di potenza ho preso una R che non facesse cadere troppa tensione, che non dissipasse troppo, ma che anche alla corrente minima sperabilmente non fosse troppo piccola in rapporto alla differenza fra la caduta di tensione sul diodo e sulla VBE di T1. 1 ohm o poco meno e` una scelta ragionevole. Poi ho preso una R di emettitore di T1 che desse il rapporto di specchiaggio di corrente desiderato, e fine del progetto.
Usando componenti poco precisi, basandosi sulla uguaglianza di VBE e VD, sul valore di VD degli 1N4148... il circuito e` tutto meno che preciso, per cui bisogna adattare il circuito ai componenti che si usano. In particolare la resistenza di emettitore di T1 permette di regolare la corrente minima di intervento, con il potenziometro "tutto su". Se si abbassa questa resistenza si abbassa la corrente minima di intervento.
La resistenza sotto il potenziometro invece permette di impostare la corrente massima di limitazione, quella con il potenziometro "tutto giu'". Un valore piu` basso aumenta la corrente massima.
AUGH! Grande Capo "Elettronico Con Mal Di Testa" ha parlato!
(ma non e` molto sicuro di quanto ha detto)
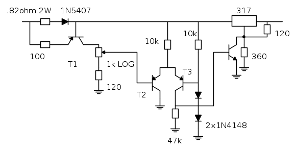
Il diodo, T1 e le due resistenze formano uno specchio di corrente: la corrente che esce dal collettore di T1 e` circa pari alla corrente che va al regolatore moltiplicata per 0.82ohm/100ohm. A pieno carico sono circa 8mA. In realta` avendo preso un diodo "grande" da 3A, la corrente di uscita arriva a circa 9mA.
Questa corrente passa per pot e R da 120 ohm e va ad alimentare un differenziale (Q2 e Q3). Il differenziale e` polarizzato con una R da 10 kohm, che fa scorrere una corrente complessiva di circa 1mA, corrente che va piu` che bene per polarizzare due BJT piccolini e corrente che servira` per accendere il transistore npn e abbassare la tensione di uscita.
Un ingresso del differenziale e` collegato alla tensione "di riferimento" fatta da due diodi (con un riferimento di tensione sarebbe molto meglio) che forniscono circa 1.2V quasi costanti.
Quando la tensione sull'altro ingresso del differenziale arriva a circa 1.2V, comincia a scorrere corrente attraverso T3 che accende T4 e abbassa la tensione di riferimento del regolatore.
Quando il regolatore eroga 1A e vogliamo la soglia a 1A abbiamo che nel collettore di T1 scorrono 9mA. Per avere la soglia massima a 1A dobbiamo avere una caduta di tensione di circa 1.2V (soglia a cui interviene il limitatore di corrente) con 9mA di corrente, che fanno circa 130ohm. Mettiamo 120 ohm per essere sicuri di erogare 1A.
Supponiamo di volere la limitazione minima a 100mA. In questo caso la corrente di collettore di T1 e` di .9mA e con questa corrente servono sempre 1.2V per limitare l'uscita. Per avere questa caduta di tensione servono circa 1.2kohm, fatti dalla resistenza da 120ohm piu` il potenziometro da 1kohm.
Il potenziometro e` meglio che sia logaritmico, per avere una parvenza di regolazione lineare. Se il pot e` lineare, la regolazione della soglia di corrente diventa iperbolica.
In realta` per il progetto ho visto che il differenziale piu` o meno ha una impedenza di ingresso dell'ordine della decina di kiloohm o piu` quindi ho preso un potenziometro molto piu` piccolo.
Poi ho calcolato lo specchio in modo che alla corrente minima regolabile la corrente di uscita desse una caduta di tensione di circa 1V, ed e` saltata fuori una corrente di .9mA circa. A piena corrente si hanno 9mA e questo determina la resistenza di sotto, da 120 ohm. Come resistenza di potenza ho preso una R che non facesse cadere troppa tensione, che non dissipasse troppo, ma che anche alla corrente minima sperabilmente non fosse troppo piccola in rapporto alla differenza fra la caduta di tensione sul diodo e sulla VBE di T1. 1 ohm o poco meno e` una scelta ragionevole. Poi ho preso una R di emettitore di T1 che desse il rapporto di specchiaggio di corrente desiderato, e fine del progetto.
Usando componenti poco precisi, basandosi sulla uguaglianza di VBE e VD, sul valore di VD degli 1N4148... il circuito e` tutto meno che preciso, per cui bisogna adattare il circuito ai componenti che si usano. In particolare la resistenza di emettitore di T1 permette di regolare la corrente minima di intervento, con il potenziometro "tutto su". Se si abbassa questa resistenza si abbassa la corrente minima di intervento.
La resistenza sotto il potenziometro invece permette di impostare la corrente massima di limitazione, quella con il potenziometro "tutto giu'". Un valore piu` basso aumenta la corrente massima.
AUGH! Grande Capo "Elettronico Con Mal Di Testa" ha parlato!
(ma non e` molto sicuro di quanto ha detto)
Per usare proficuamente un simulatore, bisogna sapere molta più elettronica di lui
Plug it in - it works better!
Il 555 sta all'elettronica come Arduino all'informatica! (entrambi loro malgrado)
Se volete risposte rispondete a tutte le mie domande
Plug it in - it works better!
Il 555 sta all'elettronica come Arduino all'informatica! (entrambi loro malgrado)
Se volete risposte rispondete a tutte le mie domande
0
voti
Girovagando nel forum per evitare di ripassare la 300milionesima volta questa materia, che ormai inizio ad odiare, ho letto ciò che hai scritto... e sarei felice se potessi "rispiegarlo"
in qualche punto non ti ho ben seguito, sarà un po' il mio stato sarà che i differenziali e cose del tipo non li vedo da troppo tempo
o sarà semplicemente il fatto che sono tardo (non ho chiesto i diritti all'omonimo forumista...chiedo scusa
) e che "ne so meno di te"
Ovviamente senza impegno e senza alcun tipo di obbligazione o che, vedilo come uno studente che alza la mano in classe e ti dice, "prof, potrebbe rispiegare un attimo, mi sono perso..." consapevole del fatto che lo studente è stato attento durante la spiegazione appena fatta e ha una base "discreta"
e grazie in anticipo, anche se non lo rispiegherai
Ovviamente senza impegno e senza alcun tipo di obbligazione o che, vedilo come uno studente che alza la mano in classe e ti dice, "prof, potrebbe rispiegare un attimo, mi sono perso..." consapevole del fatto che lo studente è stato attento durante la spiegazione appena fatta e ha una base "discreta"
e grazie in anticipo, anche se non lo rispiegherai0
voti
Adesso vado a dormire. Ti sei perso perche' e` spiegato male, avevo un violento mal di testa. Se trovi i punti oscuri evidenziali, cosi` domani parto da li`.
Per usare proficuamente un simulatore, bisogna sapere molta più elettronica di lui
Plug it in - it works better!
Il 555 sta all'elettronica come Arduino all'informatica! (entrambi loro malgrado)
Se volete risposte rispondete a tutte le mie domande
Plug it in - it works better!
Il 555 sta all'elettronica come Arduino all'informatica! (entrambi loro malgrado)
Se volete risposte rispondete a tutte le mie domande
0
voti
Vai a dormire alle 10 e 36 di mattina?
bhè complimenti, sei peggio di me in età adolescenziale
Mi riferisco a quando parlidel diodo e di T1 e del differenziale T2 T3, la resistenza da 1 ohm in particolare... non ti ammazzare per rispondermi, figurati non è una questione di vita o di morte
fai con calma, quando vuoi e come vuoi... sono della filosofia vivi e lascia vivere io
anzi ora che mi dici che vai a dormire in questo momento della giornata, mi sento quasi in colpa ad aver domandato 
Mi riferisco a quando parlidel diodo e di T1 e del differenziale T2 T3, la resistenza da 1 ohm in particolare... non ti ammazzare per rispondermi, figurati non è una questione di vita o di morte
0
voti
admin ha scritto:belva87 ha scritto:Vai a dormire alle 10 e 36 di mattina? [..]
A Los Angeles erano le 0: 36 di mercoledì 15.
Non sapevo mica che IsidoroKZ sta a Los Angeles
0
voti
Capito, brillante non saprei che altro dire... vorrei sapere se il tuo circuito da i stessi risultati se al posto del lm317 ci fosse un 7805 visto che fra tutti i componenti a disposizione , ne ho in abbondanza di 7805 e 7812 , inoltre vedo che hai evitato l'uso degli operazionali, hai scelto ti evitare l'uso dei operazionali perché sarebbe stato inutile?
24 messaggi
• Pagina 2 di 3 • 1, 2, 3
Chi c’è in linea
Visitano il forum: Nessuno e 69 ospiti

Elettrotecnica e non solo (admin)
Un gatto tra gli elettroni (IsidoroKZ)
Esperienza e simulazioni (g.schgor)
Moleskine di un idraulico (RenzoDF)
Il Blog di ElectroYou (webmaster)
Idee microcontrollate (TardoFreak)
PICcoli grandi PICMicro (Paolino)
Il blog elettrico di carloc (carloc)
DirtEYblooog (dirtydeeds)
Di tutto... un po' (jordan20)
AK47 (lillo)
Esperienze elettroniche (marco438)
Telecomunicazioni musicali (clavicordo)
Automazione ed Elettronica (gustavo)
Direttive per la sicurezza (ErnestoCappelletti)
EYnfo dall'Alaska (mir)
Apriamo il quadro! (attilio)
H7-25 (asdf)
Passione Elettrica (massimob)
Elettroni a spasso (guidob)
Bloguerra (guerra)








