Metodi di risoluzione circuiti con laplace (compensazione)
Moderatori:
g.schgor,
IsidoroKZ
28 messaggi
• Pagina 2 di 3 • 1, 2, 3
0
voti
grazie per l'aiuto e giuro che cercherò di perfezionare l'inserimento di immagini.
Allora io ho seguito questo procedimento:
a) calcolo le condizioni iniziali su condensatori e induttori, disattivando prima il generatore di tensione e poi quello di corrente;
b) calcolo la corrente che circola nel ramo nell'interruttore;
c)dopo l'apertura dell'interruttore, sostituisco a quel ramo un generatore di corrente, con verso della stessa opposto a quello trovato prima dell'apertura;
d) ora trovo le condizioni a regime permanente con tutti i generatori indipendenti e di condizioni iniziali disattivati, tranne quello di corrente appena inserito;
e) trovate le condizioni permanenti, trovo le condizioni transitorie e poi ridisegno il circuito con solo i generatori di condizioni transitorie.
la mia domanda è: il generatore di corrente sostituito al ramo con il tasto devo disattivarlo??? mi servirebbe solo capire come disegnare il circuito.
Allora io ho seguito questo procedimento:
a) calcolo le condizioni iniziali su condensatori e induttori, disattivando prima il generatore di tensione e poi quello di corrente;
b) calcolo la corrente che circola nel ramo nell'interruttore;
c)dopo l'apertura dell'interruttore, sostituisco a quel ramo un generatore di corrente, con verso della stessa opposto a quello trovato prima dell'apertura;
d) ora trovo le condizioni a regime permanente con tutti i generatori indipendenti e di condizioni iniziali disattivati, tranne quello di corrente appena inserito;
e) trovate le condizioni permanenti, trovo le condizioni transitorie e poi ridisegno il circuito con solo i generatori di condizioni transitorie.
la mia domanda è: il generatore di corrente sostituito al ramo con il tasto devo disattivarlo??? mi servirebbe solo capire come disegnare il circuito.
-

scleruccio
0 3 - Messaggi: 8
- Iscritto il: 23 giu 2011, 21:38
0
voti
scleruccio ha scritto:grazie per l'aiuto e giuro che cercherò di perfezionare l'inserimento di immagini.
come hai visto sarebbero da perfezionare anche le formule
scleruccio ha scritto:a) calcolo le condizioni iniziali su condensatori e induttori, disattivando prima il generatore di tensione e poi quello di corrente;
Ok ma si puo' fare tutto insieme senza disattivare nulla, ricorda che c'e' un generatore di corrente in serie alla sottorete di destra (R||XC)
scleruccio ha scritto:b) calcolo la corrente che circola nel ramo nell'interruttore;
c)dopo l'apertura dell'interruttore, sostituisco a quel ramo un generatore di corrente, con verso della stessa opposto a quello trovato prima dell'apertura;
scusa ma questa non l'ho capita, perche' poi dobbiamo andare ad aggiungere un generatore? ... non ne abbiamo gia' abbastanza?
scleruccio ha scritto:e) trovate le condizioni permanenti, trovo le condizioni transitorie e poi ridisegno il circuito con solo i generatori di condizioni transitorie.
... devi usare Laplace per forza o e' una tua scelta?
Io farei in questo modo.
Dopo il calcolo delle condizioni iniziali in L e C del ramo di sinistra, che e' un calcolo immediato grazie alla semplificazione introdotta dall'interruttore chiuso e dalla risonanza serie, io aprirei l'interruttore e mi ritroverei un bel circuito semplice semplice con tre rami due nodi e due maglie, delle quali solo quella di sinistra "effettiva" per la presenza del generatore di corrente a destra.
Una semplice KCL e una KVL mi permetterebbero infine di ottenere l'equazione differenziale risolutiva; vedrei conveniente scriverla relativamente alla corrente i(t) nel ramo (L+C).
Che ne pensi?
"Il circuito ha sempre ragione" (Luigi Malesani)
0
voti
purtroppo dovrei usare Laplace per determinare l'eventuale risposta transitoria, oltre a quella di regime. utilizzare Laplace completo porta a numerosi calcoli e a perdita di tempo "inutile".
vorrei tanto avere sapere chi è quel genio che ha ridotto il corso di elettrotecnica a solo un semestre =P
vorrei tanto avere sapere chi è quel genio che ha ridotto il corso di elettrotecnica a solo un semestre =P
-

scleruccio
0 3 - Messaggi: 8
- Iscritto il: 23 giu 2011, 21:38
0
voti
scleruccio ha scritto:purtroppo dovrei usare Laplace per determinare l'eventuale risposta transitoria, oltre a quella di regime. utilizzare Laplace completo porta a numerosi calcoli e a perdita di tempo "inutile".
Laplace va ugualmente bene, il discorso non cambia ... ma ti confesso che mi aspettavo una risposta piu' "articolata" sul metodo risolutivo che ti ho proposto
"Il circuito ha sempre ragione" (Luigi Malesani)
0
voti
la tua risposta va bene, anzi benissimo!! quel procedimento l'avrei usato anche io solo che dovrei risolvere questi benedetti esercizi con Laplace e con uno dei metodi che ci sono stati spiegati a lezione, ma siccome la spiegazione di tutto è durata 10 giorni non afferrato qualche concetto e mi chiedevo se qualche anima pia potesse aiutarmi. Ah! mi chiedevo alla fine vorresti risolvere l'equazione differenziale direttamente nel dominio del tempo, giusto???
-

scleruccio
0 3 - Messaggi: 8
- Iscritto il: 23 giu 2011, 21:38
0
voti
scleruccio ha scritto:Ah! mi chiedevo alla fine vorresti risolvere l'equazione differenziale direttamente nel dominio del tempo, giusto???
Q.E.D.
Dicevo che io avrei risolto cosi', se non fosse imposto Laplace, ma come ti ho gia' scritto Laplace va ugualmente bene ed i (miei) " passi" risolutivi rimangono quelli che ti ho descritto l'unica differenza sara' avere le condizioni iniziali gia' conglobate nella KVL (grazie ai generatori rappresentativi delle condizioni iniziali su L e su C) ... ma ancora una volta, non mi hai detto se concordi con la mia sequenza metodologica oppure vuoi seguire la tua; in ogni caso se posti un primo passo lo controlliamo.
Partiamo dalle condizioni iniziali ?
... aspetto sviluppi ...
"Il circuito ha sempre ragione" (Luigi Malesani)
2
voti
Visto che con LTspice e' piu' facile, posto per iniziare la soluzione numerica
ora aspettiamo la soluzione analitica di
scleruccio 
ora aspettiamo la soluzione analitica di
"Il circuito ha sempre ragione" (Luigi Malesani)
2
voti
Stavolta sono proprio partito in retromarcia, e visto che ero fuori esercizio ho provato una simulazione con l'incrediBBile VisSim
Il risultato
conferma quello ottenuto con LTspice ... per fortuna!
Con MAXIMA per Laplace e Equazione differenziale classica.
si noti come il calcolo numerico porti ad un termine "residuo" non atteso; si tratta comunque di un errore sulla funzione, dell'ordine dei decimi di ppm rispetto al valore Vpp
Il risultato
conferma quello ottenuto con LTspice ... per fortuna!
Con MAXIMA per Laplace e Equazione differenziale classica.
si noti come il calcolo numerico porti ad un termine "residuo" non atteso; si tratta comunque di un errore sulla funzione, dell'ordine dei decimi di ppm rispetto al valore Vpp

"Il circuito ha sempre ragione" (Luigi Malesani)
3
voti
1^ Puntata
Visto che
scleruccio e' forse gia' partito per le Seichelles, completo la soluzione con un bel
"Start From Scratch", come diciamo qui a SB
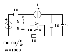
, ovvero dal ridisegnare lo schema con FidoCadJ, dove per praticita' indico solo i valori numerici dei parametri
e, vista la richiesta del testo, anche della sua immediata semplificazione "a destra", scegliendo la corrente i del ramo LC come "elemento risolutivo" fondamentale.
a questo punto cominciamo con il calcolo delle condizioni a regime per t<5ms, con interruttore chiuso l'unica parte della rete da studiare e' quella di sinistra,
visto che la risonanza serie di L e C cortocircuita la resistenza inferiore, potremo scrivere la corrente i e la tensione su C come

e quindi

Per t>5ms con interruttore chiuso avremo invece
e potremo scivere l'equazione differenziale usano la KVL alla maglia di sinistra, ricordando che se vogliamo usare un nuovo riferimento per il tempo, ripartendo da zero alla chiusura avremo una e(t) sfasata di 5ms


ed infine
![L\frac{\text{d}^{2}i(t)}{\text{d}t^{2}}+R\frac{\text{d}i(t)}{\text{d}t}+\frac{i(t)}{C}=\frac{\text{d}\left[ e(t+\tau ) \right]}{\text{d}t} L\frac{\text{d}^{2}i(t)}{\text{d}t^{2}}+R\frac{\text{d}i(t)}{\text{d}t}+\frac{i(t)}{C}=\frac{\text{d}\left[ e(t+\tau ) \right]}{\text{d}t}](/forum/latexrender/pictures/d705a83ef49f4d4d3830f1b377af7d7b.png)
che sara' la base di tutti i futuri sviluppi
----------------------------------------------------------------------------------eol
2^ Puntata
L'equazione caratteristica

risolta, portera' a

e quindi cercheremo una soluzione generale nella forma

la soluzione particolare sara' quella a regime e quindi

e quindi

Le condizioni iniziali

permetteranno di determinare le rimanenti due costanti

ed infine

e infine per la d.d.p. ai capi dell'interruttore

che miracolosamente si semplifica in

chissa' perche'
-----------------------------------------------------------------------------------------eol
3^ puntata
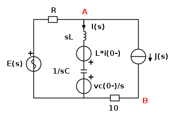
Proviamo ora a risolvere con Laplace, incominciando dallo schema completo dei generatori associati alle condizioni iniziali
e scriviamo la solita KVL "a sinistra"

che diventa

che, anche se con un giro piu' lungo, porta allo stesso risultato (ovviamente) ... ma vi risparmio i calcoli
-------------------------------------------------------------------------eol
4^ Puntata
A questo punto ci chiediamo
... ma che siano veramente necessari tutti questi calcoli
... per un circuito a prima vista cosi' "innofensivo" ? ... la risposta e' no
Gia' la soluzione per via differenziale doveva farci "sospettare" qualcosa, ovvero che forse c'era una scorciatoia, e perfino "banale" (io posso usarlo
).
La sovrapposizione degli effetti ci avrebbe portato subito a vedere che la soluzione era in realta' molto piu' semplice, bastava notare che la chiusura dell'interruttore non veniva ad influenzare il regime permanente sinusoidale grazie alla risonansa del ramo LC, e di conseguenza la tensione ai capi dell'interruttore risulta dipendente unicamente dal generatore di corrente ed e' indipendente da quello di tensione.
Si doveva cioe' semplificare gia' inizialmente come
e procedere con

con condizioni iniziali nulle per la componente continua


ed infine


Visto che
"Start From Scratch", come diciamo qui a SB
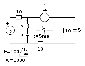
e, vista la richiesta del testo, anche della sua immediata semplificazione "a destra", scegliendo la corrente i del ramo LC come "elemento risolutivo" fondamentale.
a questo punto cominciamo con il calcolo delle condizioni a regime per t<5ms, con interruttore chiuso l'unica parte della rete da studiare e' quella di sinistra,
visto che la risonanza serie di L e C cortocircuita la resistenza inferiore, potremo scrivere la corrente i e la tensione su C come

e quindi

Per t>5ms con interruttore chiuso avremo invece
e potremo scivere l'equazione differenziale usano la KVL alla maglia di sinistra, ricordando che se vogliamo usare un nuovo riferimento per il tempo, ripartendo da zero alla chiusura avremo una e(t) sfasata di 5ms


ed infine
![L\frac{\text{d}^{2}i(t)}{\text{d}t^{2}}+R\frac{\text{d}i(t)}{\text{d}t}+\frac{i(t)}{C}=\frac{\text{d}\left[ e(t+\tau ) \right]}{\text{d}t} L\frac{\text{d}^{2}i(t)}{\text{d}t^{2}}+R\frac{\text{d}i(t)}{\text{d}t}+\frac{i(t)}{C}=\frac{\text{d}\left[ e(t+\tau ) \right]}{\text{d}t}](/forum/latexrender/pictures/d705a83ef49f4d4d3830f1b377af7d7b.png)
che sara' la base di tutti i futuri sviluppi
----------------------------------------------------------------------------------eol
2^ Puntata
L'equazione caratteristica

risolta, portera' a

e quindi cercheremo una soluzione generale nella forma

la soluzione particolare sara' quella a regime e quindi

e quindi

Le condizioni iniziali

permetteranno di determinare le rimanenti due costanti

ed infine

e infine per la d.d.p. ai capi dell'interruttore

che miracolosamente si semplifica in

chissa' perche'
-----------------------------------------------------------------------------------------eol
3^ puntata
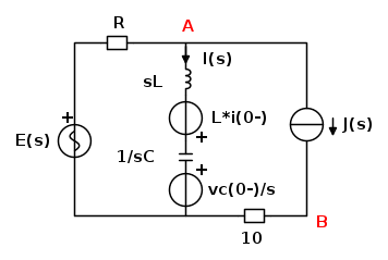
Proviamo ora a risolvere con Laplace, incominciando dallo schema completo dei generatori associati alle condizioni iniziali
e scriviamo la solita KVL "a sinistra"

che diventa

che, anche se con un giro piu' lungo, porta allo stesso risultato (ovviamente) ... ma vi risparmio i calcoli
-------------------------------------------------------------------------eol
4^ Puntata
A questo punto ci chiediamo
... ma che siano veramente necessari tutti questi calcoli
... per un circuito a prima vista cosi' "innofensivo" ? ... la risposta e' no Gia' la soluzione per via differenziale doveva farci "sospettare" qualcosa, ovvero che forse c'era una scorciatoia, e perfino "banale" (io posso usarlo
La sovrapposizione degli effetti ci avrebbe portato subito a vedere che la soluzione era in realta' molto piu' semplice, bastava notare che la chiusura dell'interruttore non veniva ad influenzare il regime permanente sinusoidale grazie alla risonansa del ramo LC, e di conseguenza la tensione ai capi dell'interruttore risulta dipendente unicamente dal generatore di corrente ed e' indipendente da quello di tensione.
Si doveva cioe' semplificare gia' inizialmente come
e procedere con

con condizioni iniziali nulle per la componente continua


ed infine


"Il circuito ha sempre ragione" (Luigi Malesani)
0
voti
salve,
ed eccomi qua ad affrontare questo problema anche io!!
RenzoDF non capisco come hai trovato la condizione iniziale sul condensatore, o meglio, non capisco perché ti torna
.. io per il calcolo della tensione sul condensatore ho provato in 2 modi: legge di Ohm fasoriale e la definizione di tensione per il condensatore (
)..
nel primo caso torna:

mentre nel secondo caso il risultato è completamente sbagliato
ed eccomi qua ad affrontare questo problema anche io!!
.. io per il calcolo della tensione sul condensatore ho provato in 2 modi: legge di Ohm fasoriale e la definizione di tensione per il condensatore (
)..nel primo caso torna:


mentre nel secondo caso il risultato è completamente sbagliato
28 messaggi
• Pagina 2 di 3 • 1, 2, 3
Torna a Elettrotecnica generale
Chi c’è in linea
Visitano il forum: Nessuno e 27 ospiti

Elettrotecnica e non solo (admin)
Un gatto tra gli elettroni (IsidoroKZ)
Esperienza e simulazioni (g.schgor)
Moleskine di un idraulico (RenzoDF)
Il Blog di ElectroYou (webmaster)
Idee microcontrollate (TardoFreak)
PICcoli grandi PICMicro (Paolino)
Il blog elettrico di carloc (carloc)
DirtEYblooog (dirtydeeds)
Di tutto... un po' (jordan20)
AK47 (lillo)
Esperienze elettroniche (marco438)
Telecomunicazioni musicali (clavicordo)
Automazione ed Elettronica (gustavo)
Direttive per la sicurezza (ErnestoCappelletti)
EYnfo dall'Alaska (mir)
Apriamo il quadro! (attilio)
H7-25 (asdf)
Passione Elettrica (massimob)
Elettroni a spasso (guidob)
Bloguerra (guerra)








