Cos'è ElectroYou | Login Iscriviti

ElectroYou - la comunità dei professionisti del mondo elettrico

amplificatore 9 volt

Elettronica lineare e digitale: didattica ed applicazioni

Moderatori: Foto Utentecarloc, Foto Utenteg.schgor, Foto UtenteBrunoValente, Foto UtenteIsidoroKZ

1
voti

[31] Re: amplificatore 9 volt

Messaggioda Foto Utentecarloc » 26 giu 2011, 11:31

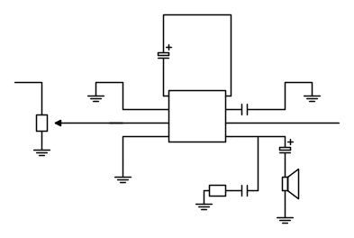
Scusa Foto Utenterusty ma credo che il collegamento che hai proposto sia da rivedere leggermente....

collegare la massa dell'uscita sulla massa dell'ingresso non mi sembra una buona idea, considerato anche che Foto Utentematto12345 non mi sembra espertissimo e mi aspetterei che segua alla lettera il disegno, io consiglierei questo...
nuovoimmaginebitmap2u.PNG
nuovoimmaginebitmap2u.PNG (166.86 KiB) Osservato 2464 volte

così da separare il ritorno della corrente (elevata) dall'altoparlante dal segnalino in ingresso... anche il circuito stampato proposto che si vede in trasparenza realizza un abbozzo di star grounding intorno al piedino di massa dell'IC
Se ti serve il valore di beta: hai sbagliato il progetto!
Avatar utente
Foto Utentecarloc
33,8k 6 11 13
G.Master EY
G.Master EY
 
Messaggi: 2153
Iscritto il: 7 set 2010, 19:23

0
voti

[32] Re: amplificatore 9 volt

Messaggioda Foto Utentedavi82 » 26 giu 2011, 13:59

Ciao,

io ti consiglio caldamente di provare con un LM386.... per carità... poco potente! ma ti assicuro che se ci colleghi degli altroparlanti grandi... il suono è forte... specie se lo vuoi distorto.
L'LM386 è molto conosciuto tra i chitarristi "fai da te".
E' economicissimo, per fare qualche esperimento è fantastico; semplice e costa poco.

Il TDA2003 è molto simpatico ma ha tendenza ad oscillare facilmente (per esperienza) se non stai attento col layout.

Per quanto riguarda i distorsori, ci sono molti schemi, comprensivi di MP3 campione qui: http://www.runoffgroove.com/salvo.html#littlegemMK2

Altre info:
http://www.google.it/search?client=oper ... el=suggest

http://gilmore2.chem.northwestern.edu/p ... ar_prj.htm
Avatar utente
Foto Utentedavi82
524 2 4
Stabilizzato
Stabilizzato
 
Messaggi: 384
Iscritto il: 24 giu 2011, 0:09

0
voti

[33] Re: amplificatore 9 volt

Messaggioda Foto Utenteteo125 » 26 giu 2011, 14:20

ciao sono matto e che non riuscivo ad entrare con il nome di matto e mi sono riiscritto..
mi avete avvisato proprio in tempo avevo intenzione di cominciare con l'amplificatore domani..

avresti uno schema da farmi provare se dici che e migliore... vorrei provarlo tanto i componenti non costano tantissimo e prima o poi vengono usati..
Avatar utente
Foto Utenteteo125
-3 4
Frequentatore
Frequentatore
 
Messaggi: 137
Iscritto il: 22 giu 2011, 0:13

0
voti

[34] Re: amplificatore 9 volt

Messaggioda Foto Utentedavi82 » 26 giu 2011, 14:49

Sul datasheet dell'LM386 (http://www.national.com/ds/LM/LM386.pdf) trovi alcuni schemi; dovresti semplicemente farlo con un guadagno di 200... se mastichi i datasheet non dovresti avere problemi...
Non ti posto io lo schema perché non ho tempo di farlo in FidoCad... e se non lo faccio in FidoCad mi fustigano un'altra volta!

A pagina 5 del datasheet segui quello con "amplifier with gain = 200".

Quello è un ottimo inizio.
Quando lo avrai fatto si può sperimentare ancora :)
Avatar utente
Foto Utentedavi82
524 2 4
Stabilizzato
Stabilizzato
 
Messaggi: 384
Iscritto il: 24 giu 2011, 0:09

0
voti

[35] Re: amplificatore 9 volt

Messaggioda Foto Utenteteo125 » 26 giu 2011, 15:06

ok grazie se vui lo faccio io con fidocad e poi ne discutiamo quà...

ma cosa serve il bypass al piedino 7??
Avatar utente
Foto Utenteteo125
-3 4
Frequentatore
Frequentatore
 
Messaggi: 137
Iscritto il: 22 giu 2011, 0:13

0
voti

[36] Re: amplificatore 9 volt

Messaggioda Foto Utentedavi82 » 26 giu 2011, 15:28

Se colleghi un condensatore elettrolitico da circa 100 uF tra il piedino 7 e la massa, diminuisce la distorsione alle basse frequenze e aumenta il power supply rejection ratio (si evince dal datasheet); più che mettere lo stesso condensatore sull'alimentazione.
Nel caso della chitarra puoi anche ometterlo se sei alle prime armi, così snellisci il circuito.
Avatar utente
Foto Utentedavi82
524 2 4
Stabilizzato
Stabilizzato
 
Messaggi: 384
Iscritto il: 24 giu 2011, 0:09

0
voti

[37] Re: amplificatore 9 volt

Messaggioda Foto Utenteteo125 » 26 giu 2011, 15:46

lo metto quel bypass con un interruttore tra il piedino sette e il condensatore...
lo schema non riesco a farlo perché non trovo l'lm386... se lo trovi puoi farlo tu...
Avatar utente
Foto Utenteteo125
-3 4
Frequentatore
Frequentatore
 
Messaggi: 137
Iscritto il: 22 giu 2011, 0:13

0
voti

[38] Re: amplificatore 9 volt

Messaggioda Foto Utentedavi82 » 26 giu 2011, 15:51

Non trovi proprio l'LM386; comunque va benissimo un generico DIL a 8 piedini: Libreria standard --> Shapes DIL --> DIL 8 ternimali.

Sic et simpliciter
Avatar utente
Foto Utentedavi82
524 2 4
Stabilizzato
Stabilizzato
 
Messaggi: 384
Iscritto il: 24 giu 2011, 0:09

0
voti

[39] Re: amplificatore 9 volt

Messaggioda Foto Utenteteo125 » 26 giu 2011, 16:00

ok lo faccio e poi lo posto!!
Avatar utente
Foto Utenteteo125
-3 4
Frequentatore
Frequentatore
 
Messaggi: 137
Iscritto il: 22 giu 2011, 0:13

0
voti

[40] Re: amplificatore 9 volt

Messaggioda Foto Utenteteo125 » 26 giu 2011, 23:00

Avatar utente
Foto Utenteteo125
-3 4
Frequentatore
Frequentatore
 
Messaggi: 137
Iscritto il: 22 giu 2011, 0:13

PrecedenteProssimo

Torna a Elettronica generale

Chi c’è in linea

Visitano il forum: Nessuno e 56 ospiti